GM Service Manual Online
For 1990-2009 cars only

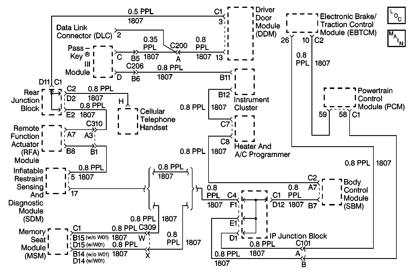
Object Number: 486287  Size: MF
Data Link Communications Components
Data Link Connector Schematics

Circuit Description

The class 2 serial data line communicates information between modules. Each module connected to the serial data line is assigned a recognition code, or address. This code is used in order to identify which modules are communicating. Modules communicate with each other by periodically sending state of health (SOH) messages. When the ignition switch is in RUN, each module communicating on the serial data line sends a SOH message every 2 seconds. This ensures that the system is operating properly. When the remote function actuator (RFA) stops communicating on the class 2 serial data line, the SOH that is normally sent on the serial data line every 2 seconds disappears. The module, which expects to receive that message, detects the absence of the message. The module in turn sets DTC U1176 associated with the loss of SOH of the RFA.

Conditions for Setting the DTC

    • The module does not receive a state of health (SOH) message back from the RFA.
        The module retries the request 3 times, and then sets DTC U1176.
    • This DTC only sets if U1300 or U1301 are not current.

Action Taken When the DTC Sets

    • DTC U1176 is stored in the modules memory.
    • The module uses the default values for the initialization data.
    • This DTC does not cause a driver warning message to appear.

Conditions for Clearing the DTC

    • This DTC clears (status changes from current to history) under any of the following conditions:
       - The module detects a state of health message from the RFA.
       - At each ignition cycle
    • A history DTC clears after 50 consecutive ignition cycles if the conditions for setting the DTC are no longer present.
    • Current and history DTCs may be cleared using a scan tool.

Diagnostic Aids

    • DTC U1176 does not normally represent a failure within the module.
    • When Loss of Class 2 Serial Data Communication DTCs (DTCs with the letter U as the prefix) are stored as history DTCs, know all possible serial data DTCs set in each module before diagnosing the serial data line.
    • If U1176 is stored in the modules memory, inspect for the same DTC stored in other modules capable of storing this DTC.
    • If the DTC is a history DTC, the condition may be intermittent.

Test Description

The numbers below refer to the step numbers on the diagnostic table:

  1. U1176 is the result of loss of communication with the remote function actuator (RFA). Note that other modules on the class 2 serial data line may also set U1176 if the RFA is not communicating with the serial data line.

Step

Action

Value(s)

Yes

No

1

Did you perform the Data Link Communications Diagnostic System Check?

--

Go to Step 2

Go to Diagnostic System Check - Data Link Communications

2

Using a scan tool, attempt to establish communications with the remote function actuator (RFA).

Does the scan tool communicate with the RFA?

--

Go to Step 3

Go to Remote Keyless Entry System Check in Keyless Entry

3

Inspect and repair the class 2 serial data line CKT 1807 (PPL) for intermittent connections. Refer to Testing for Electrical Intermittents .

Is the repair complete?

--

Go to Step  4

--

4

  1. Turn the ignition switch to OFF.
  2. Reconnect or install any connectors or components that were disconnected or removed.
  3. Turn the ignition switch to ON.
  4. Clear all DTCs.

Is the repair complete?

--

Go to Diagnostic System Check - Data Link Communications

--