GM Service Manual Online
For 1990-2009 cars only
Makes
🢒
Buick
🢒
1999
🢒
Park Avenue
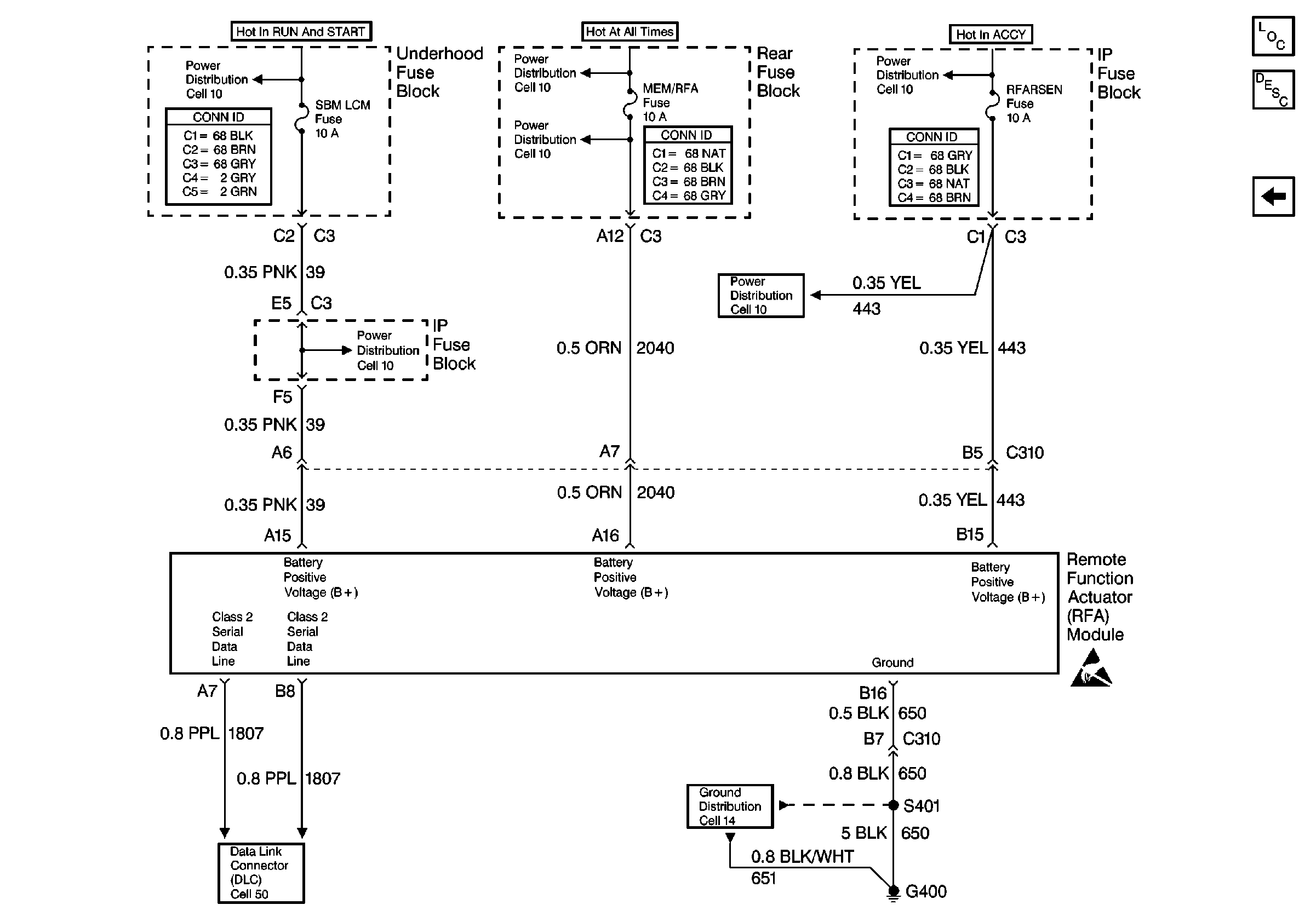
🢒 Cell 130: Remote Function Actuator Module
Cell 130: Remote Function Actuator Module
Cell 130: Remote Function Actuator Module
Power Door Systems Components
Power Door Locks Circuit Description
Cell 130: Right Front Power Door Lock Components
Cell 10: WSW, WSW/RFA, HUD, ELC, CR CONT, A/C and HVAC Fuses
Cell 10: WSW, WSW/RFA, HUD, ELC, CR CONT, A/C and HVAC Fuses
Cell 10: BATT 2 and MEM/RFA Fuses
Cell 10: BATT 2 and MEM/RFA Fuses
Cell 10: IGNFD, T/SIG, OXY SEN, and SBM LCM Fuses
Cell 10: IGNFD, T/SIG, OXY SEN, and SBM LCM Fuses
Cell 50: Class 2 Serial Data Line
Cell 14: G400 (1 of 2)
Handling ESD Sensitive Parts Notice