GM Service Manual Online
For 1990-2009 cars only
Makes
🢒
Buick
🢒
1999
🢒
Park Avenue
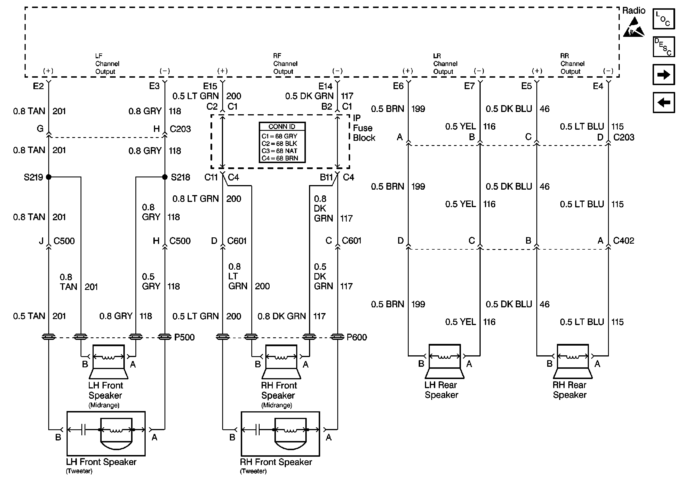
🢒 Cell 150: Speakers (w/UW6)
Cell 150: Speakers (w/UW6)
Cell 150: Speakers (w/UW6)
Entertainment Components
Steering Wheel Controls System Circuit Description
Cell 150: Speakers (w/U99)
Cell 150: Radio
Entertainment Connector End Views
Handling ESD Sensitive Parts Notice