GM Service Manual Online
For 1990-2009 cars only
Makes
🢒
Buick
🢒
1999
🢒
Park Avenue
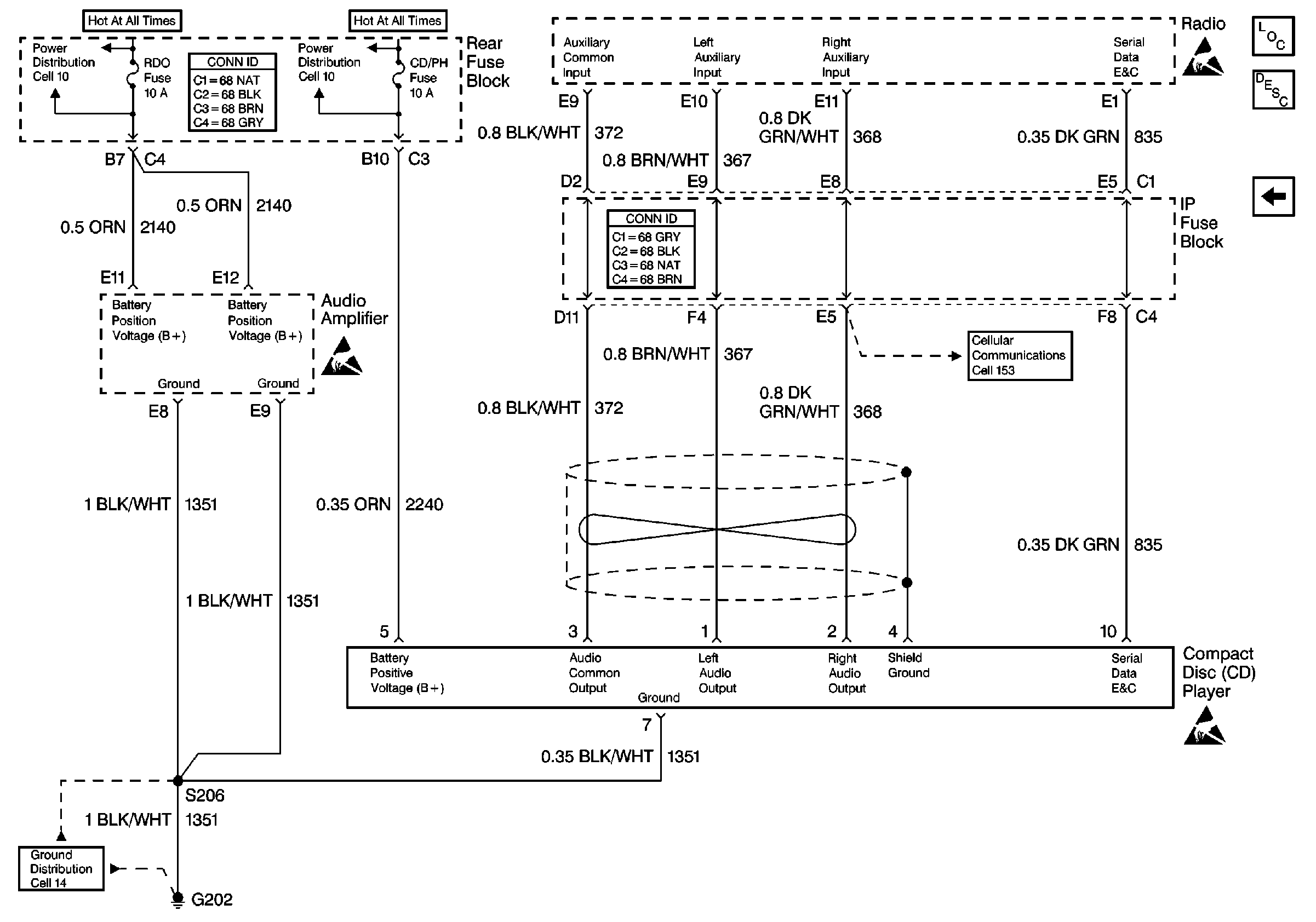
🢒 Cell 150: Compact Disc (CD) Player
Cell 150: Compact Disc (CD) Player
Cell 150: Compact Disc (CD) Player
Entertainment Components
Steering Wheel Controls System Circuit Description
Cell 150: Speakers (w/U99)
Power Distribution Schematics
Power Distribution Schematics
Ground Distribution Schematics
Cellular Telephone Schematics
Entertainment Connector End Views
Entertainment Connector End Views
Handling ESD Sensitive Parts Notice
Handling ESD Sensitive Parts Notice
Handling ESD Sensitive Parts Notice