GM Service Manual Online
For 1990-2009 cars only
Makes
🢒
Buick
🢒
2000
🢒
Park Avenue
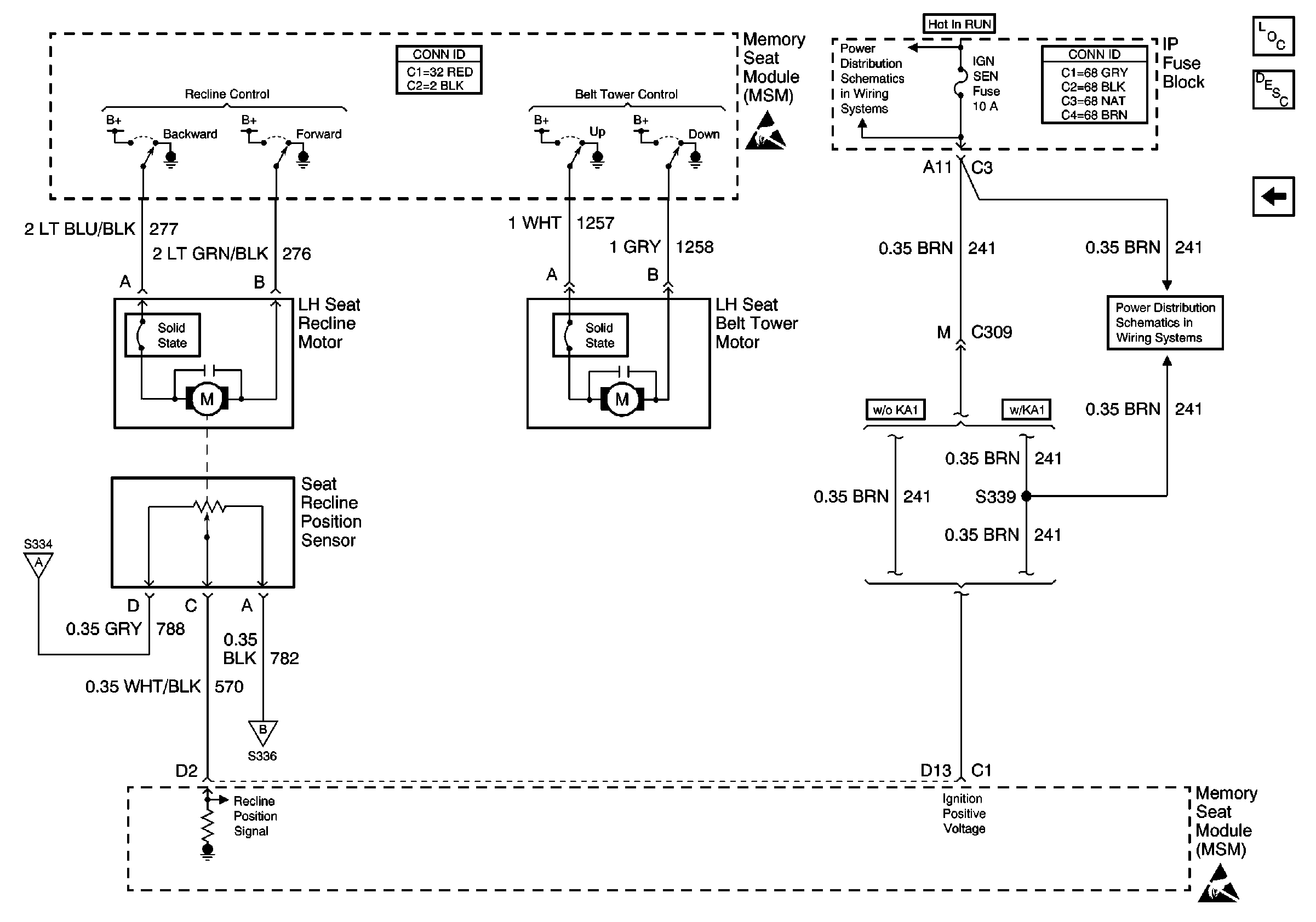
🢒 Memory Seats Schematics: LH Seat Recline and Belt Tower Motors
Memory Seats Schematics: LH Seat Recline and Belt Tower Motors
Memory Seats Schematics: LH Seat Recline and Belt Tower Motors
Power Seat Component Views
Memory Seat Circuit Description
Power Seats Schematics: RH Power Seat
Handling ESD Sensitive Parts Notice
Handling ESD Sensitive Parts Notice
Power Distribution Schematics
Power Distribution Schematics
Memory Seats Schematics: LH Seat Motors
Memory Seats Schematics: LH Seat Motors