GM Service Manual Online
For 1990-2009 cars only
Makes
🢒
Buick
🢒
2000
🢒
Park Avenue
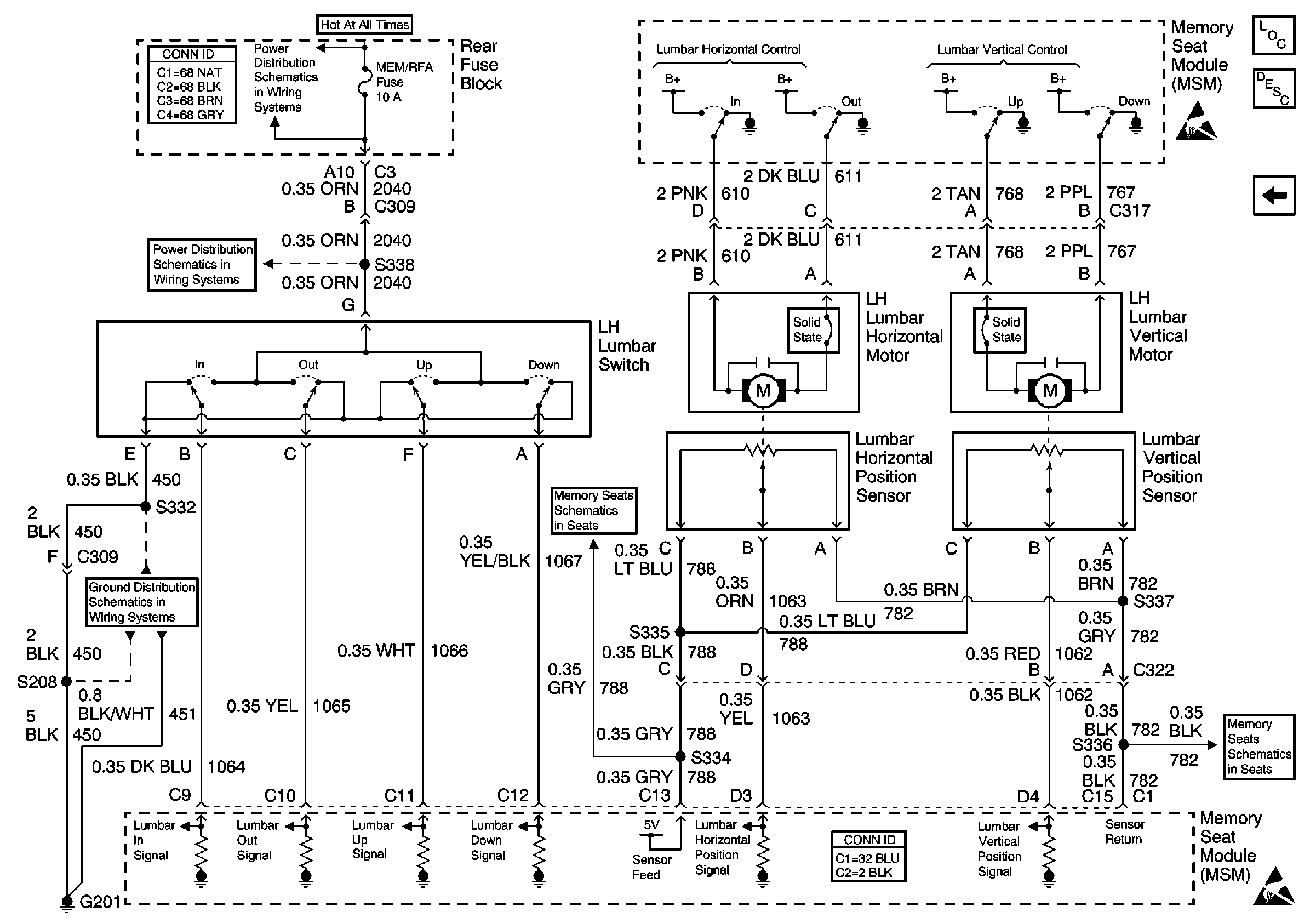
🢒 Lumbar Support Schematics: Memory Lumbar
Lumbar Support Schematics: Memory Lumbar
Lumbar Support Schematics: Memory Lumbar
Power Seat Component Views
Power Lumbar Circuit Description
Lumbar Support Schematics: Power Lumbar
Handling ESD Sensitive Parts Notice
Handling ESD Sensitive Parts Notice
Power Distribution Schematics
Power Distribution Schematics
Ground Distribution Schematics
Memory Seats Schematics
Memory Seats Schematics