GM Service Manual Online
For 1990-2009 cars only
Makes
🢒
Buick
🢒
2000
🢒
Park Avenue
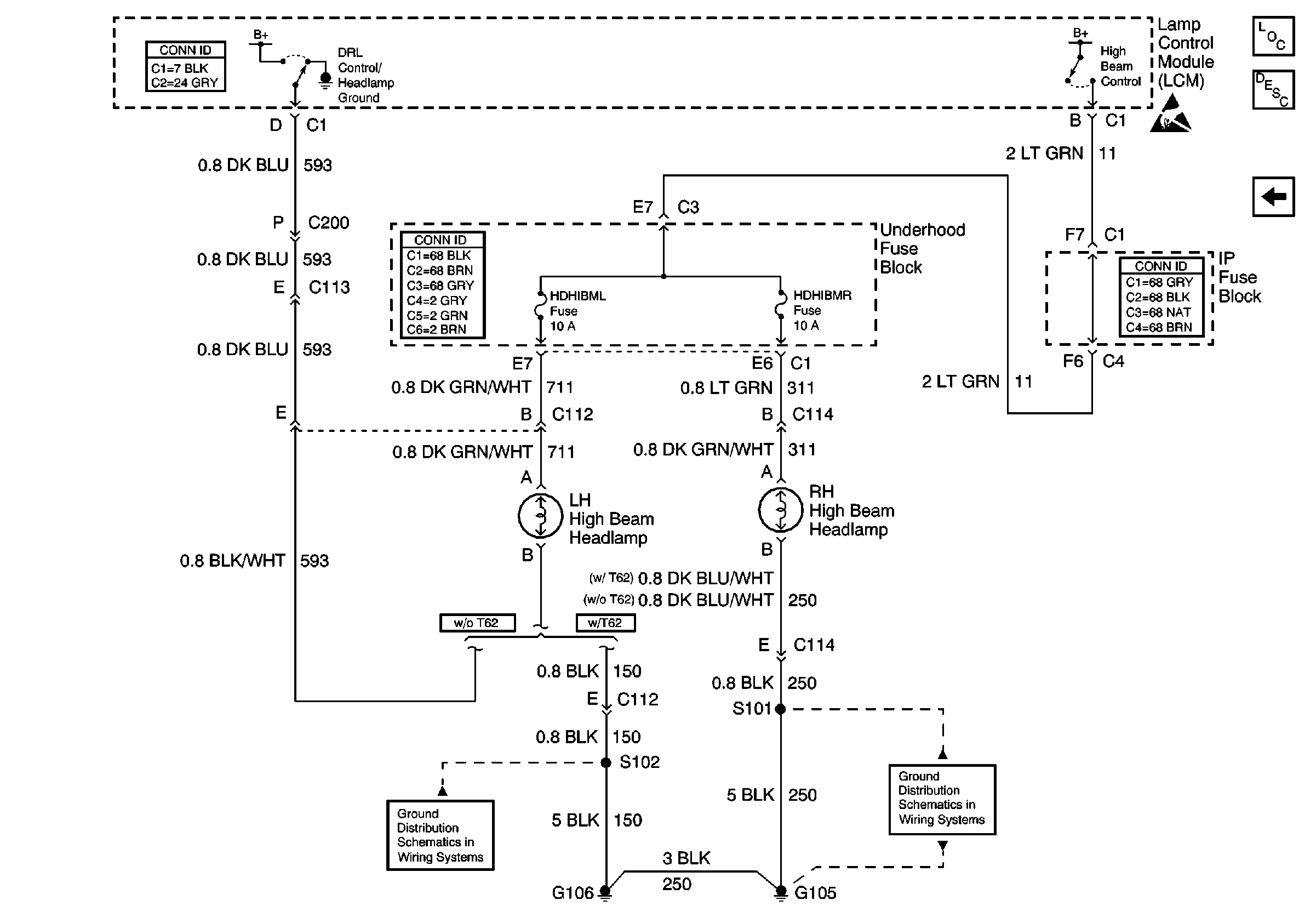
🢒 High Beam Headlamps and Daytime Running Lamps (DRL)
High Beam Headlamps and Daytime Running Lamps (DRL)
High Beam Headlamps and Daytime Running Lamps (DRL)
Lighting Systems Components
Headlights Circuit Description
Low Beam Headlamps
Handling ESD Sensitive Parts Notice
G104 and G106
G105