GM Service Manual Online
For 1990-2009 cars only
Makes
🢒
Buick
🢒
2000
🢒
Park Avenue
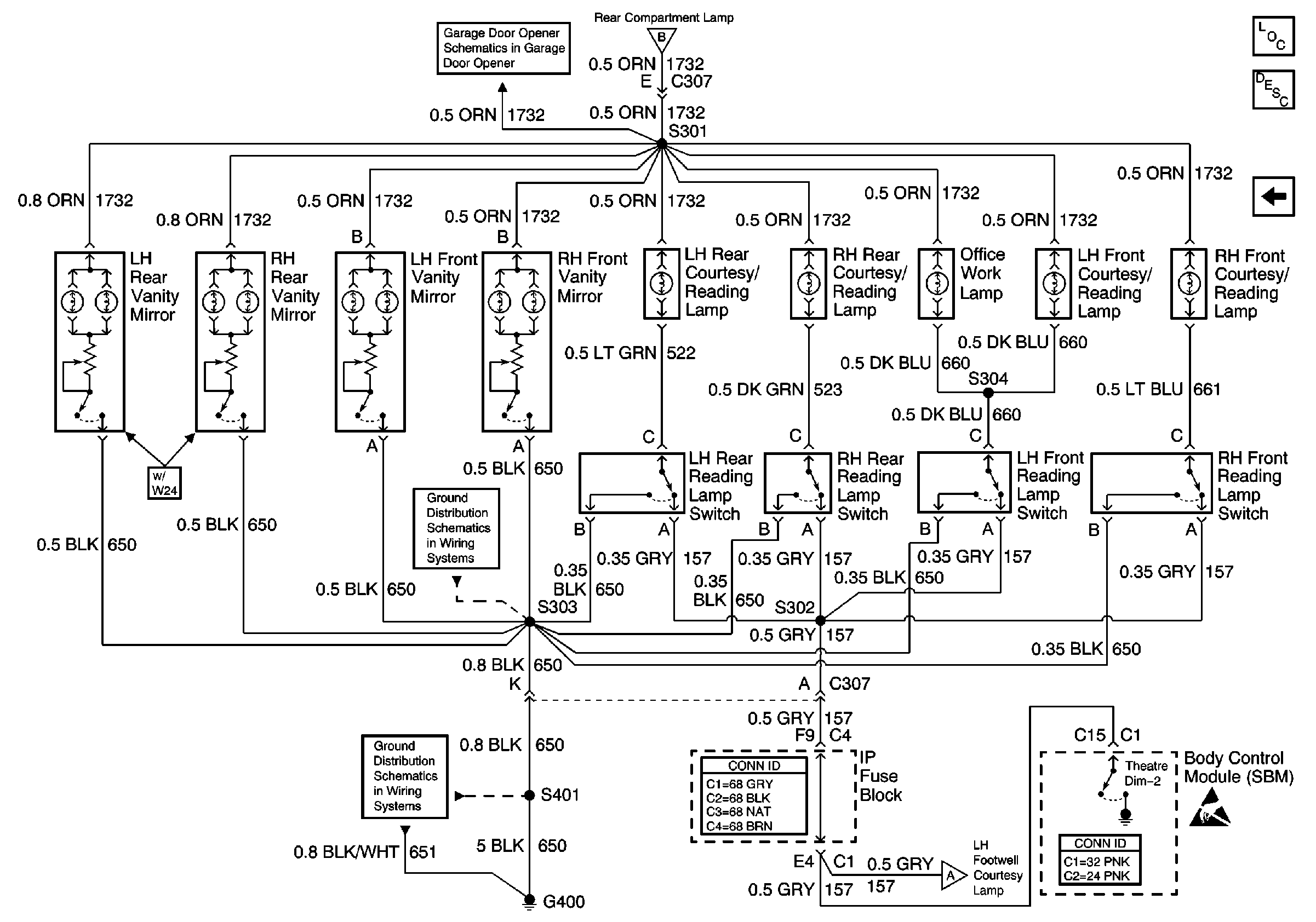
🢒 Vanity Mirrors and Courtesy/Reading Lamps
Vanity Mirrors and Courtesy/Reading Lamps
Vanity Mirrors and Courtesy/Reading Lamps
Lighting Systems Components
Interior Lights Circuit Description
Auxiliary Lighting Control, RH Door Courtesy Lamps, and Rear Compartment LAmp
2000 C-Garage Door Opener Schematic
Auxiliary Lighting Control, RH Door Courtesy Lamps, and Rear Compartment LAmp
G400, 2 of 2
G400, 1 of 2
Courtesy Lamp Switch, LH Door Courtesy Lamps, and IP Compartment Lamp
Handling ESD Sensitive Parts Notice