GM Service Manual Online
For 1990-2009 cars only
Makes
🢒
Buick
🢒
2000
🢒
Park Avenue
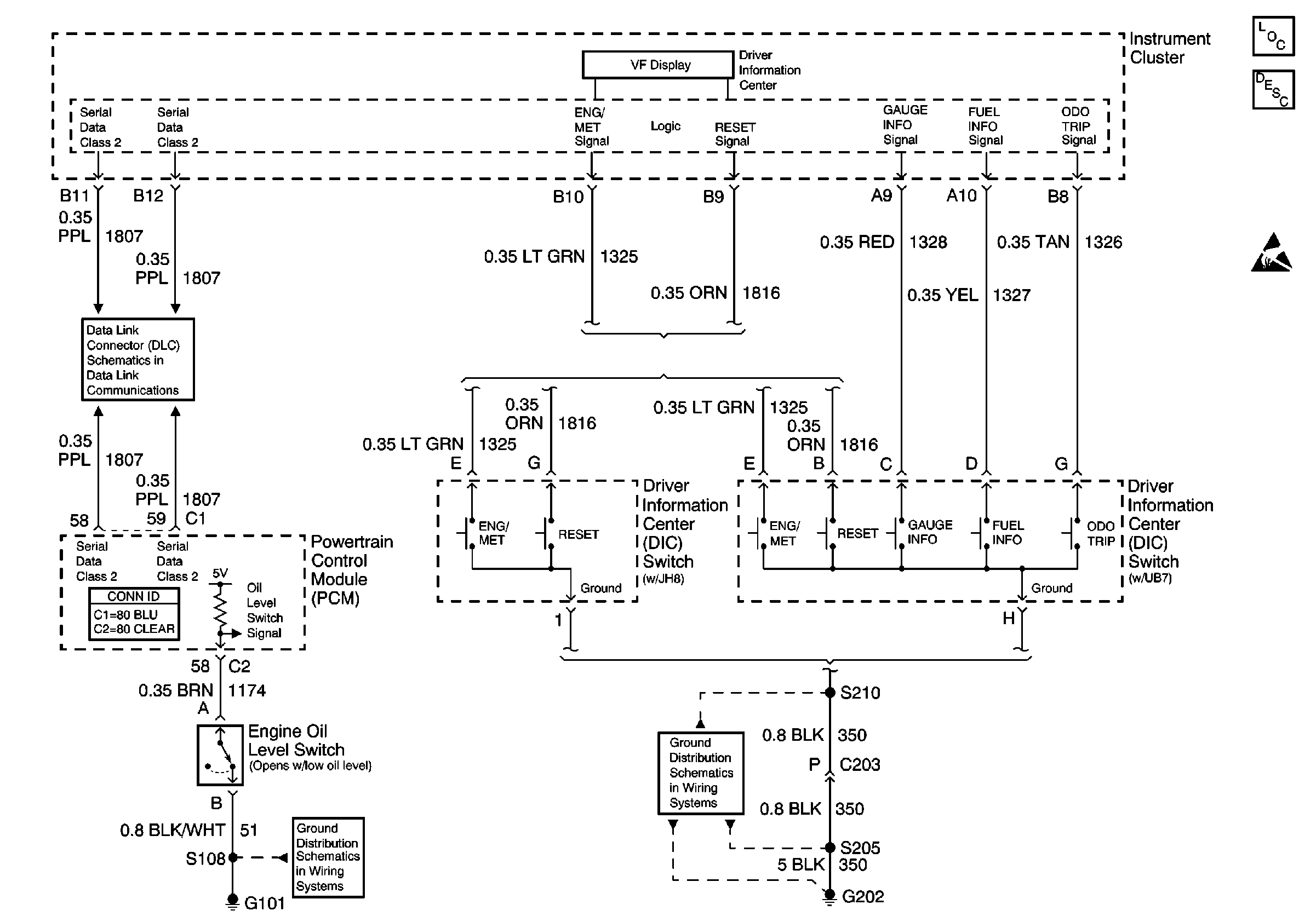
🢒 Driver Information Center
Driver Information Center
Driver Information Center
Instrument Cluster and HUD Component Views
Driver Information Center (DIC) or Message Center Operation
Air Bag, Brake, High Beam, Lamp, and Turn Signal Indicators
Class 2 Serial Data Line
G100, G101, G102, G103
G202, 4 of 4