GM Service Manual Online
For 1990-2009 cars only
Makes
🢒
Buick
🢒
2000
🢒
Park Avenue
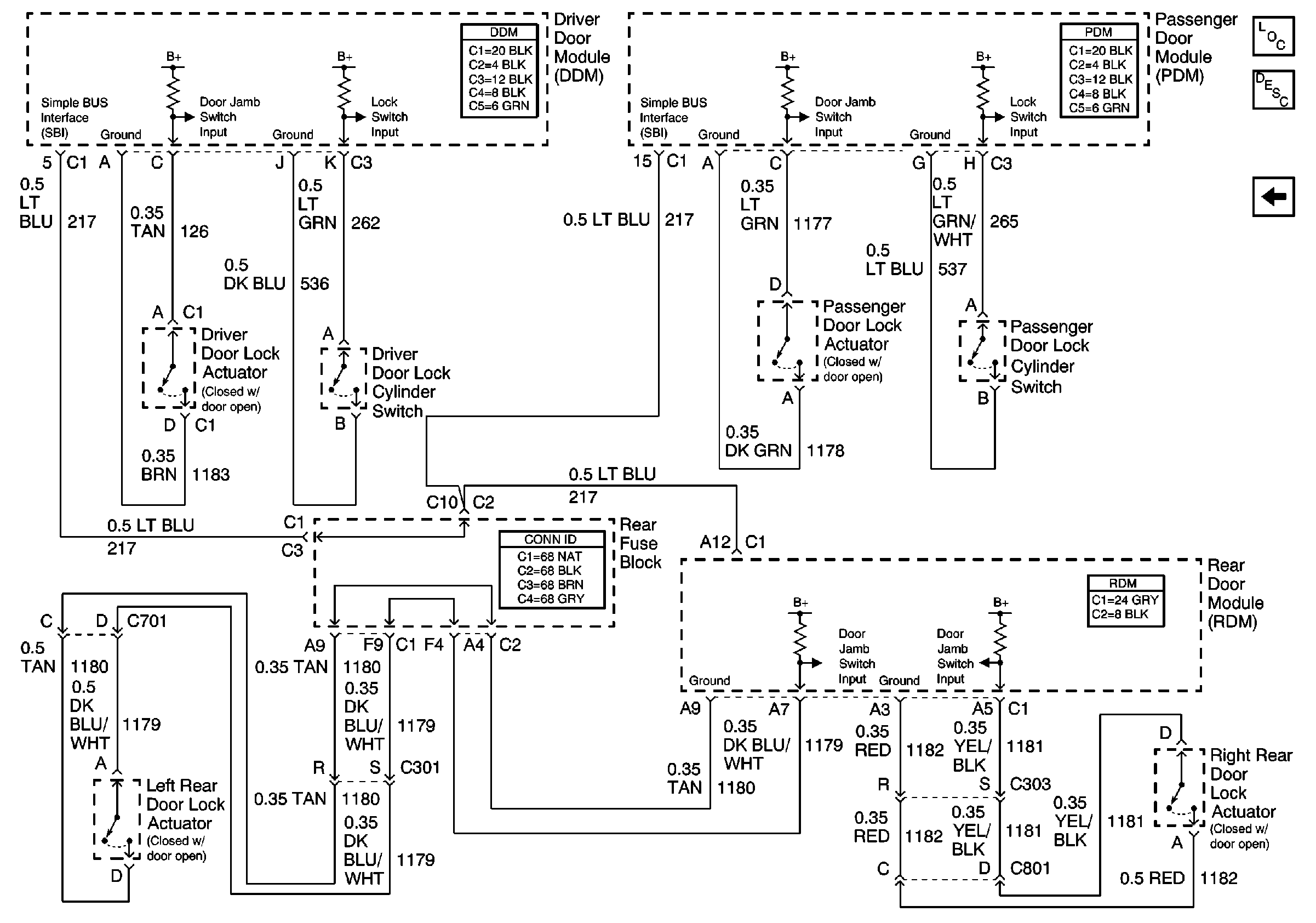
🢒 Door Jamb Switches
Door Jamb Switches
Door Jamb Switches
Theft Deterrent System Components
Content Theft Deterrent (CTD) Circuit Description
Content Theft Deterrent