GM Service Manual Online
For 1990-2009 cars only

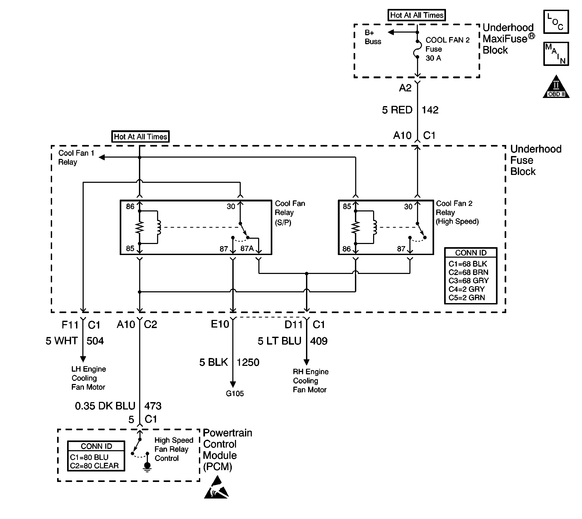
Object Number: 636587  Size: LF
Engine Controls Components
Engine Cooling Fan Motor Controls
OBD II Symbol Description Notice
Handling ESD Sensitive Parts Notice

Circuit Description

Output driver modules (ODMs) are used by the PCM to turn on many of the current-driven devices that are needed to control various engine and transaxle functions. Each ODM is capable of controlling up to 7 separate outputs by applying ground to the device which the PCM is commanding ON. Unlike the quad driver modules (QDMs) used in prior model years, ODMs have the capability of diagnosing each output circuit individually. DTC P0481 set indicates an improper voltage level has been detected on ODM B output 2, which controls the high speed and series/parallel cooling fan relays.

Conditions for Running the DTC

The ignition is ON.

Conditions for Setting the DTC

    • An improper voltage level has been detected on the Fan relay 1 control circuit.
    • The above conditions present for at least 30 seconds.

Action Taken When the DTC Sets

    • The PCM will illuminate the malfunction indicator lamp (MIL) during the second consecutive trip in which the diagnostic test has been run and failed.
    • The PCM will store conditions which were present when the DTC set as Freeze Frame/Failure Records data.

Conditions for Clearing the MIL/DTC

    • The PCM will turn OFF the malfunction indicator lamp (MIL) during the third consecutive trip in which the diagnostic has run and passed.
    • The history DTC will clear after 40 consecutive warm-up cycles have occurred without a malfunction.
    • The DTC can be cleared by using a scan tool.

Diagnostic Aids

Check for the following conditions:

    • Poor connection at PCM - Inspect harness connectors for the following items:
       - Backed out terminals
       - Improper mating
       - Broken locks
       - Improperly formed or damaged terminals
       - Poor terminal to wire connections
    • Damaged harness - Inspect the wiring harness for damage.
    • If the harness appears to be OK, disconnect the PCM, turn the ignition ON and observe a digital multimeter connected between the Fan 2 driver circuit and ground at the PCM harness connector while moving connectors and wiring harnesses related to the series/parallel fan relay and the high speed fan relay. A change in voltage will indicate the location of the fault.

Review the Freeze Frame/Failure Records vehicle mileage since the diagnostic test last failed. This may help determine how often the condition that caused the DTC to be set occurs.

Test Description

The numbers below refer to the step numbers on the diagnostic table.

  1. The Powertrain OBD System Check prompts you to complete some basic checks and store the Freeze frame/Failure Records data on the scan tool.

  2. Listen for an audible click when the relay operates. Command both the ON and OFF states. Repeat the commands as necessary.

  3. Tests for voltage at the coil feed side of the relays.

  4. Verifies that the PCM is providing ground to the relays.

  5. Tests if ground is constantly being applied to the relays.

  6. The PCM utilizes Electrically Erasable Programmable Read Only Memory (EEPROM). When the PCM is replaced, the new PCM must be programmed.

Step

Action

Values

Yes

No

1

Did you perform the Powertrain On-Board Diagnostic (OBD) System Check?

--

Go to Step 2

Go to Powertrain On Board Diagnostic (OBD) System Check

2

Important: If you cannot determine if the relays are responding to the command, observe the fans. When high speed relay is commanded ON, both fans should operate in low speed and after several seconds both fans should switch to high speed. If the fans are not operating properly continue with step 3 of this chart.

  1. Turn ON the ignition, with the engine OFF.
  2. With a scan tool, command the high speed relay ON and OFF.

Do the high speed and the series/parallel relays turn ON after several seconds and OFF with each command?

--

Go to Diagnostic Aids

Go to Step 3

3

  1. Turn OFF the ignition.
  2. Disconnect the high speed and series/parallel relays.
  3. Turn ON the ignition, with the engine OFF.
  4. Probe the coil feed circuits of each relay with a test lamp that is connected to a good ground.

Does the test lamp illuminate for both circuits?

--

Go to Step 4

Go to Step 10

4

  1. Connect a test lamp between the control circuits of each relay and the coil feed circuit of each relay.
  2. With a scan tool, command the high speed relay ON and OFF .

Does the test lamp turn ON after several seconds and OFF with each command for both relays?

--

Go to Step 8

Go to Step 5

5

Does the test lamp remain illuminated with each command when probing either feed circuit?

--

Go to Step 7

Go to Step 6

6

Test the control circuits of each relay for a short to voltage or an open. Refer to Wiring Repairs in Wiring Systems.

Did you find and correct the condition?

--

Go to Step 13

Go to Step 9

7

Test the control circuits of each relay for a short to ground. Refer to Wiring Repairs in Wiring Systems.

Did you find and correct the condition?

--

Go to Step 13

Go to Step 9

8

Inspect for poor connections at the relays. Refer to Testing for Intermittent Conditions and Poor Connections and Connector Repairs in Wiring Systems.

Did you find and correct the condition?

--

Go to Step 13

Go to Step 11

9

Inspect for poor connections at the PCM. Refer to Testing for Intermittent Conditions and Poor Connections and Connector Repairs in Wiring Systems.

Did you find and correct the condition?

--

Go to Step 13

Go to Step 12

10

Repair the feed circuit of the affected relay. Refer to Wiring Repairs in Wiring Systems.

Did you complete the replacement?

--

Go to Step 13

--

11

Replace the effected relay. Refer to Engine Cooling Fan Relay Replacement

Did you complete the replacement?

--

Go to Step 13

--

12

Important: The replacement PCM must be reprogrammed.

Replace the PCM. Refer to Powertrain Control Module Replacement/Programming .

Did you complete the replacement?

--

Go to Step 13

--

13

  1. Use the scan tool in order to clear the DTCs .
  2. Operate the vehicle within the Conditions for Running the DTC as specified in the supporting text.

Does the DTC reset?

--

Go to Step 2

System OK