GM Service Manual Online
For 1990-2009 cars only

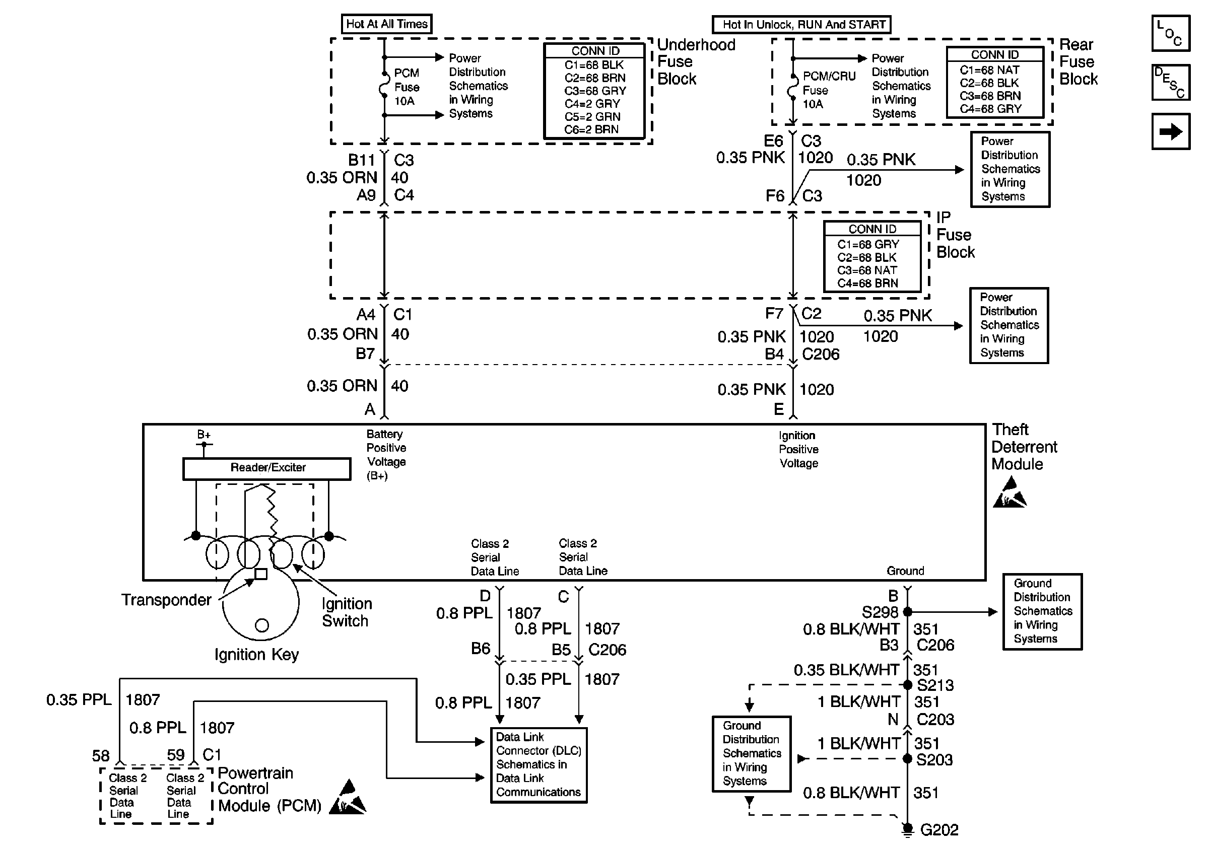
Schematic

Refer to Theft Deterrent System Schematics

PASS-Key® III


Object Number: 566514  Size: FS
Theft Deterrent System Components
Vehicle Theft Deterrent (VTD) Description
Content Theft Deterrent
Underhood Fuse Block and Underhood Maxi-Fuse Block
Underhood Fuse Block, RUN/CRANK Fuse and IGN-1 Relay
Underhood Fuse Block, RUN/CRANK Fuse and IGN-1 Relay
Underhood Fuse Block, RUN/CRANK Fuse and IGN-1 Relay
Handling ESD Sensitive Parts Notice
Handling ESD Sensitive Parts Notice
Underhood Fuse Block, PCM, ABS, HAZARD, FUEL PUMP, PARKLMP Fuses And Fuel Pump Relay
G202, 1 of 4
Cell 14: G202 (CKT 351 2 of 2)
.

Circuit Description

When an ignition key is inserted into the ignition lock cylinder, the transponder embedded in the head of the key is energized by the exciter coils surrounding the ignition lock cylinder. The energized transponder transmits a signal that contains its unique value, which is received by the VTD (Pass-Key III®) Module . The VTD (Pass-Key III®) Module then compares this value to a value stored in memory (learned key code). If the value is correct the VTD (Pass-Key III®) Module sends the enable password via the class 2 serial data circuit to the PCM.

Conditions for Running the DTC

The ignition switch must be in RUN. The VTD (Pass-Key III®) Module cannot have DTC B1327 set as a current DTC.

Conditions for Setting the DTC

If the code from the ignition key does not match one stored in memory, the VTD (Pass-Key III®) Module sets this DTC. This code indicates the use of a key with a transponder that has not been learned by the VTD (Pass-Key III®) Module. The vehicle considers this to be a theft attempt.

Action Taken When the DTC Sets

  1. The VTD (Pass-Key III®) Module sends a class 2 message containing a disable password to the PCM.
  2. The vehicle will not start.
  3. The VTD (Pass-Key III®) Module sends a class 2 message to the instrument cluster to flash the SECURITY indicator.

Conditions for Clearing the MIL/DTC

The VTD (Pass-Key III®) Module clears the current status of the DTC when it senses a valid, memorized, key code from the ignition key (transponder).

Test Description

The numbers below refer to the step numbers on the diagnostic table:

  1. The key must be a Pass-Key® III transponder key with an operating transponder for the system to work.

  2. The only method to confirm whether the transponder in the key or the VTD (Pass-Key® III) Module is malfunctioning is to try a alternative component in the system. The vehicle was delivered with four keys.

  3. It is unlikely that more than one key will be defective. If all keys do not work, the VTD (Pass-Key® III) Module must be malfunctioning.

  4. If the vehicle has a malfunctioning VTD (Pass-Key® III) Module that malfunctioned during an ignition cycle, the system will be "fail enabled" and the vehicle will start for all keys. In this case the code B3055 will remain set and be current for all keys.

  5. If a new key must be tried, it must have the proper mechanical cut and the VTD (Pass-Key® III) Module must "learn" the transponder value.

  6. If only one key was available for the vehicle and the replacement key does not work, the VTD (Pass-Key® III) Module must be malfunctioning.

Step

Action

Yes

No

1

Did you perform the Theft Deterrent System Diagnostic System Check?

Go to Step 2

Go to Diagnostic System Check - Theft Deterrent

2

Inspect the vehicle's key for damage to the molded head and for PK3 embossed on the shank.

Is the head of the key damaged or missing the PK3 embossing?

Go to Step 7

Go to Step 3

3

Are more than one of the vehicle's keys available?

Go to Step 4

Go to Step 7

4

  1. Attempt to start the vehicle using all of the vehicle's available keys.
  2. With a scan tool, observe for any VTD DTCs.

Do any of the available keys start the vehicle?

Go to Step 5

Go to Step 9

5

Do all of the available keys cause DTC B3055 to set?

Go to Step 9

Go to Step 6

6

Do any of the available keys cause DTC B3055 to set?

Go to Step 7

Go to Diagnostic Aids

7

  1. Replace the damaged/inoperative/suspect key.
  2. Copy the mechanical cut of the available key on a Pass-Key® III replacement key.
  3. Perform the VTD (Pass-Key® III) Module learn procedure. Refer to Programming Theft Deterrent System Components .

Is the replacement complete?

Go to Step 8

--

8

Does the replacement key cause DTC B3055 to set?

Go to Step 9

Go to Step 10

9

Replace the VTD Module.

Perform the VTD (Pass-Key® III) Module learn procedure. Refer to Programming Theft Deterrent System Components .

Is the replacement complete?

Go to Step 10

--

10

Important: If a 10 Minute or 30 Minute Re-Learn procedure was performed, all keys not learned at that time have been erased and will not be recognized. Perform the quick learn procedure or instruct the customer on how to perform the quick learn procedure. Refer to Programming Theft Deterrent System Components .

  1. Use a scan tool in order to clear the DTCs
  2. Attempt to start the vehicle.

Does the DTC reset?

Go to Step 2

System OK