GM Service Manual Online
For 1990-2009 cars only

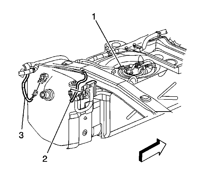
Removal Procedure


    Object Number: 899743  Size: SH
  1. Raise and suitably support the vehicle. Refer to Lifting and Jacking the Vehicle in General Information.
  2. Disconnect the fuel tank pressure sensor electrical connector (3).
  3. Open the retaining clip.
  4. Remove the fuel tank pressure sensor.

Installation Procedure


    Object Number: 899743  Size: SH
  1. Install the fuel tank pressure sensor.
  2. Close the retaining clip.
  3. Connect the fuel tank pressure sensor electrical connector (3).
  4. Lower the vehicle.