GM Service Manual Online
For 1990-2009 cars only
Makes
🢒
Buick
🢒
2004
🢒
Rainier - 2WD
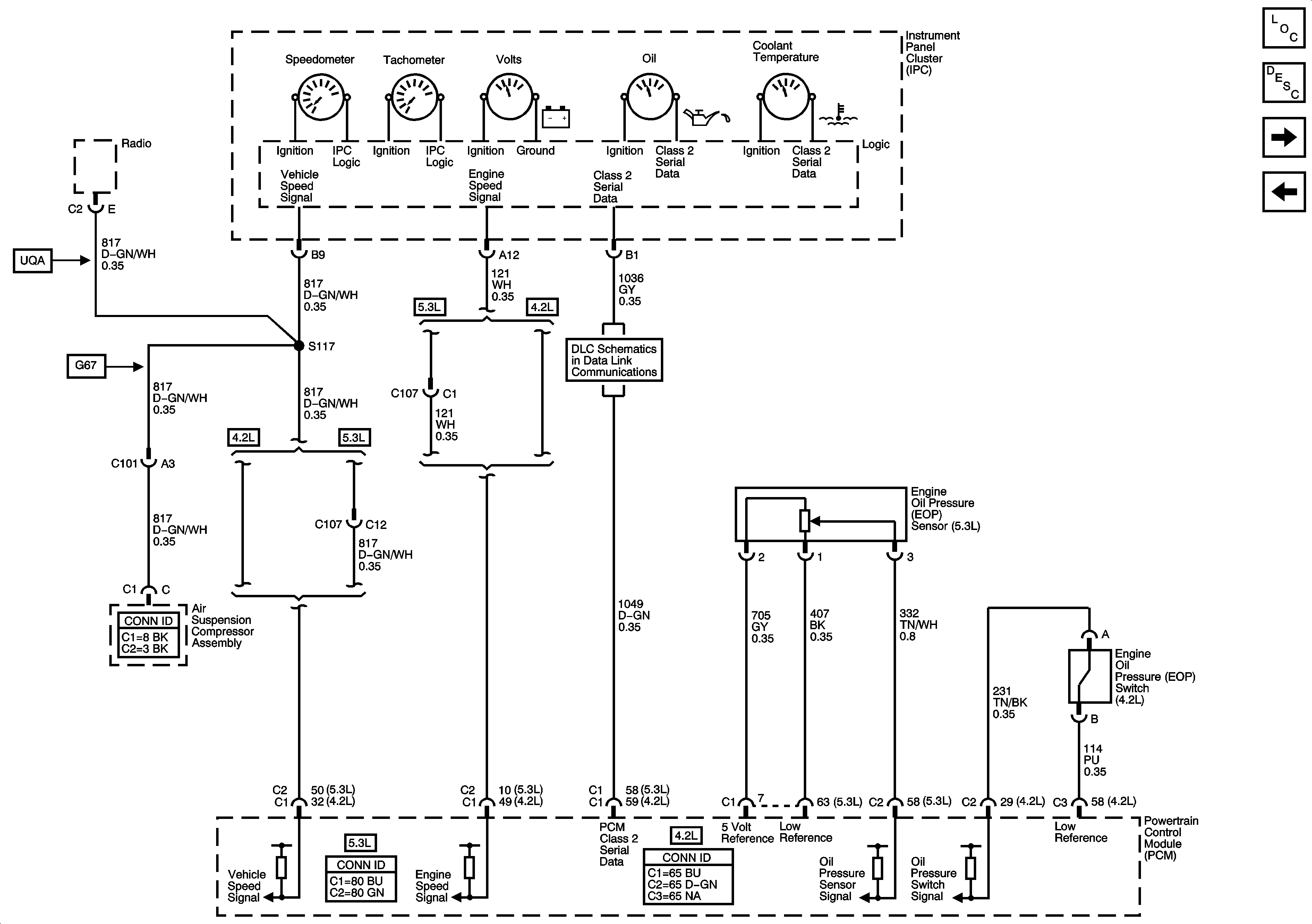
🢒 Gages
Gages
Gages
Master Electrical Component List
Instrument Cluster Description and Operation
Indicators and DIC Controls
Power, Ground, Serial Data, and MIL
Power, Ground, Data Link Connector, and SP205