GM Service Manual Online
For 1990-2009 cars only
Makes
🢒
Buick
🢒
2004
🢒
Rainier - 2WD
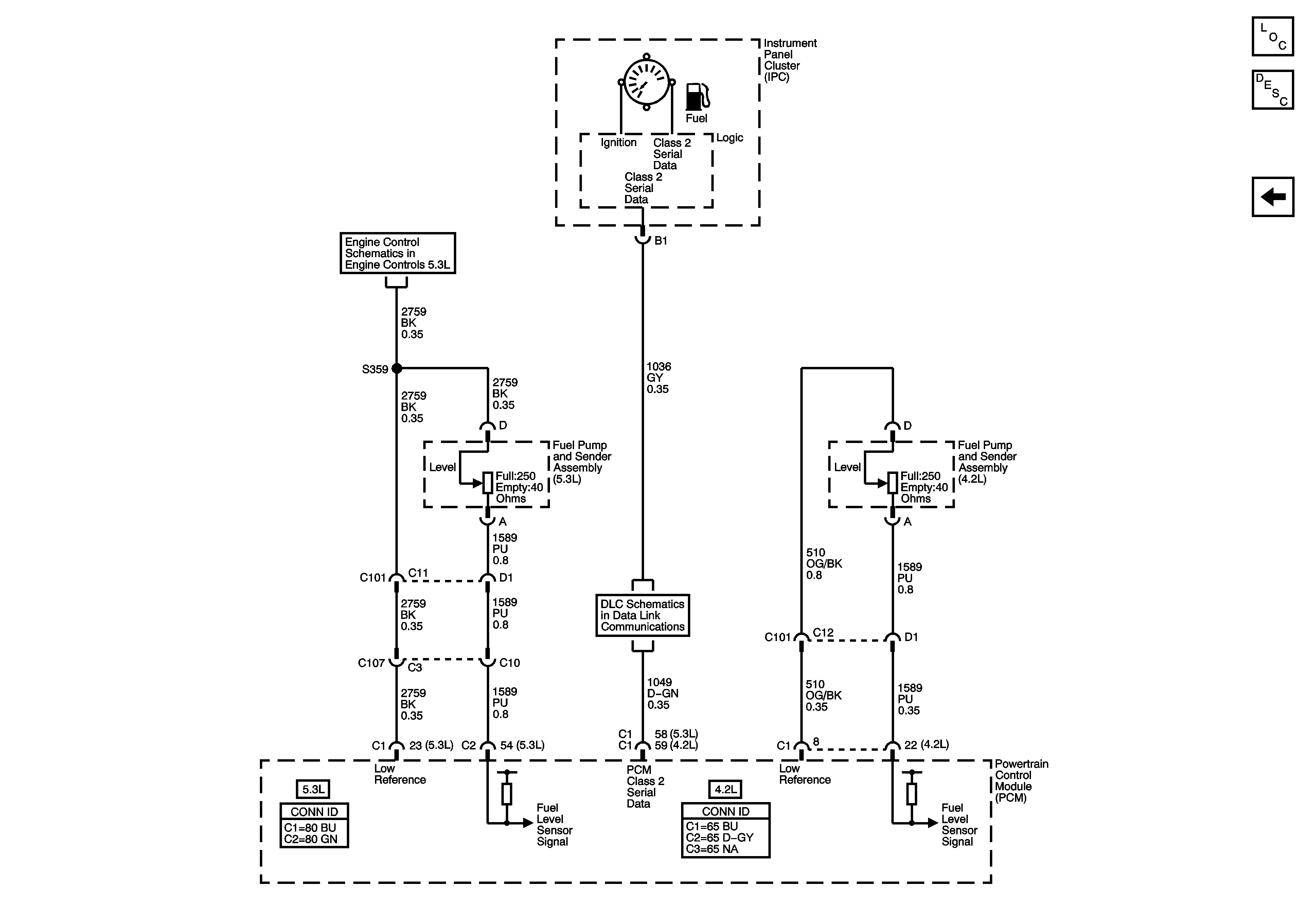
🢒 Fuel Gage
Fuel Gage
Fuel Gage
Master Electrical Component List
Instrument Cluster Description and Operation
Indicators and DIC Controls
Engine Data Sensors - 5 Volt and Low Reference
Power, Ground, Data Link Connector, and SP205