GM Service Manual Online
For 1990-2009 cars only
Makes
🢒
Buick
🢒
2004
🢒
Rainier - 2WD
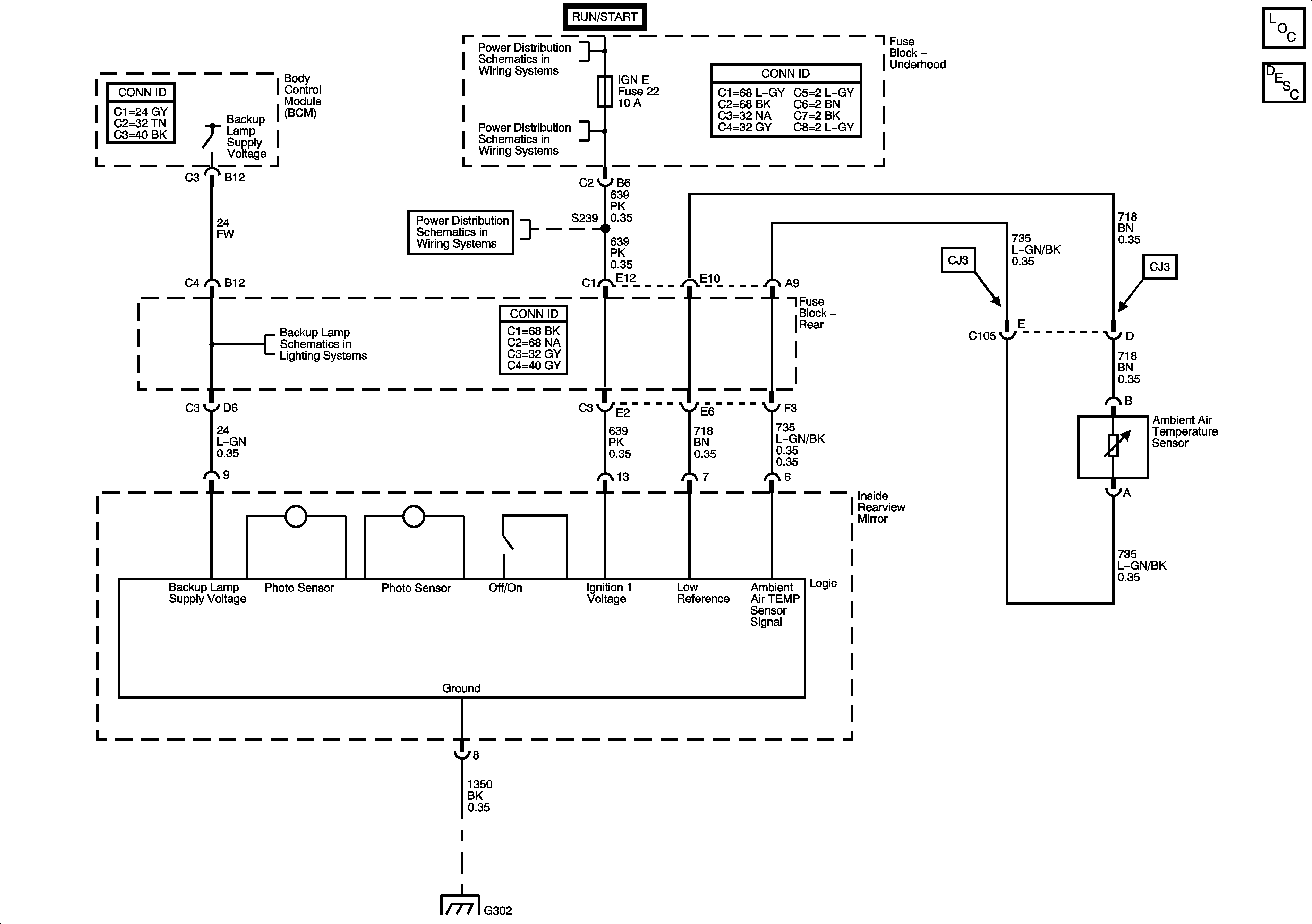
🢒 04 S/T Utility Inside Rearview Mirror Schematics
04 S/T Utility Inside Rearview Mirror Schematics
Master Electrical Component List
Automatic Day-Night Mirror Description and Operation
ACCY/RUN and RUN/START Bus Bars
IGN E, TBC IGN 1, BACKUP, BTSI, and TRLR B/U Fuses
IGN E, TBC IGN 1, BACKUP, BTSI, and TRLR B/U Fuses
Backup Lamps
G302 - 2 of 2