GM Service Manual Online
For 1990-2009 cars only
Makes
🢒
Buick
🢒
2006
🢒
Rainier - 2WD
🢒
Driveline/Axle
🢒
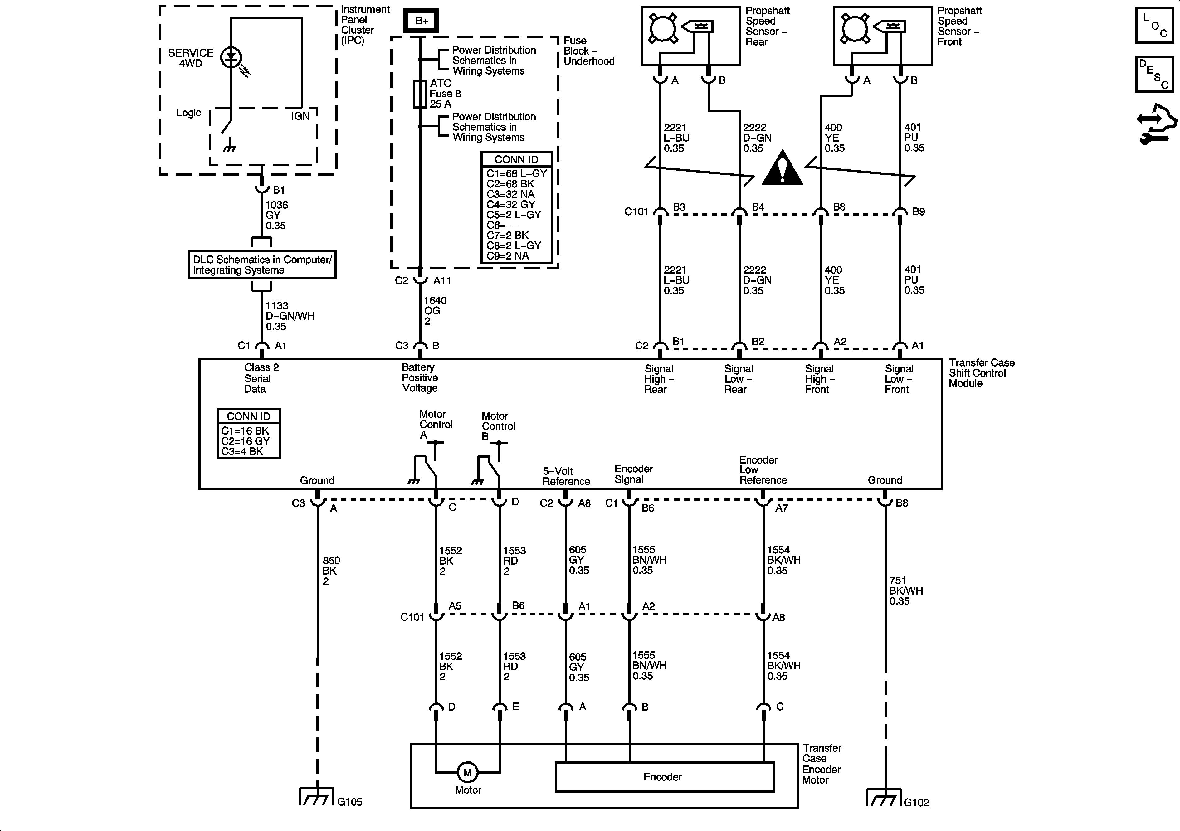
Transfer Case - NVG 126-NP4
🢒 Transfer Case Control Schematics
Master Electrical Component List
Transfer Case Description and Operation
Control Module References
SP205
Underhood Fuse Block
ABS, ATC, BLWR, ECAS, ELEC BRK, HAZRD, IPC/DIC, LTR, STOP LAMP, TRLR, VEH CHMSL, VEH STOP, and VSES Fuses
Transfer Case Control Schematic Icons
G104, G105, and G107
G102