GM Service Manual Online
For 1990-2009 cars only

INSUFFICIENT COOLING AT IDLE PARTS AND PROCEDURES

SUBJECT: INSUFFICIENT A/C COOLING - INSTALL PUSHER FAN ------- MODELS AFFECTED: 1986-88 RIVIERAS ---------------

NOTICE: This bulletin is being revised to include part numbers for the fan bracket screws and isolators. Please discard 88-1-9 and replace with this bulletin.

Some 1986-88 Rivieras built prior to VIN JU405026 and 1986-88 Toronados may experience a condition of insufficient air conditioning cooling at idle or while driving at low speeds in high ambient temperatures and humidity. This condition may be caused by reduced air flow across the condenser. To repair this condition, install a pusher fan and reduce the refrigerant charge level to 2 3/8 lbs. using the following parts and procedure:

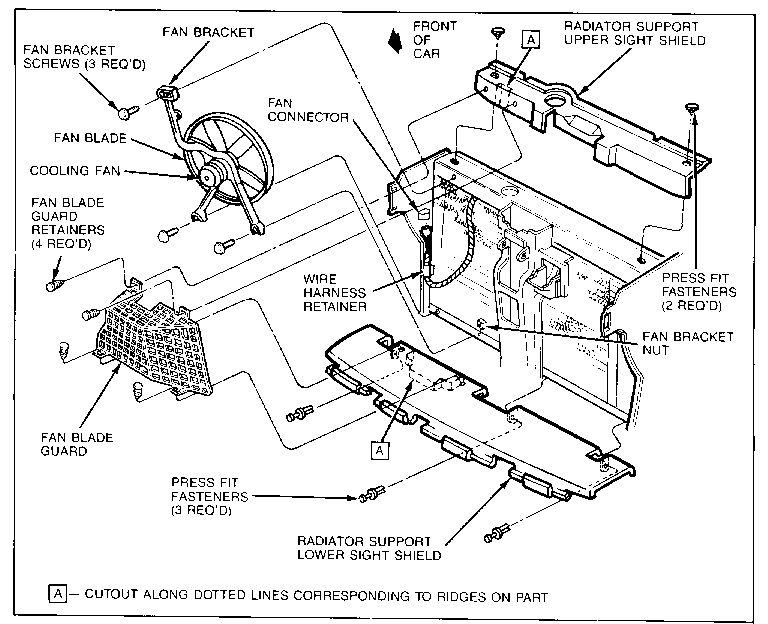
PARTS REQUIRED PART NUMBER -------------- ----------- 3 Fan Bracket Screws 11504612 1 Fan Bracket Nut 11509005 1 Cooling Fan 22054216 1 Fan Motor 22054217 (Includes 1 Nut) 1 Fan Bracket 22054218 3 fan bracket screws 22034870 3 fan bracket isolators 22523609 1 Fan Blade Guard 25526480 4 Fan Blade Guard Retainers 411700 1 Cooling Fan Relay 14100455 *1 Refrigerant Charge Label 1646731

* Some 1988 Rivieras before breakpoint may have new label. Check label Part number before ordering new label.

PROCEDURE

1. Assemble cooling fan motor, bracket, blade, and isolators on bench.

2. Disconnect pusher fan electrical connector from holder.

3. Remove wiring harness from retainer then remove the retainer and install it on upper leg of fan bracket.

4. Remove plastic radiator support lower sight shield and cut along underside pattern ridge to provide space for the pusher fan (See Illustration).

5. Remove plastic upper radiator support upper sight shield and cut along backside etched lines on both sides of "part without cutout" to provide space for upper pusher fan bracket leg (See Illustration).

6. Remove and discard screw from the lower left position and install cooling fan bracket nut, Part Number 11509005, in the lower right position.

7. Install cooling fan assembly on car using three screws, Part Number 11504612.

8. Connect electrical connector to the fan motor and position wiring harness in retainer.

9. Reinstall cut plastic front sheet metal shield and upper radiator support bracket shield.

10. Position fan blade guard in proper position and drill four 7/32" attachment holes into the plastic shields and install the four fan blade guard retainers, Part Number 411700.

11. Install cooling fan relay in position "D" of underhood relay center.

NOTICE: One diagonal brace screw must be removed and the brace relocated to gain access to the underhood relay center on 1988 Rivieras.

12. Discharge, evacuate, and charge A/C system to 2 3/8 lbs.

13. Clean off current refrigerant charge label and install new label, Part Number 1646731, over the old label.

WARRANTY INFORMATION

Labor Operation Number: T5173 Labor Time: 1.2 hour (includes .5 hour to discharge, evacuate, and charge A/C system) Trouble Code: 92


Object Number: 89526  Size: MF

General Motors bulletins are intended for use by professional technicians, not a "do-it-yourselfer". They are written to inform those technicians of conditions that may occur on some vehicles, or to provide information that could assist in the proper service of a vehicle. Properly trained technicians have the equipment, tools, safety instructions and know-how to do a job properly and safely. If a condition is described, do not assume that the bulletin applies to your vehicle, or that your vehicle will have that condition. See a General Motors dealer servicing your brand of General Motors vehicle for information on whether your vehicle may benefit from the information.