GM Service Manual Online
For 1990-2009 cars only

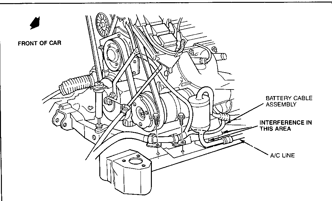
A/C SYSTEMS DISCHARED OR A/C LINE CONTACTS BATTERY CABLE

MODELS AFFECTED: 1989 RIVIERAS

Some 1989 Rivieras built after VIN 1G4EZ11C5KU411752 thru end of production may experience a condition of the A/C system discharged due to a cracked or worn A/C line near the compressor, or an underhood knock on hard acceleration due to interference between the battery cable and the A/C line near the A/C compressor. Use following procedures:

When repairing the knock on hard acceleration or when servicing the A/C line or battery cable, route the battery cable near the A/C compressor at the front right motor mount. Refer to Figure 1. This should provide clearance to the A/C line when the engine is rocked on the motor mount.

The battery cable may be rerouted by loosening the two frame attaching clips and moving the cable as far to the passenger side of the car as possible.

Reposition the frame attaching clips and secure them in the original frame holes.

Be certain that the cable assembly does not interfere with the accessory drive belt.


Object Number: 85355  Size: FS

General Motors bulletins are intended for use by professional technicians, not a "do-it-yourselfer". They are written to inform those technicians of conditions that may occur on some vehicles, or to provide information that could assist in the proper service of a vehicle. Properly trained technicians have the equipment, tools, safety instructions and know-how to do a job properly and safely. If a condition is described, do not assume that the bulletin applies to your vehicle, or that your vehicle will have that condition. See a General Motors dealer servicing your brand of General Motors vehicle for information on whether your vehicle may benefit from the information.