GM Service Manual Online
For 1990-2009 cars only

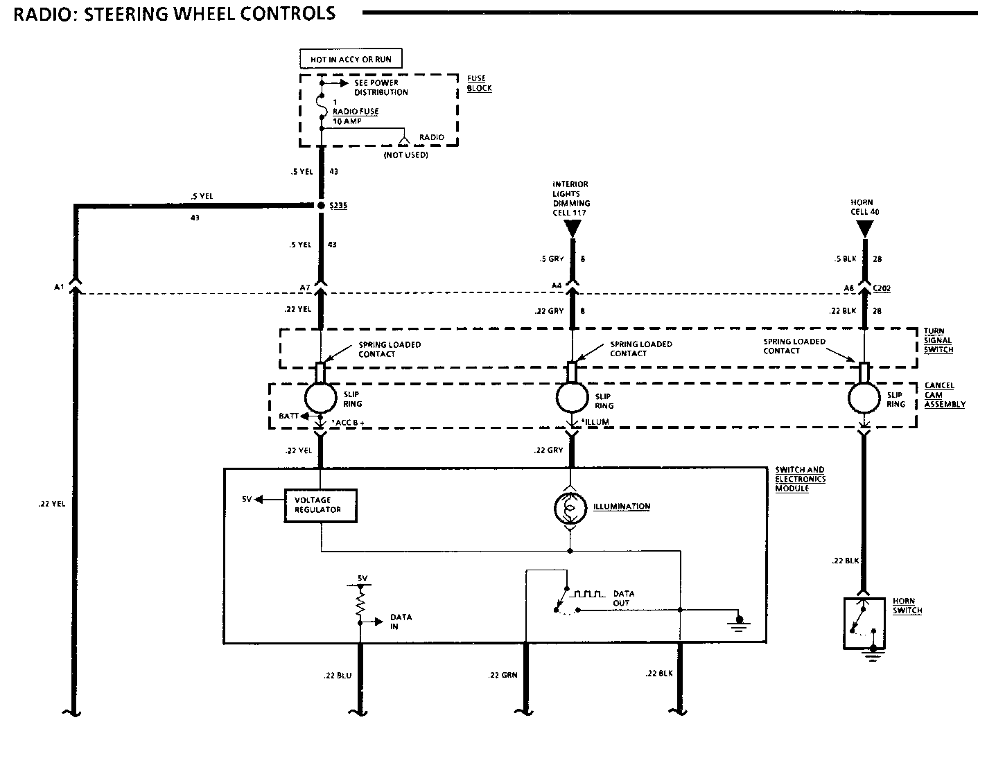
ELECTRICAL DIAGNOSIS OF THE RADIO

VEHICLES AFFECTED: 1989 BUICK REGAL AND PONTIAC GRAND PRIX

Substitute revised pages as indicated below for the following 1989 Buick Regal and 1989 Pontiac Grand Prix Manuals.

1989 Buick Manual, Pages 8A-150-1, 17 through 20B, and 34 through 38B for pages 8A-150-1, 17 through 20, and 34 through 38

1989 Pontiac Grand Prix Manual, Pages 8A-150-4, 5, 18 through 27B for pages 8A-150-4,5, 18 through 27.

RADIO SYSTEM DIAGNOSIS

G: NONE OF THE STEERING WHEEL CONTROLS OPERATE (Continued from previous page)

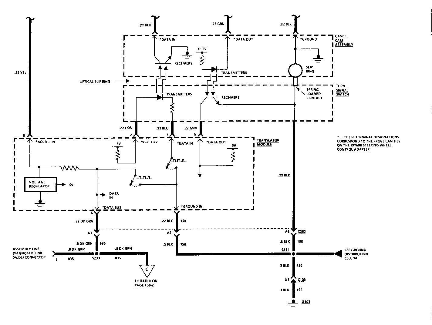
TURN/SIGNAL SWITCH OPTICAL TEST ------------------------------- - Remove the Cancel Cam Assembly - Ignition Switch in ACCY or RUN - Cover one of the Turn Signal Switch Receiver/Transmitters with black electrical tape - Aim an incandescent light at the Turn Signal Switch Light Receiver/Transmitter (a flashlight will do) - Measure voltage at ALDL Connector terminal J (DK GRN)

Is the measurement approximately 1 volt or less? | | | YES ----------------------------------- NO | | | | | | - Repeat the above instructions with the Replace the Turn opposite Turn/Hazard Switch Receiver/ Signal Switch Assembly Transmitter covered

Is the measurement approximately 1 volt or less? | | | YES ----------------------------------- NO | | | | | | - Replace the Turn Signal Cancel Cam Replace the Turn Assembly. See Service Parts Operations Signal Switch Assembly Book for required special lubricant.

G: NONE OF THE STEERING WHEEL CONTROLS OPERATE (Continued from previous page)

ISOLATION TEST

- Perform only the step referenced (See Figure)

A. - Ignition in ACCY or RUN - Disconnect the Steering Wheel Control Head from the J37608 while leaving the Cancel Cam Assembly connected.

If battery voltage, replace the Cancel Cam Assembly. See Service Parts Operations Book fro required special lubricant.

If 0 volts, replace the Steering Wheel Control Head.

B. - Ignition Switch in OFF - Disconnect the HTR-A/C and Radio Control Interface Module from the J37608 while leaving the Turn Signal Switch side of the J37608 connector. - Ohm meter on low ohm scale.

If infinite ohms, replace the HTR-A/C and Radio Control Interface Module.

If not infinite ohms, replace the Turn Signal Switch and HTR-A/C and Radio Control Interface Module.

Test Explanations: Step A is checking for a short to ground in the Cancel Cam Assembly. If battery voltage appears, the Cancel Cam is shorted to ground. If zero volts are measured, the Steering Wheel Controls are either shorted to ground or open.

Step B is checking for a short to ground in the Turn Signal Switch. If resistance measurement is not infinite, the Turn Signal Switch is shorted and the HTR-A/C and Translator Module is also defective. If resistance is infinite, the HTR-A/C and Translator Module 5 volt regulated supply is not operating.

G: NONE OF THE STEERING WHEEL CONTROLS OPERATE (Continued from previous page)

- Disconnect jumper from the previous step

- Jumper ALDL terminal J (DK GRN) to ground

- Measure in numerical order

- If all checks are OK, replace the Steering Wheel Control Head

Test Explanation: The jumper at ALDL terminal J simulates a data signal from the Radio. If the DK GRN (835) wire is OK, a ground signal will appear at the J37608 "DATA BUS" terminal. If the Translator Module is OK, a ground signal will appear at the J37608 E & C Interface "DATA IN" cavity. If the Turn Signal Switch transmitters are operating, the ground signal will appear at the E & C Interface "DATA OUT" cavity. If the Cancel Cam Assembly receivers are OK, the ground signal will appear at the Switch Cluster "DATA IN" cavity. If all signals are good, Steering Wheel Control Head must be at fault.

G: NONE OF THE STEERING WHEEL CONTROLS OPERATE (Continued from previous page)

- Jumper J37608 Switch Cluster terminais "DATA OUT" and "GROUND" as shown

- Measure in numerical order

Test Explanation: The jumper simulates a ground signal from the Steering Wheel Control Head. If the Cancel Cam Assembly transmitters and Turn Signal Switch receivers are operating, a ground signal will be transmitted through the optical slip ring and will be measured at the J37608 E & C Interface probe cavity "DATA OUT". If the HTR-A/C and Translator Module is OK, the ground signal will be sent through the HTR-A/C and Translator Module and will appear at the J37608 E & C Interface "Data Bus" Cavity.

G: NONE OF THE STEERING WHEEL CONTROLS OPERATE (Continued from page 150-23)

- J37608 Steering Wheel Control Adapter connected (see FIG 1)

- Ignition Switch in RUN

- Measure voltage at terminal probe cavities in numerical order (1, 2, 3, etc.)

- J37608 probe terminals agree with schematic labels. For example, "DATA IN" on the SWITCH CLUSTER side of J37608 is the same as "DATA IN" on the Turn Signal Cancel Cam Assembly on the schematic.

Test Explanation: Steps 1, 2, 3 and 4 verify that corresponding power or ground circuits are OK

Step 5 verifies Cancel Cam Assembly internal continuity by checking for voltage

Step 6 verifies Steering Wheel Control Head "DATA IN" continuity

Step 7 verifies Translator Module Voltage regulation circult

Step 8 verifies Turn Signal Switch Transmitter internal continuity by checking for voltage

Step 9 verifies Translator Module "DATA IN" circuit continuity

G: NONE OF THE STEERING WHEEL CONTROLS OPERATE (May be caused by faulty HTR-A/C And Radio Control Interface Module, Turn Signal Switch, Cancel Cam Assembly, Steering Wheel Pad Switch And Electronics Module, or an open circuit.)

- Connect bi-directional scan tool at ALDL Connector - Ignition Switch in ACCY or RUN - Perform component identification using scan tool

Does scan tool show Radio is present? | | | NO ---------------------------------- YES | | | | | | - Check DK GRN (835) wire for an open Does scan tool show that Steering between Radio Control Head and Wheel Controls are present? ALDL Connector | | ----------------- Is this wire OK? | | | YES | | | | Replace the Steering | NO -------------------- YES Wheel Control Head | | | NO | | | | | | | | Follow instructions given | | on the page following | | Repair wire as necessary Send Radio to an authorized AC-Delco repair station

(Continued from page 150-20)

- Reconnect Radio connector C2 - Connect at a 10 ohm 1/2 watt resistor between ground and ALDL terminal J (DK GRN) - Ignition Switch in ACCY or RUN - Measure voltage at ALDL terminal J (DK GRN)

Are approximately 0 volts measured? | | | YES ------------------------------------- NO | | | | | | - Send the Radio to an authorized - Disconnect connector C1 at Radio AC-Delco repair station Control Head - Connect a 10 ohm 1/2 watt resistor between ground and Radio Control Head connector C1 terminal 2 (DK GRN) - Ignition Switch in ACCY or RUN - Measure voltage at Radio Control Head connector C1 terminal 2 (DK GRN)

Are 0 volts measured? | | ------------------------------------- | | | | NO YES

- Check the DK GRN (835) wire between - Send the Radio Control the Radio and Radio Control Head for a Head to anauthorized short to battery voltage. If OK, send AC-Delco repalr station the Radio to an authorized AC-Delco repair station.

(Continued from previous page) (Continued from page 150-18)

- J37608 connected as above NOTE: If vehicle is not equipped - Measure voltage between J37608 "Switch with Steering Wheel Controls, Cluster" probe cavity "ACC B+" and "E&C follow "NO" path at bottom of this box

Interface" probe cavity "DATA IN" - Disconnect the Translator Module and attempt to operate the Radio Is battery voltage present? | Does the Radio now operate? | | | | | | ------------------| NO ----------------- YES NO YES | | | | | | | | - Replace the Translator | - Send the Radio Control | Module | Head to an authorized AC- | | Delco repair station | | | - Replace the Turn Send the Steering Signal Switch Wheel Control Head to an authorized AC-Delco repair station

(Continued from page 150-19)

Is the vehicle equipped with Steering Wheel Controls | | ---------------------------------------| | | YES NO | | | | | | - Reconnect the Radio Control Head connector C2 - Repair DK GRN (835) - Disconnect the Translator Module wire tor a short to ground between Does the Radio operate from the Radio Control ALDL connector and Head? Radio Control Head | | ------------------------------------------| | | YES NO | | | | | | - Reconnect the Translator Module - Repair DK GRN (836) - Disconnect the Steering Wheel Control Head wire for a short to connector ground

Does the Radio operate from the Radio Control Head? | |------------------------------------------| | | YES NO | | | | | | - Send the Steering Wheel Control - Remove the Cancel Cam Assambly Head to an authorized AC-Delco - Cover the Turn Signal Switch repair station Transmitter/Receivers

Does the Radio operate from the Radio Control Head? | | |----------------------------------------| | | NO YES | | | | | | - Connect the J37608 Steering Wheel - Replace the Cancel Control Adapter between the Cam Assembly Steering Wheel, Cancel Cam Assembly and at the Translator Module connector, with the Transla- tor Module disconnected

- Measure voltage between the J37608 "Switch Cluster" probe cavity "ACC B+" and " E&C Inter- face" probe cavity " DATA OUT"

Is battery voltage present? | |---------------------------------------| | | YES NO | | | FH | | | (Continued on next page) - Replace the Turn Signal Switch

(Continued from previous page) FA -- | | - Disconnect Radio Control Head connector C1 and Radio connector C3 - Measure resistance between Radio connector C3 terminal 6 (DK GRN) and ground

Is infinite resistance measured? | |------------------------------------------------| YES NO | | | | | | - Disconnect Radio Control Head connector C2 - Repair DK GRN (835) - Jumper Radio Control Head connectors C2 wire for a short to terminal 2 (DK GRN) and Cl terminal ground between Radio 2 (DK GRN) Control Head and Radio - Connect bidirectional scan tool at ALDL - Set scan tool to control Radio functions

Can the scan tool control the Radio? | |------------------------------------------------| | | YES NO | | | | - Send the Radio Control Head - Send the Radio to to an authorized AC-Delco an authorized repair station AC-Delco repair station

(Continued from previous page) | | | | - Disconnect connector C2 at the Radio Control Head and attempt to operate the Radio

Does the Radio now operate? | |------------------------------------------| | | YES NO | | | | | | | (Continued on page 150-22A) | NOTE: If vehicle is not equipped with Steering Wheel Controls, follow "NO" path at bottom of this box

-Reconnect connector C2 at the Radio Control Head -Disconnect the Radio Transiator Module connector and attempt to operate the Radio

Does the Radio now operate? | | |----------------------------------------------| | | YES NO | | | | - Replace the Translator - Repair short to battery Module in DK GRN (835) wire

(Continued from previous page) | | |

- Ignition Switch in RUN or ACCY - Measure voltage to ground at terminal J (DK GRN) of the ALDL connector

Are 9-12 volts measured? | | | NO | | - Disconnect Radio Control Head connector C2 - Attempt to operate the Radio from the Radio Control Head

Does the Radio respond? | | | | | | | | | | | |------------------------------------------------| | | NO YES | | | | NOTE: If vehicle is not equipped | with Compact Disc Player, Cassette | /Equalizer or Cassette Player follow (Continued on page 150-21) "NO" path at the bottom of this box

- Ignition Switch in RUN or ACCY - Disconnect connector C3 at Radio Control Head - Disconnect connector C2 at Radio Control Head and attempt to operate Radio

Does the Radio now operate? | |-----------------------------------------------| YES NO | | | | | | -Check for short to ground in | DK GRN/WHT (835) wire between (Continued on next page) Radio Control Head and Compact Disc Player or Cassette/Equalizer. If short is not found, send the Cassette/Equalizer, Compact Disc Player or Cassette Player to an authorized AC-Delco repair station.

YES | | NOTE: If vehicle is not equipped with Compact Disc Player Cassette/Equalizer or Cassette Player follow "NO" path at the bottom of this box.

- Disconnect connector C3 at the Radio Control Head and attempt to operate radio

Does the Radio now operate? | |---------------------------------------------------| YES NO | | | | - Reconnect connector C3 at Radio Control Head (Continued on next page) - Disconnect connector C2 at Cassette Player, Cassette/Equalizer or Compact Disc Player and attempt to operate Radio

Does the Radio now operate? | |---------------------------------------------| | | YES NO | | | | | | - Send the Compact Disc - Repair short to Player, Cassette/Equalizer or battery in DK GRN/ Cassette Player to an author- WHT (835) wire ized AC-Delco repair station

F: RADIO DOES NOT RESPOND TO EITHER CONTROL HEAD

(May be caused by an open, short to ground or short to battery in the serial data line or a failed component)

- Connect a bidirectional scan tool to the ALDL connector

NOTE: If scan tool indicates a shorted Data Line, continue with tests at the top of the following page

- Set scan tool to Read Radio Controls - Ignition Switch in RUN or ACCY

Can the scan tool detect the Radio ON/OFF button when pressed? | |--------------------------------------| NO YES | | | | Does the scan tool indicate that - Ignition Switch in OFF a button has been pressed when no - Disconnect Radio connector C3 buttons have been pressed? | Is there continuity between Radio | connector C3 terminal 6 (DK GRN) |-----------------| and ALDL terminal J (DK GRN)? | | | NO YES | | | | | | | -Command several Radio | operations from the scan | tool (Continued on page 160-22) | | Does the Radio respond? | | | |---------------------| |------------| | | | | NO YES NO YES | | | | (Continued on - Send the Radio to | | next page) an authorized AC- Check the DK GRN - Send the Radio Delco repair (835) wire for an to an station open between the Radio authorized Control Head. If OK, AC-Delco send the Radio repair control head to an station authorized AC-Delco repair station.

RADIO SYSTEM DIAGNOSIS

T: STEERING WHEEL CONTROLS DO NOT OPERATE BUT RADIO CONTROLS ARE OK (Continued from previous page) ISOLATION TEST

- Perform only the step referenced

Test Explanations: Step A is checking for a short to ground in the Cancel Cam Assembly. If battery voltage appears, the Cancel Cam is shorted to ground. If zero volts are measured, the Steering Wheel Controls are either shorted to ground or open. Step B is checking for a short to ground in the Turn Signal Switch. If resistance measurement is not infinite, the Turn Signal Switch is shorted and the HTR-A/C and Translator Module is also defective. If resistance is infinite, the HTR-A/C and Translator Module 5 volt regulated supply is not operating.

T: STEERING WHEEL CONTROLS DO NOT OPERATE BUT RADIO CONTROLS ARE OK (Continued from previous page)

-Disconnect jumper from the previous step -Jumper ALDL terminal J (DK GRN) to ground - Measure in numerical order

If all checks are OK, replace the Steering Wheel Control Head

Test Explanation: The jumper at ALDL terminal J simulates a data signal from the Radio. If the DK GRN (835) wire is OK, a ground signal will appear at the J37608 "DATA BUS" terminal. If the Translator Module is OK, a ground signal will appear at the J37608 E & C interface "DATA IN" cavity. If the Turn Signal Switch transmitters are operating, the ground signal will appear at the E & C interface "DATA OUT" cavity. If the Cancel Cam Assembly receivers are OK, the ground signal will appear at the Switch Cluster "DATA IN" cavity. If all signals are good, Steering Wheel Control Head must be at fault.

T: STEERING WHEEL CONTROLS DO NOT OPERATE BUT RADIO CONTROLS ARE OK (Continued from previous page)

- Jumper J37608 SWitch cluster terminals "DATA OUR" and "GROUND" as shown - Measure in numerical order

Test Explanation: The jumper simulates a ground signal from the Steering Wheel Control Head. If the Cancel Cam Assembly transmitters and Turn Signal Switch receivers are operating, a ground signal will be transmitted through the optical slip ring and will be measured at the J37608 E & C interface probe cavity "DATA OUT". If the HTR-A/C and Translator Module is OK, the ground signal will be sent through the HTR-A/C and Translator Module and will appear at the J37608 E & C interface "Data Bus Cavity".

RADIO SYSTEM DIAGNOSIS

T: STEERING WHEEL CONTROLS DO NOT OPERATE BUT RADIO CONTROLS ARE OK (Continued from page 150-34)

- J37608 Steering Wheel Control Adapter connected (see FIG 1) - Ignition Switch in RUN - Measure voltage at terminal probe cavities in numerical order (1,2,3, etc.) - J37608 probe terminals agree with schematic labels. For example, "DATA IN" on the SWITCH CLUSTER side of J37608 is the same as "DATA IN" on the Turn Signal Cancel Cam Assembly on the schematic.

Test Explanation: Steps 1,2,3, and 4 verify that corresponding power or ground circuits are OK

Step 5 verifiess Cancel Cam Assembly internal continuity by checking for voltage

Step 6 verifies Steering Wheel Control Head "DATA IN" continuity

Step 7 verifies Translator Module Voltage regulation circuit

Step 8 verifies Turn Signal Switch Transmitter internal continuity by checking for voltage

Step 9 verifies HTR-A/C And Translator Module "DATA IN" circuit continuity

T: STEERING WHEEL CONTROLS DO NOT OPERATE BUT RADIO CONTROLS ARE OK

(May be caused bY faulty HTR-A/C And Radio Control Interface Module, Turn Signal Switch, Cancel Cam Assembly, Steering Wheel Pad Switch And Electronics Module, or an open circuit.)

- Connect bi-directional scan tool at ALDL Connector - Ignition Switch in ACCY or RUN - Perform component identification using scan tool

Does scan tool show Radio is present? | |------------------------------------------| | | NO YES | | | | - Check DK GRN (835) wire for an open Does scan tool show that Steering between Radio Controi Head and Wheel Controls are present? ALDL Connector | | Is this wire OK? | | |-----------------------| |----------------| | | NO YES YES NO | | | | | | | | -Repair wire as - Send Radio to an - Replace the - Follow instruc- necessary authorized AC-Delco Steering Wheel tions given repair station Control Head on the page following FIG 1

(Continued from page 150-19)

- Reconnect Radio connector C2 - Connect at a 10 ohm 1/2 watt resistor between ground and ALDL terminal J (DK GRN) - Ignition Switch in ACCY or RUN - Measure voltage at ALDL terminal J (DK GRN)

Are approximately 0 volts measured? | |-----------------------------------------| | | YES NO | | | | | | - Send the Radio to an authorized - Disconnect connector C1 at Radio AC-Delco repair station Control Head - Connect a 10 ohm 1 /2 watt resistor between ground and Radio Control Head connector C1 terminal 2 (DK GRN) - Ignition Switch in ACCY or RUN - Measure voltage at Radio Control Head connector C1 terminal 2 (DK GRN)

Are 0 volts measured? | |-----------------------------|------------| | | | | | NO YES | | | | | | - Check the DK GRN (835) wire between - Send the Radio Control Head the Radio and Radio Control Head tor a to an authorized AC-Delco short to battery voltage. If OK, send repair station the Radio to an authorized AC-Delco repair station.

(Continued from previous page)

- J37608 connected as above - Measure voltage between J37608 "Switch Cluster" probe eavity "ACC B+" and "E&C interface" probe cavity "DATA IN"

Is battery voltage present? | |----------------------------------------| NO YES | | - Replace the Translator -Replace the Turn Module Signal Switch

(continued from page 150-17) | | | NOTE: If vehicle is not equipped with Steering Wheel Controls, follow " NO" path at bottom of this box

- Disconnect the Translator Module and attempt to operate the Radio

Does the Radio now operate? | |------------------------------------------------| NO YES | | | | - Send the Radio Control - Send the Steering Wheel Head to an authorized AC- Control Head to an authorized Delco repair station - AC-Delco repair station

(Continued from page 150-18)

Is the vehicle equipped with Steering Wheel Controls? | |---------------------------------------------| | | | | YES NO | | | | - Reconnect the Radio Control Head connector C2 - Repair DK GRN (835) - Disconnect the Translator Module wire for a short to ground between Does the Radio operate from the Radio Control ALDL connector and Head? | Radio Control Head | | |---------------------------------------------| | | YES NO | | | | - Reconnect the Translator Module - Repair DK GRN (835) - Disconnect the Steering Wheel Control Head wire for a short to connector ground

Does the Radio operate from the Radio Control Head? | |-------------------------------------------| | | YES NO | | - Send the Steering Wheel Control | Head to an authorized AC-Delco (Continued in next column) repair station

(continued from previous column)

- Remove the Cancel Cam Assembly - Cover the Turn Signal Switch Transmitter/Receivers

Does the Radio operate from the Radio Control Head? | |----------------------------------------------| | | NO YES | | | | - Connect the J37608 Steering Wheel - Replace the Cancel Control Adapter between the Cam Assembly Steering Wheel, Cancel Cam Assembly and at the Translator Module connector, with the radio Control Interface Module discon- nected

- Measure voltage between the J37608 "Switch Cluster" probe cavity "ACC B+" and " E&C Inter- face" probe cavity "DATA OUT"

Is battery voltage present? | |-----------------------------------| | | YES NO | | | | - Replace the Turn (Continued on next page) Signal Switch

(Continued from previous page)

- Disconnect Radio Control Head connector Cl and Radio connector C2 - Measure resistance between Radio connector C2 terminal 6 (DK GRN) and ground

Is infinite resistance measured? | |--------------------------------------------| YES NO | | | | | | - Disconnect Radio Control Head connector C2 - Repair DK GRN (835) - Jumper Radio Control Head connectors C2 wire for a short to terminal 2 (DK GRN) and Cl terminal ground between Radio 2 (DK GRN) Control Head and Radio - Connect bidirectional scan tool at ALDL - Set scan tool to control Radio functions

Can the scan tool control the Radio? | |-------------------------------------------| YES NO | | | | - Send the Radio Control Head - Send the Radio to an authorized to an authorized AC-Delco AC-Delco repair station repair station

- Disconnect connector C2 at the Radio Control Head and attempt to operate the Radio

Does the Radio now operate? | |-----------------------------------------| | | YES NO | | | (Continued on page 150-20B) | Note: If vehicle is not equipped with Steering Wheel Controls, follow "NO" path at bottom of this page.

- Reconnect connector C2 at the Radio Control Head - Disconnect the Translator Module connector and attempt to operate the radio

Does the Radio now operate? | |------------------------------------------| | | YES NO | | | | - Replace the Translator Module - Repair short to battery in DR GRN (835) wire

(Continued from previous page)

- Ignition Switch in RUN or ACCY - Measure voltage to ground at terminal J (DK GRN) of the ALDL connector

Are 9-12 volts measured? | | NO | | - Disconnect Radio Control Head connector C2 - Attempt to operate the Radio from the Radio Control Head

Does the Radio respond? | |--------------------------------------------------| | YES NO | | | | | | (Continues on page 150-20) NOTE: If vehicle is not equipped with Compact Disc Player, Cassette /Equalizer or Cassette Player follow "NO" path at the bottom of this box

- Ignition Switch in RUN or ACCY - Disconnect connector C3 at Radio Control Head - Disconnect connector C2 at Radio Control Head and attempt to operate Radio

Does the Radio now operate? | |--------------------------------------------| YES NO | | | | | | - Check for short to ground in DK GRN/WHT (835) | wire between Radio Control Head and Compact (Continued on next page) Disc Player or Cassette/Equalizer. If short is not found, send the Cassette/Equalizer, Compact Disc Player or Cassette Player to an authorized AC- Delco repair station.

YES | | NOTE: If vehicle is not equipped with Compact Disc Player Cassette/Equalizer or Cassette Player follow "NO" path at the bottom ot this box

- Disconnect connector C3 at the Radio Control Head and attempt to operate Radio

Does the Radio now operate? | |---------------------------------------------------| | | YES NO | | | | | | - Reconnect connector C3 at Radio Control Head (Continued on next page) - Disconnect connector Cl at Cassette Player, Cassette/Equalizer or Compact Disc Player and attempt to operate Radio

Does the Radio now operate? | |--------------------------------------------------| YES NO | | | | - Send the Compact Disc - Repair short to Player, Cassette/Equalizer or battery in DK GRN/ Cassette Player to an author- WHT (835) wire ized AC-Delco repair station

F: RADIO DOES NOT RESPOND TO ANY CONTROL

(May be caused by an open, short to ground or short to battery in the serial data line or a failed component)

- Connect a bidirectional scan tool to the ALDL connector

NOTE: If scan tool indicates a shorted Data Line, continue with tests at the top of the following page

- Set scan tool to Read Radio Controls - Ignition Switch in RUN or ACCY

Can the scan tool detect the Radio ON/OFF button when pressed? | |-----------------------------------------------| | | NO YES | | | | | | Does the scan tool indicate that - Ignition Switch in OFF a button has been pressed when no - Disconnect Radio connector C2 buttons have been pressed? | Is there continuity between Radio | connector C2 terminal 6 (DK GRN) |---------------------------| and ALDL terminal J (DK GRN)? | | | NO YES | | | | | | | | - Command several Radio (Continued on | operations from the page 150-20A) | scan tool | ------------------ Does the Radio respond? | | | | | |------------------| | | NO YES NO YES | | | | | | | | | | | | (Continued on - Send the Radio to an - Check the DK GRN Send the next page) authorized AC-Delco (835) wire for an Radio to an repair station open between the authorized Radio and Radio AC-Delco Control Head. If repair OK send the Radio station Control Head to an authorized AC-Delco repair station.


Object Number: 75525  Size: FS


Object Number: 75524  Size: FS


Object Number: 75523  Size: FS


Object Number: 75426  Size: FS


Object Number: 75219  Size: FS


Object Number: 75328  Size: FS


Object Number: 75425  Size: FS


Object Number: 75522  Size: FS


Object Number: 75521  Size: FS


Object Number: 75597  Size: FS


Object Number: 75520  Size: FS


Object Number: 75327  Size: FS


Object Number: 75424  Size: FS


Object Number: 75423  Size: FS


Object Number: 75519  Size: FS

General Motors bulletins are intended for use by professional technicians, not a "do-it-yourselfer". They are written to inform those technicians of conditions that may occur on some vehicles, or to provide information that could assist in the proper service of a vehicle. Properly trained technicians have the equipment, tools, safety instructions and know-how to do a job properly and safely. If a condition is described, do not assume that the bulletin applies to your vehicle, or that your vehicle will have that condition. See a General Motors dealer servicing your brand of General Motors vehicle for information on whether your vehicle may benefit from the information.