GM Service Manual Online
For 1990-2009 cars only
Figure 1:

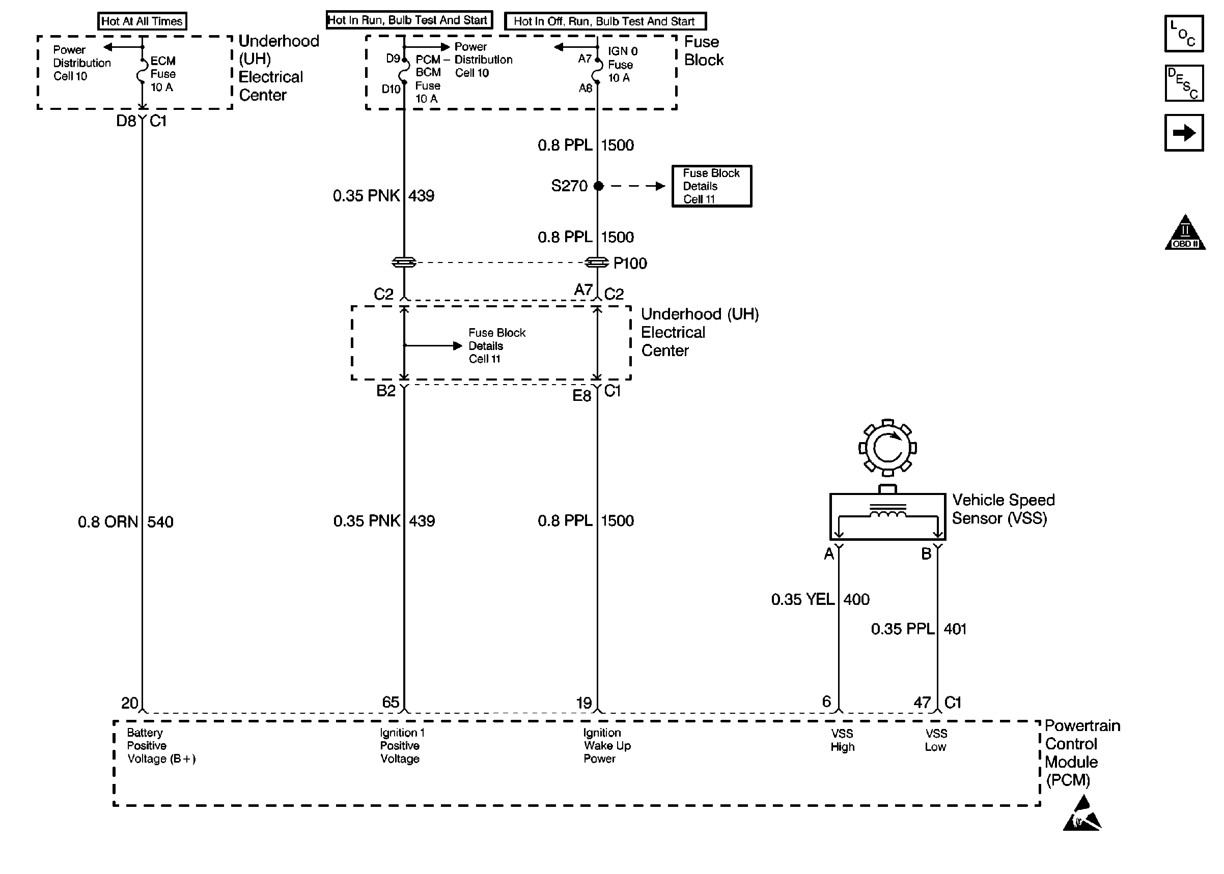
PCM Power, VSS


Object Number: 82304  Size: FS
Automatic Transmission Components
Electronic Component Description
Automatic Transaxle (4T65-E) part 1, TCC Switch
OBD II Symbol Description Notice
Handling ESD Sensitive Parts Notice
Figure 2:

Automatic Transaxle (4T65-E) part 1, TCC Switch


Object Number: 82278  Size: FS
Automatic Transmission Components
Electronic Component Description
Automatic Transaxle (4T65-E) part 2
PCM Power, VSS
OBD II Symbol Description Notice
Handling ESD Sensitive Parts Notice
Figure 3:

Automatic Transaxle (4T65-E) part 2


Object Number: 82410  Size: FS
Automatic Transmission Components
Electronic Component Description
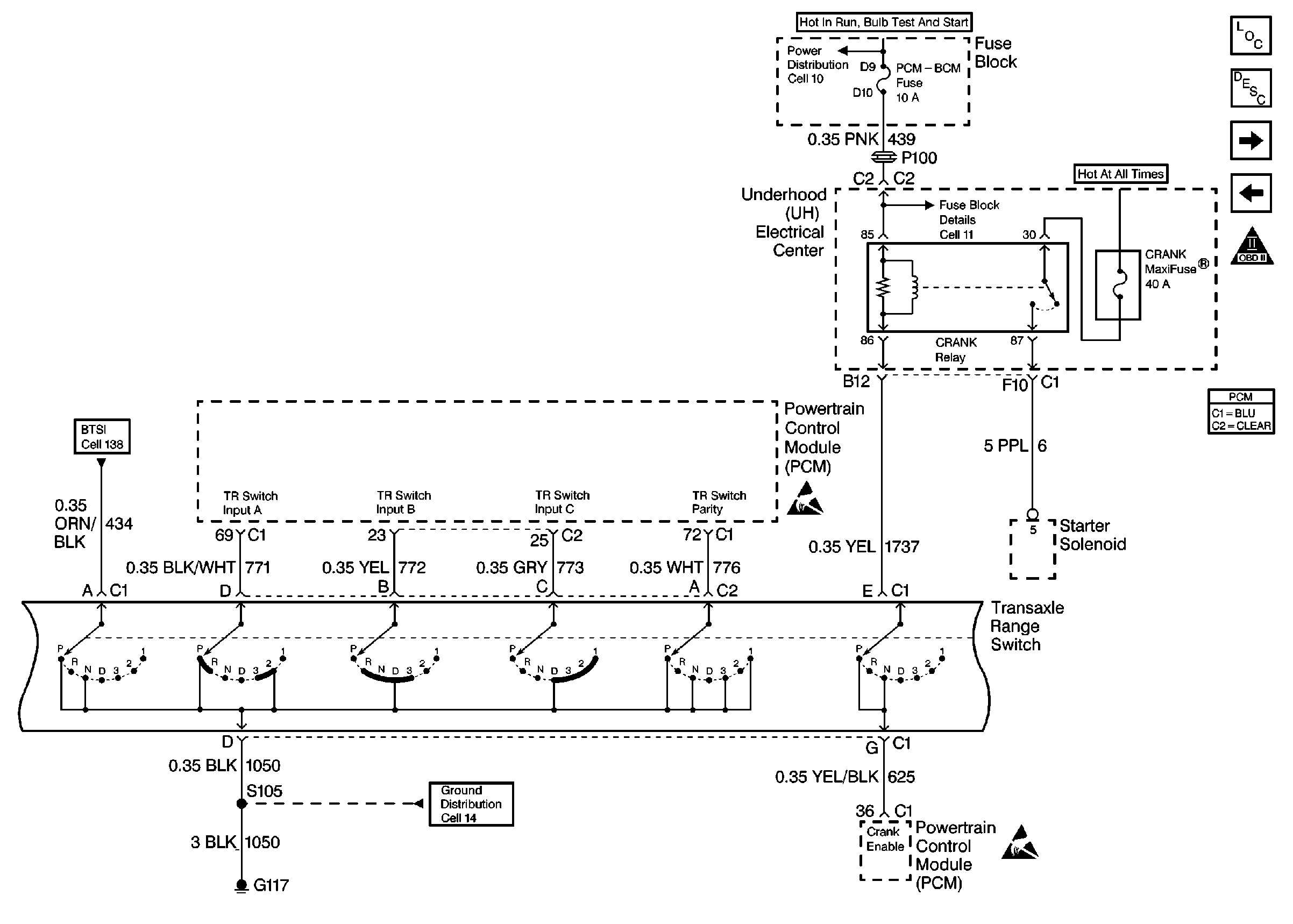
Transaxle Range Switch part 1
Automatic Transaxle (4T65-E) part 1, TCC Switch
OBD II Symbol Description Notice
Handling ESD Sensitive Parts Notice
Handling ESD Sensitive Parts Notice
Figure 4:

Transaxle Range Switch part 1


Object Number: 106303  Size: FS
Automatic Transmission Components
Electronic Component Description
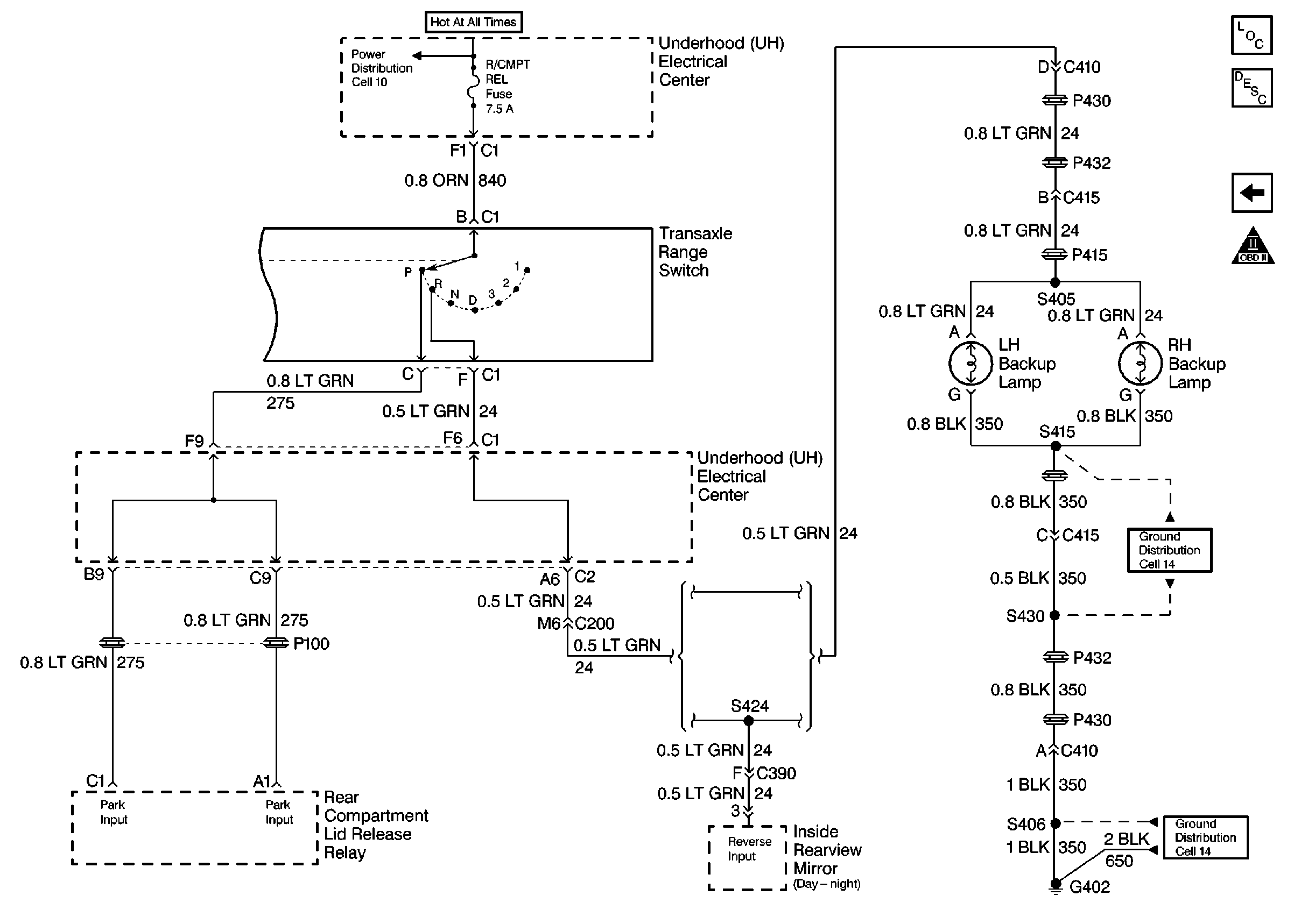
Transaxle Range Switch part 2
Automatic Transaxle (4T65-E) part 2
Handling ESD Sensitive Parts Notice
Handling ESD Sensitive Parts Notice
OBD II Symbol Description Notice
Figure 5:

Transaxle Range Switch part 2


Object Number: 82300  Size: FS
Automatic Transmission Components
Electronic Component Description
Transaxle Range Switch part 1
OBD II Symbol Description Notice