GM Service Manual Online
For 1990-2009 cars only
Makes
🢒
Buick
🢒
1997
🢒
Regal
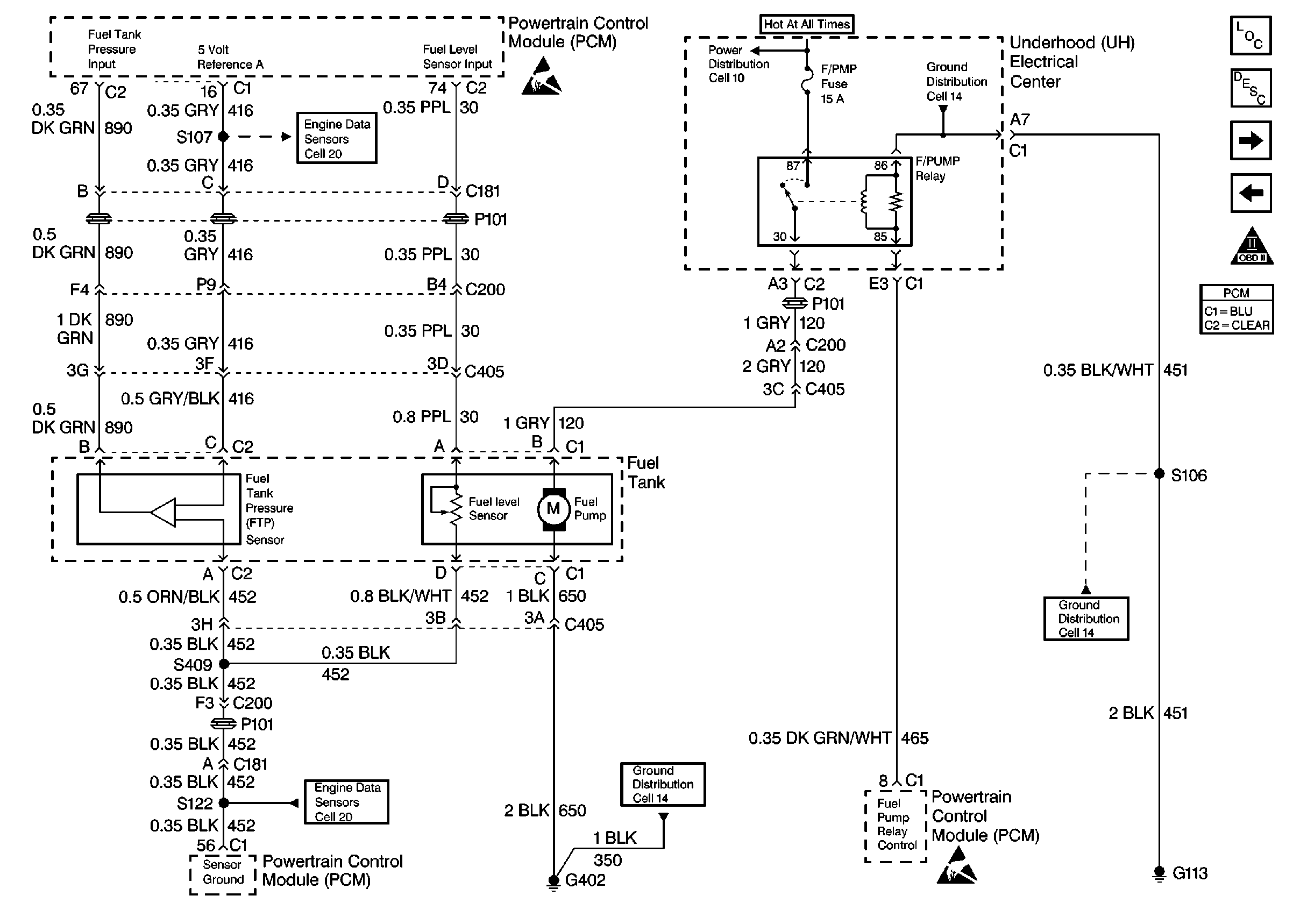
🢒 Fuel Control
Fuel Control
Fuel Control
Engine Controls Components
Information Sensors
Fuel Injectors
Ignition System, Knock Sensor
OBD II Symbol Description Notice
Handling ESD Sensitive Parts Notice
Handling ESD Sensitive Parts Notice