GM Service Manual Online
For 1990-2009 cars only

Disassembly Procedure


    Object Number: 391552  Size: SH
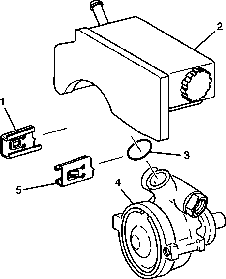
  1. Remove the retaining clips (1) (5) from the reservoir assembly (2) and the hydraulic pump housing assembly (4).
  2. Remove the reservoir (2) from the hydraulic pump housing assembly (4)
  3. Remove the O-ring seal (3) from the hydraulic pump housing assembly (4).
  4. Discard the O-ring seal (3).

Assembly Procedure


    Object Number: 391552  Size: SH
  1. Lubricate the new O-ring seal (3) with power steering fluid.
  2. Install the O-ring seal (3) to the reservoir (2).
  3. Install the reservoir assembly (2) to the hydraulic pump housing assembly (4).
  4. Install the retaining clips (1) (5) to the reservoir (2) and to the hydraulic pump housing assembly (4).