GM Service Manual Online
For 1990-2009 cars only
Makes
🢒
Buick
🢒
1998
🢒
Regal
🢒
Steering
🢒
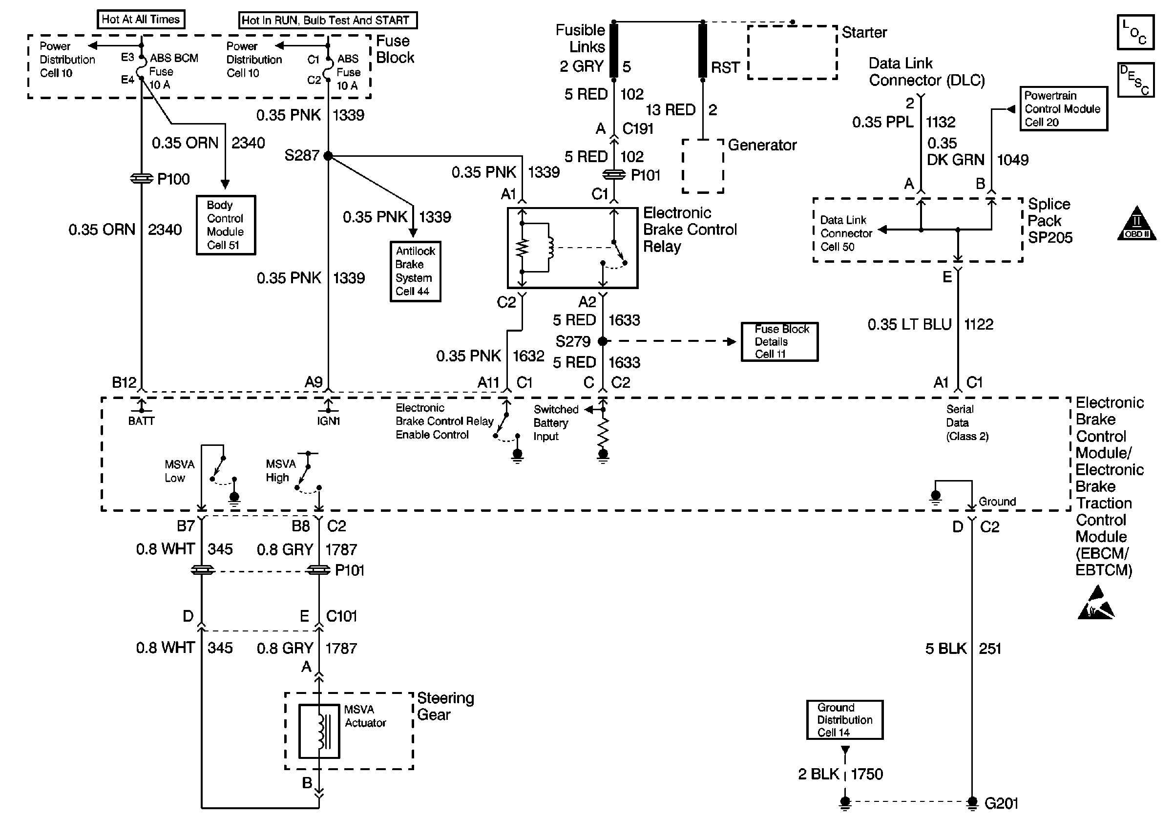
Variable Effort Steering
🢒 Steering Assist Schematics
Steering Controls: Magnetic Steering Variable Assist (MSVA)
OBD II Symbol Description Notice
Body Control System Schematics
Fuse Block Schematics
Handling ESD Sensitive Parts Notice
Ground Distribution Schematics