GM Service Manual Online
For 1990-2009 cars only
Makes
🢒
Buick
🢒
1998
🢒
Regal
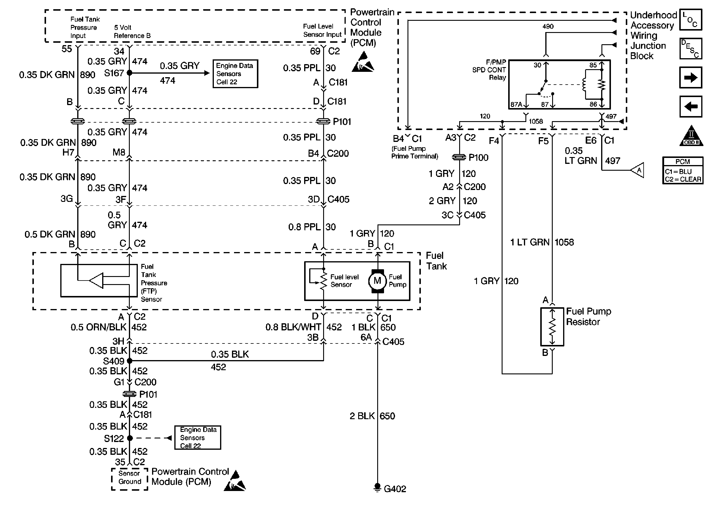
🢒 Fuel Control
Fuel Control
Fuel Control
Engine Controls Components
Information Sensors/Switches Description
Fuel Control
Ignition System, Knock Sensor
OBD II Symbol Description Notice
Powertrain Control Module Connector End Views