GM Service Manual Online
For 1990-2009 cars only
Makes
🢒
Buick
🢒
1998
🢒
Regal
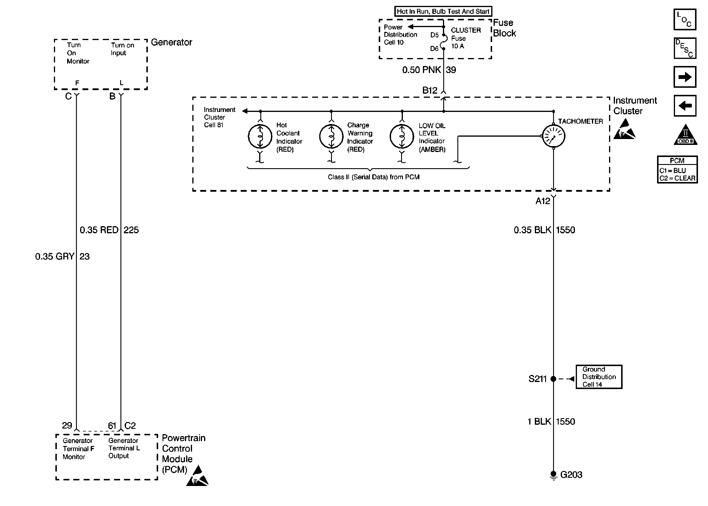
🢒 Indicator Lamps
Indicator Lamps
Indicator Lamps
Engine Controls Components
Information Sensors/Switches Description
Engine Data Sensors-A/C Refrig Press, TP, MAP, ECT, IAT
Fuel Injectors
OBD II Symbol Description Notice
Powertrain Control Module Connector End Views