GM Service Manual Online
For 1990-2009 cars only
Makes
🢒
Buick
🢒
1998
🢒
Regal
🢒 Cell 63
Cell 63
Cell 63
HVAC Components
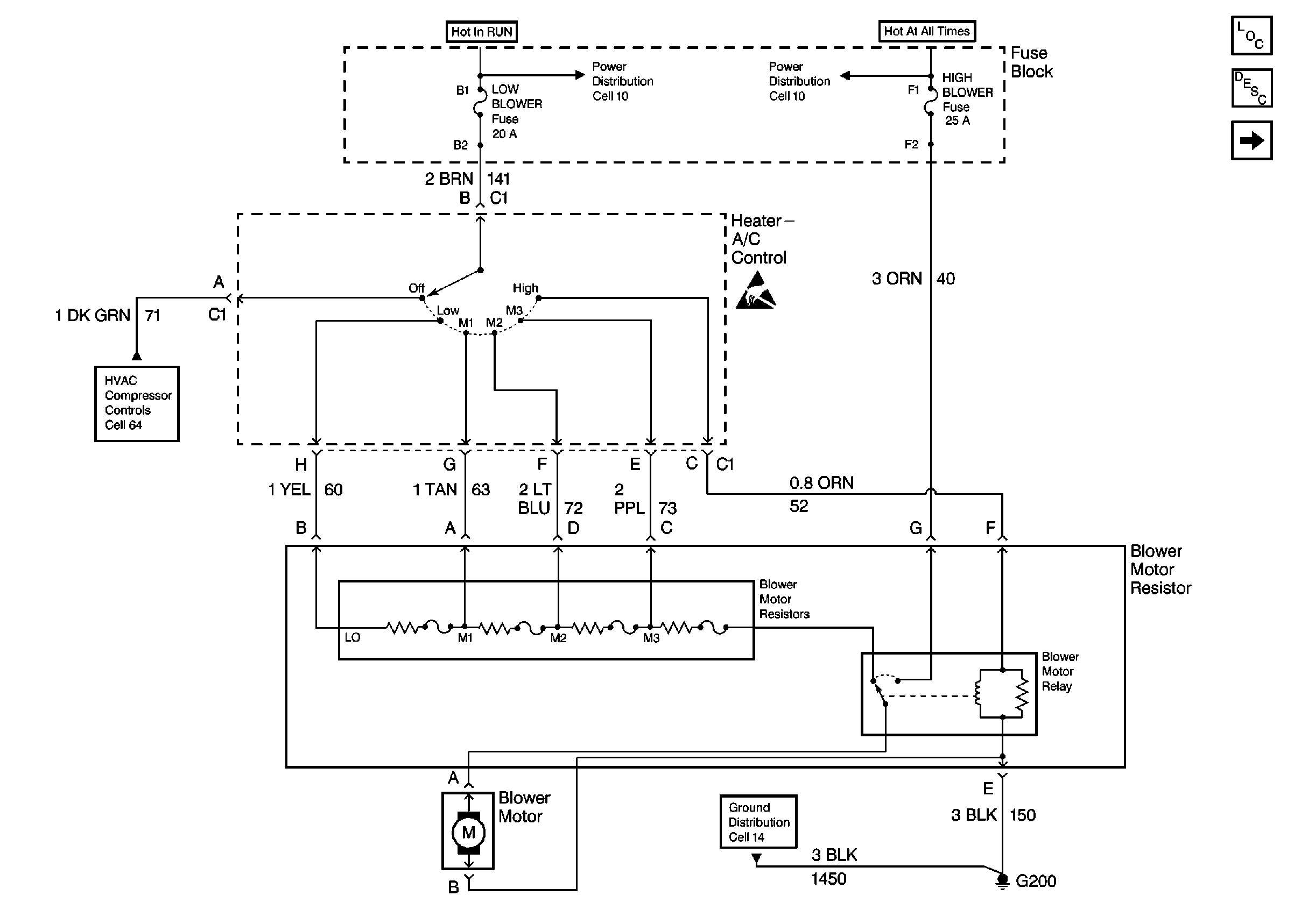
HVAC Blower Controls Circuit Description
Cell 64
HVAC Compressor Control Schematics
Handling ESD Sensitive Parts Notice
Cell 14: G200 (1 of 2)