GM Service Manual Online
For 1990-2009 cars only
Makes
🢒
Buick
🢒
1998
🢒
Regal
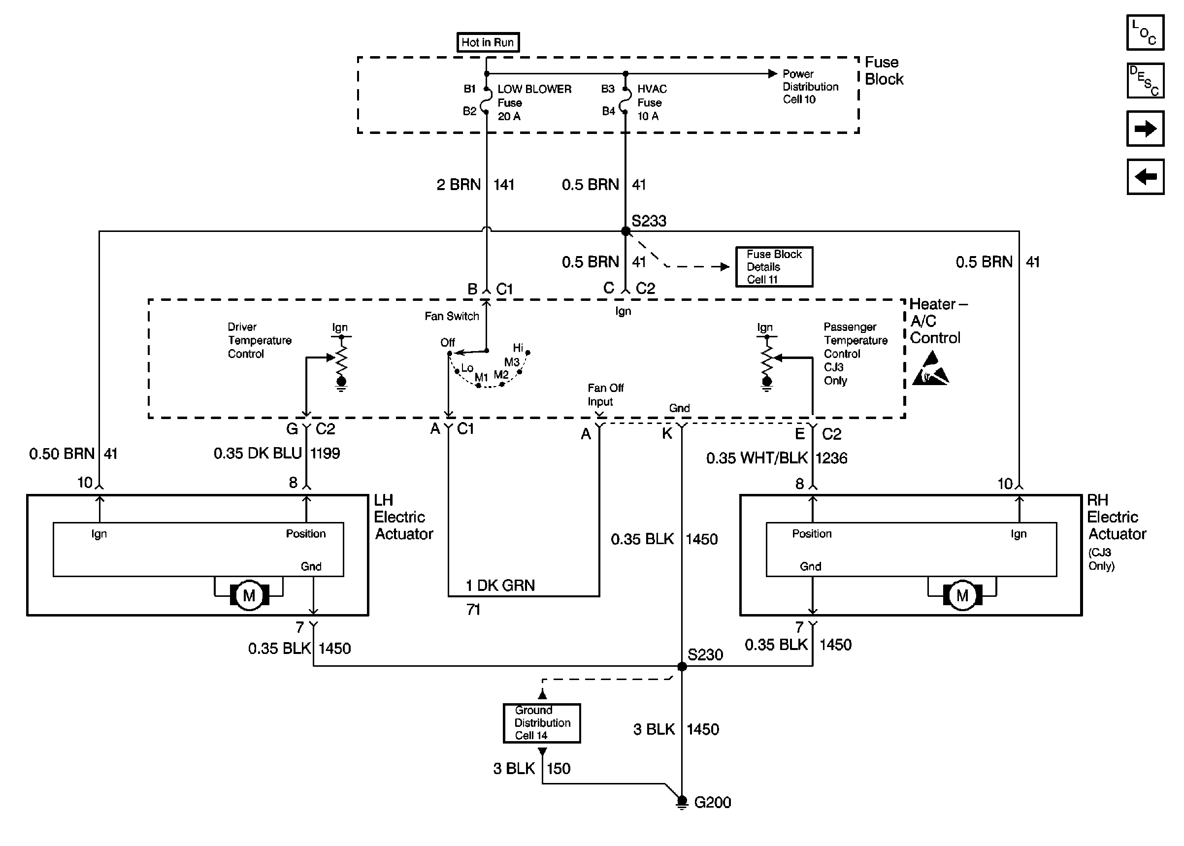
🢒 Cell 65: Heater-A/C Control
Cell 65: Heater-A/C Control
Cell 65: Heater-A/C Control
HVAC Components
HVAC Air Delivery/Temperature Control Circuit Description
Cell 65: Vacuum/Electric Solenoid
Single Zone Air Delivery
Fuse Block Schematics
Cell 11: LOW BLOWER, CRUISE and HVAC Fuses
Handling ESD Sensitive Parts Notice
Cell 14: G200 (1 of 2)