GM Service Manual Online
For 1990-2009 cars only
Makes
🢒
Buick
🢒
1998
🢒
Regal
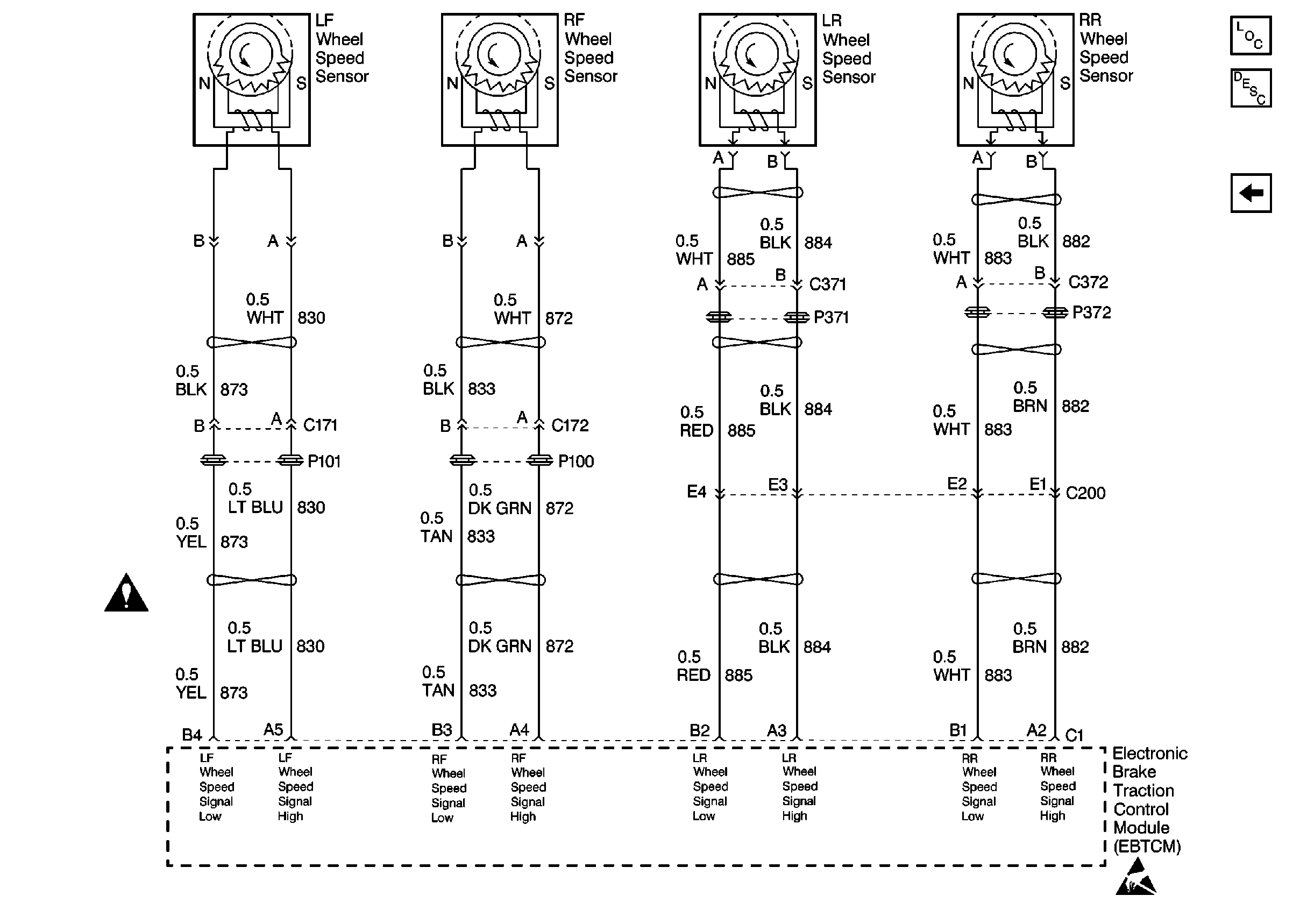
🢒 98 3W MSVA: Wheel Speed Sensors
98 3W MSVA: Wheel Speed Sensors
Cell 45: Wheel Speed Sensors
Steering Controls Components
Variable Effort Steering Circuit Operation
Cell 45: Power and Ground Distribution, Class II, and MSVA Actuator
Notice Twisted Wires
Handling Electrostatic Discharge Sensitive Parts Notice