GM Service Manual Online
For 1990-2009 cars only

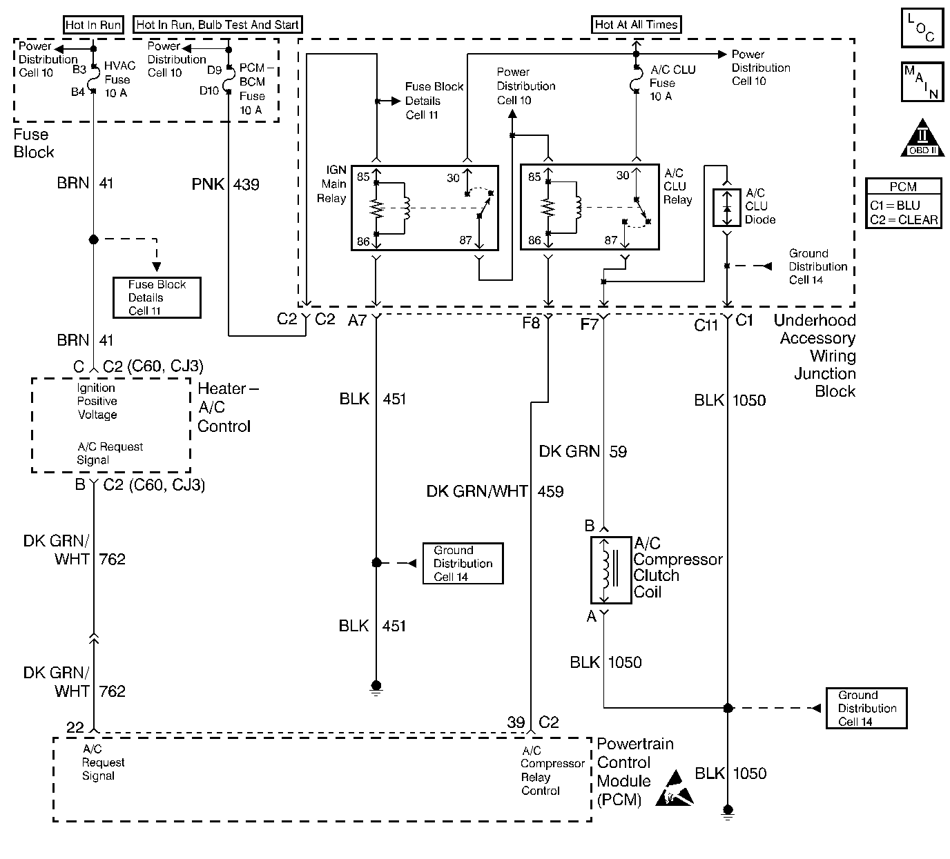
Object Number: 248187  Size: LF
A/C Compressor Controls
Engine Controls Component Views
OBD II Symbol Description Notice
Handling ESD Sensitive Parts Notice

Circuit Description

Output Driver Modules (ODMs) are used by the PCM to turn on many of the current-driven devices that are needed to control various engine and Transaxle functions. Each ODM is capable of controlling up to 7 separate outputs by applying ground to the device which the PCM is commanding ON. Unlike the Quad Driver Modules (QDMs) used in prior model years, ODMs have the capability of diagnosing each output circuit individually. DTC P1641 set indicates an improper voltage level has been detected on the output circuit which controls the A/C compressor control relay.

Conditions for Setting the DTC

    • The ignition is ON.
    • An improper voltage level has been detected on the output circuit which controls the A/C compressor control relay.
    • The above conditions are present for at least 30 seconds.

Action Taken When the DTC Sets

    • The PCM will not illuminate the Malfunction Indicator Lamp (MIL).
    • The PCM will store conditions which were present when the DTC set as Fail Records data only. This information will not be stored as Freeze Frame data.

Conditions for Clearing the MIL/DTC

    • A history DTC will clear after 40 consecutive warm-up cycles have occurred without a malfunction.
    • DTC can be cleared by using the scan tool Clear Info function or by disconnecting the PCM battery feed.

Diagnostic Aids

Check for the following conditions:

    • Poor connection at the PCM. Inspect harness connectors for backed out terminals, improper mating, broken locks, improperly formed or damaged terminals, and poor terminal to wire connection.
    • Damaged harness. Inspect the wiring harness for damage. If the harness appears to be OK, disconnect the PCM, turn the ignition ON and observe a digital multimeter connected between the A/C compressor control relay control circuit and ground at the PCM harness connector while moving connectors and wiring harnesses related to the A/C compressor control relay. A change in voltage will indicate the location of the malfunction.

Reviewing the Fail Records vehicle mileage since the diagnostic test last failed may help determine how often the condition that caused the DTC to be set occurs. This may assist in diagnosing the condition.

DTC P1641 - A/C Relay Control Circuit

Step

Action

Value(s)

Yes

No

1

Was the Powertrain On-Board Diagnostic (OBD) System Check performed?

--

Go to Step 2

Go to Powertrain On Board Diagnostic (OBD) System Check

2

  1. Turn OFF the ignition switch.
  2. Disconnect the PCM connector.
  3. Turn ON the ignition switch.
  4. Using J 39200 DMM, measure the voltage between the A/C relay control circuit and ground.

Does the DMM display a voltage near the specified value?

B+

Go to Step 3

Go to Step 6

3

  1. Leave the PCM disconnected.
  2. Set the DMM to the 10 amp scale.
  3. Measure the current between the A/C relay control circuit and ground.
  4. Monitor the current reading for at least 2 minutes.

Does the DMM display a current reading within the specified range?

0.5-1.5 amps

Go to Step 4

Go to Step 13

4

  1. Turn OFF the ignition switch.
  2. Reconnect the PCM connector.
  3. Remove the A/C relay.
  4. Connect J 35616-200 test light between cavities 85 and 86 in the A/C relay connector.
  5. Turn ON the ignition switch.
  6. Using the scan tool, command the A/C relay ON and OFF.

Does the test light flash?

--

Go to Diagnostic Aids

Go to Step 5

5

  1. Check for poor connections at the PCM.
  2. If a problem is found, repair as necessary. Refer to Wiring Repairs in Wiring Systems.

Was a problem found?

--

Go to Step 22

Go to Step 21

6

  1. Turn OFF the ignition switch.
  2. Leave the PCM disconnected.
  3. Remove the A/C relay.
  4. Connect the test light to ground.
  5. Probe cavity 86 in the relay connector.

Is the test lamp ON?

--

Go to Step 7

Go to Step 9

7

  1. Check the A/C relay control circuit for an open or short to ground.
  2. If a problem is found, repair as necessary. Refer to Wiring Repairs in Wiring Systems.

Was a problem found?

--

Go to Step 22

Go to Step 8

8

  1. Check for poor terminal connections in the A/C relay connector.
  2. If a problem is found, repair as necessary. Refer to Wiring Repairs in Wiring Systems.

Was a problem found?

--

Go to Step 22

Go to Step 19

9

  1. Turn OFF the ignition switch.
  2. Remove the Ignition Main relay.
  3. Using J34142-B test lamp, probe cavity 87 in the ignition main relay connector.

Is the test lamp ON?

--

Go to Step 10

Go to Step 14

10

  1. Leave the ignition main relay disconnected.
  2. Connect a fused jumper between cavities 87 and 30 in the ignition main relay connector.
  3. Connect the test lamp to ground.
  4. Probe cavity 86 in the A/C relay connector.

Is the test lamp ON?

--

Go to Step 11

Go to Step 15

11

  1. Leave the ignition main relay disconnected.
  2. Turn ON the ignition switch.
  3. Connect the test light to ground.
  4. Probe cavity 86 in the ignition main relay connector.

Is the test lamp ON?

--

Go to Step 12

Go to Step 16

12

  1. Leave the ignition main relay disconnected.
  2. Connect the test lamp to B+.
  3. Probe cavity 85 in the ignition main relay connector.

Is the test lamp ON?

--

Go to Step 20

Go to Step 17

13

  1. Turn OFF the ignition switch.
  2. Leave the PCM disconnected.
  3. Remove the A/C relay.
  4. Connect the test light between the A/C relay control circuit and ground.

Is the test lamp ON?

--

Go to Step 18

Go to Step 19

14

Locate and repair open in the B+ feed to cavity 87 in the ignition main relay. Refer to Wiring Repairs in Wiring Systems.

Is action complete?

--

Go to Step 22

--

15

Locate and repair open in the B+ feed to cavity 86 in the A/C relay. Refer to Wiring Repairs in Wiring Systems.

Is action complete?

--

Go to Step 22

--

16

Locate and repair the open in the B+ feed to cavity 86 in the ignition main relay. Refer to Wiring Repairs in Wiring Systems.

Is action complete?

--

Go to Step 22

--

17

Locate and repair open in the ignition main ground (CKT 451). Refer to Wiring Repairs in Wiring Systems.

Is action complete?

--

Go to Step 22

--

18

Locate and repair the short to voltage in the A/C relay control circuit. Refer to Wiring Repairs in Wiring Systems.

Is action complete?

--

Go to Step 22

--

19

Replace the A/C Relay.

Is action complete?

--

Go to Step 22

--

20

Replace the ignition main relay.

Is action complete?

--

Go to Step 22

--

21

Important: Replacement PCM must be reprogrammed. Refer to Powertrain Control Module Replacement/Programming .

Replace the PCM

Is action complete?

--

Go to Step 22

--

22

  1. Review and record scan tool Fail Records data.
  2. Clear DTCs.
  3. Operate vehicle within Fail Records conditions as noted.
  4. Using the scan tool, monitor Specific DTC info for DTC P1641 until the DTC P1641 test runs.

Does the scan tool indicate DTC P1641 failed this ign?

--

Go to Step 2

System OK