GM Service Manual Online
For 1990-2009 cars only
Makes
🢒
Buick
🢒
1999
🢒
Regal
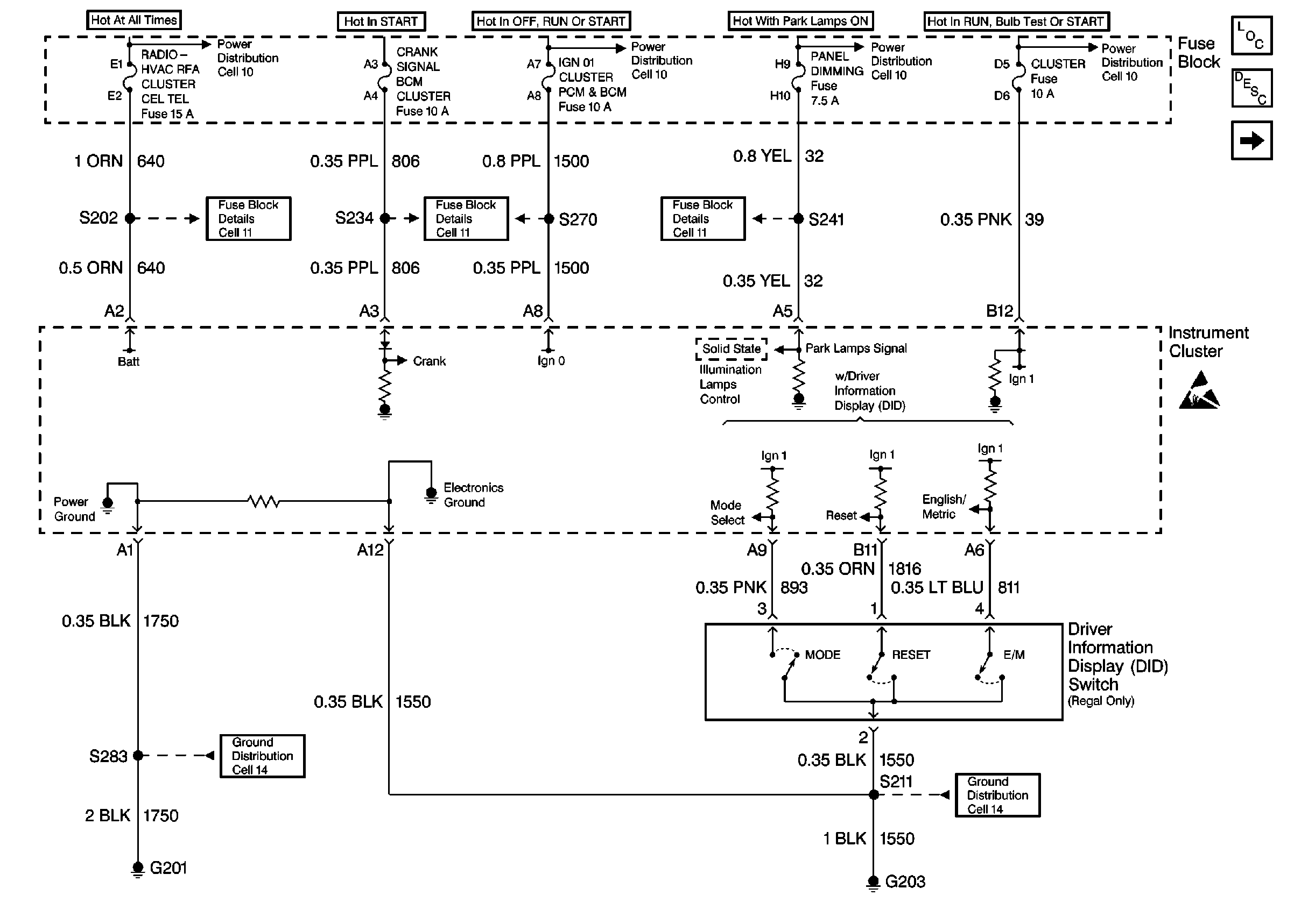
🢒 Cell 81:Power/Ground Distribution, Instrument Cluster and DID
Cell 81:Power/Ground Distribution, Instrument Cluster and DID
Cell 81:Power/Ground Distribution, Instrument Cluster and DID
Instrument Cluster Circuit Description
Cell 81: Serial Data, Turn Signal Switch and Headlamp Switch
Power Distribution Schematics
Ground Distribution Schematics
Ground Distribution Schematics
Fuse Block Schematics
Power Distribution Schematics
Fuse Block Schematics
Power Distribution Schematics
Fuse Block Schematics
Power Distribution Schematics
Handling ESD Sensitive Parts Notice