GM Service Manual Online
For 1990-2009 cars only
Makes
🢒
Buick
🢒
1999
🢒
Regal
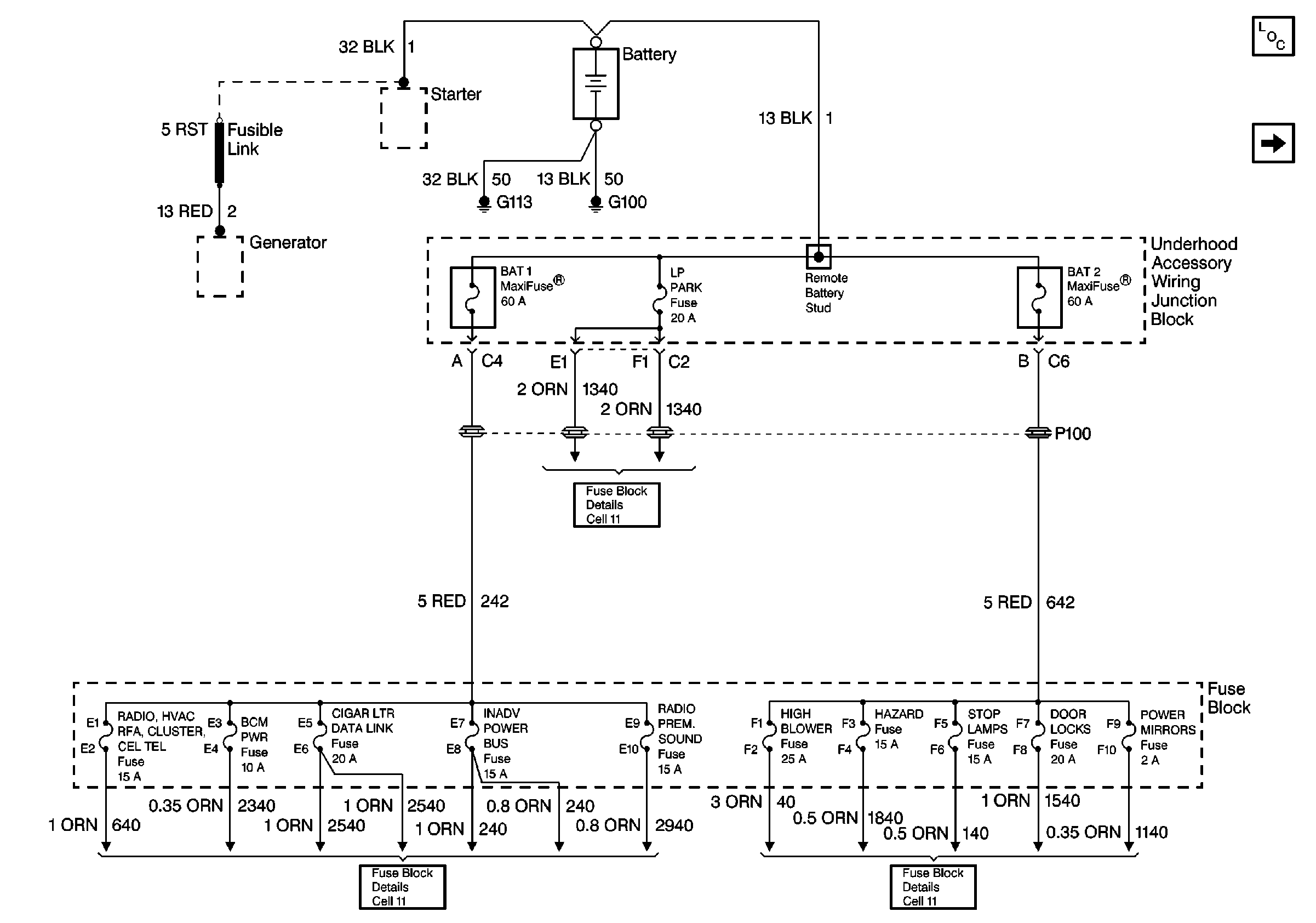
🢒 Cell 10: Battery, and Generator
Cell 10: Battery, and Generator
Cell 10: Battery, and Generator
Power and Grounding Components
Cell 10: Accessory Time Delay Relay, and Ignition Switch
Cell 11: LP PARK, HDLP L and HDLP R Fuses
Cell 11: RADIO-HVAC RFA CLUSTER CEL TEL, BCM PWR, INADV POWER BUS,and CIGAR LTR DATA LINK Fuses
Cell 11: HIGH BLOWER, HAZARD, STOP LAMPS, DOOR LOCKS, POWER MIRRORS, RH HEATED SEAT AND LH HEATED SEAT Fuses