GM Service Manual Online
For 1990-2009 cars only
Makes
🢒
Buick
🢒
1999
🢒
Regal
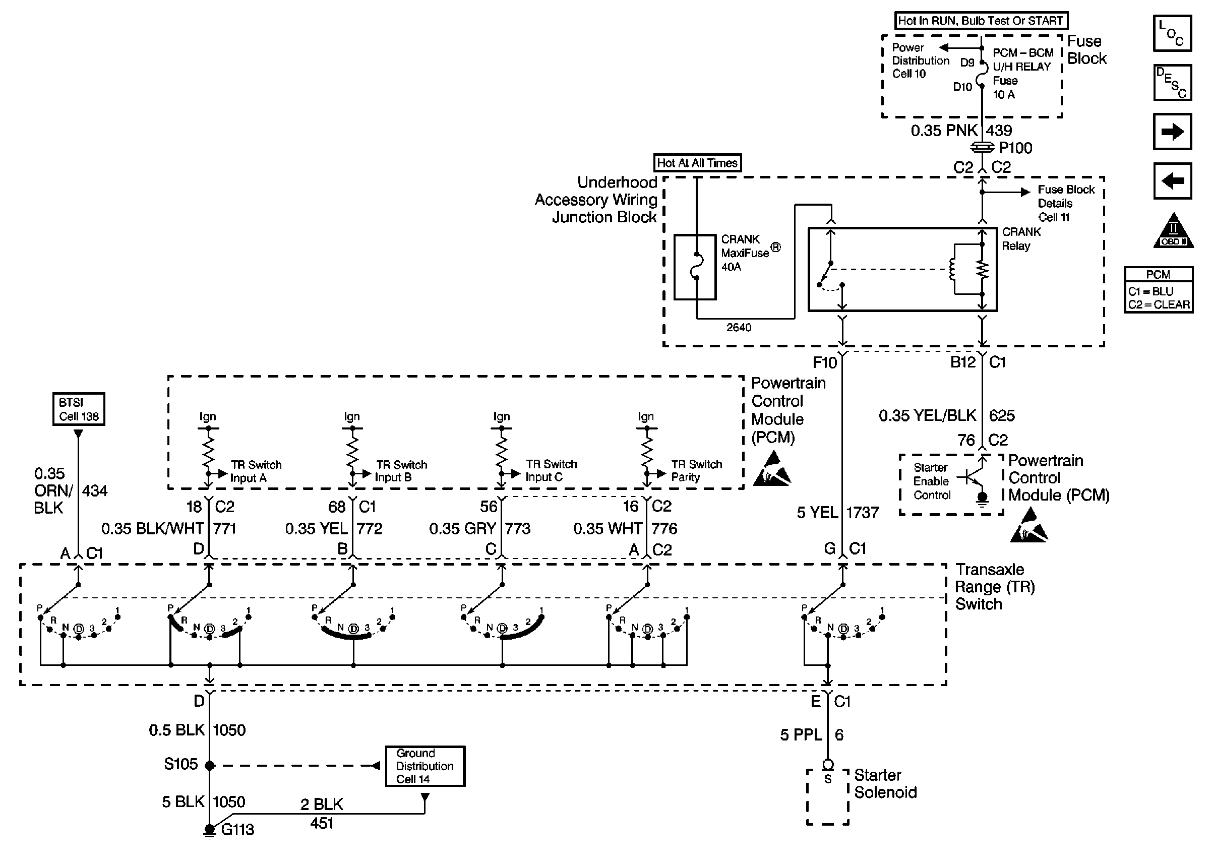
🢒 Cell 21: Transaxle Range Switch
Cell 21: Transaxle Range Switch
Cell 21: Transaxle Range Switch
Cell 21: Automatic Transmission and TCC Switch (1 of 2)
OBDII Symbol Description Notice
Cell 21: Indicator Lamps
Cell 10: Ignition Switch
Cell 11: TURN SIGNALS CORN LPS, AIR BAG, CLUSTER, DRL and PCM-BCM U/H RELAY Fuses
Cell 138: Btsi, Transaxle Range Switch, UAWJB 2 of 2
Cell 14: G100, G111, G113, and G117
Handling Electrostatic Discharge Sensitive Parts Notice
Handling Electrostatic Discharge Sensitive Parts Notice