GM Service Manual Online
For 1990-2009 cars only
Makes
🢒
Buick
🢒
1999
🢒
Regal
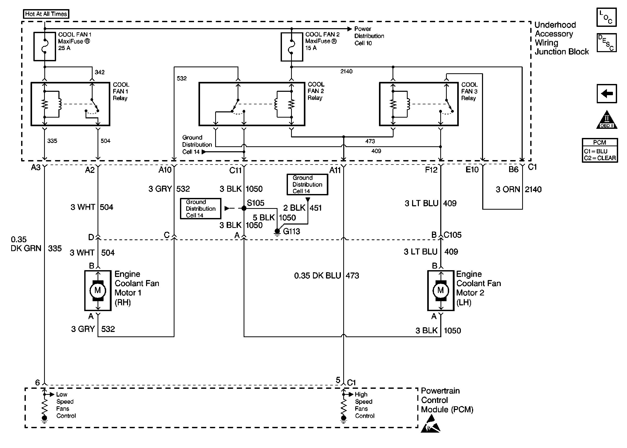
🢒 Cell 21: Coolant Fans
Cell 21: Coolant Fans
Cell 21: Coolant Fans
OBDII Symbol Description Notice
Cell 21: A/C Compressor Controls
Cell 10: Underhood Accessory Wiring Junction Block
Cell 14: G113, and G117
Cell 14: G100, G111, G113, and G117
Handling Electrostatic Discharge Sensitive Parts Notice