GM Service Manual Online
For 1990-2009 cars only

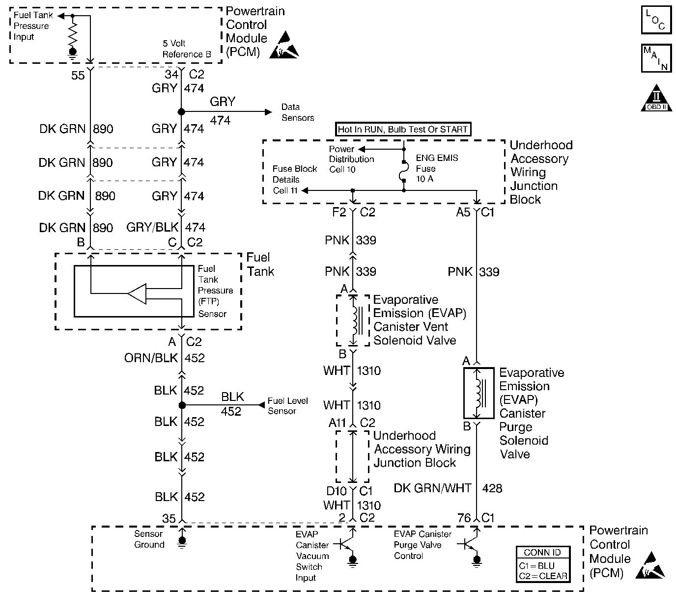
Object Number: 404436  Size: LF
Engine Controls Components
Cell 21: Engine Data Sensors-EGR, EVAP Purge, EVAP Vent and MAF
Handling ESD Sensitive Parts Notice
Handling ESD Sensitive Parts Notice
OBD II Symbol Description Notice

Circuit Description

The PCM monitors the fuel tank pressure sensor signal to detect vacuum decay and excess vacuum during the enhanced EVAP diagnostic. The fuel tank pressure sensor measures the difference between the air pressure (or vacuum) in the tank and the outside air pressure. The PCM applies a 5.0 volt reference and ground to the sensor. The sensor will return a signal voltage between 0.1 and 4.9 volts. If the PCM detects a fuel tank pressure sensor signal that is excessively high, DTC P0453 will set.

Conditions for Running the DTC

The ignition is ON.

Conditions for Setting the DTC

    • The fuel tank pressure sensor signal is greater than 4.8 volts.
    • The conditions is present for 5 seconds.

Action Taken When the DTC Sets

    • The PCM will illuminate the MIL during the second consecutive trip in which the diagnostic test has been run and failed.
    • The PCM will store conditions which were present when the DTC set as Freeze Frame and Fail Records data.

Conditions for Clearing the MIL/DTC

    • The PCM will turn the MIL OFF during the third consecutive trip in which the diagnostic has been run and passed.
    • The history DTC will clear after 40 consecutive warm-up cycles have occurred without a malfunction.
    • The DTC can be cleared by using the scan tool Clear Info function or by disconnecting the PCM battery feed.

Diagnostic Aids

Check for the following condition(s):

    • Poor connection at the PCM or Fuel Tank Pressure Sensor.
        Inspect harness connectors for backed out terminals, improper mating broken locks, improperly formed or damaged terminals, and poor terminal to wire conneciton.
    • Damaged harness.
        Inspec the wiring harness for damage. If the harness appears to be OK, observe the Fuel Tank Pressure Sensor display on the scan tool while moving connectors and wiring related to the sensor. A change in the display will indicate the location of the malfunction.

Test Description

Number(s) below refer to the step number(s) on the Diagnostic Table.

  1. This vehicle is equipped with a PCM which utilizes an Electrically Erasable Programmable Read Only Memory (EEPROM). When the PCM is being replaced, the new PCM must be programmed.

DTC P0453 Fuel Tank Pressure Sensor Circuit High Voltage

Step

Action

Value(s)

Yes

No

1

Was the Powertrain On-Board Diagnostic (OBD) System Check performed?

--

Go to Step 2

Go to Powertrain On Board Diagnostic (OBD) System Check

2

Is DTC P1639 also set?

--

Go to Step 9

Go to Step 3

3

  1. Disconnect the fuel tank pressure (FTP) sensor.
  2. Turn the ignition switch ON.
  3. Observe the FTP voltage display on the scan tool.

Does the FTP indicate a voltage near the specified value?

0V

Go to Step 5

Go to Step 4

4

  1. Check for a short between the 5V reference B and the FTP signal circuit.
  2. If a problem is found, repair as necessary. Refer to Wiring Repairs .

Was a problem found?

--

Go to Step 17

Go to Step 15

5

  1. Leave the ignitions switch ON.
  2. Connect the test lamp to battery positive voltage.
  3. Probe the FTP sensor ground circuit.

Is the test lamp ON?

--

Go to Step 8

Go to Step 6

6

  1. Check for an open in the FTP sensor ground circuit.
  2. If a problem is found, repair as necessary. Refer to Wiring Repairs .

Was a problem found?

--

Go to Step 17

Go to Step 7

7

  1. Check for poor terminal connections at the PCM.
  2. If a problem is found, repair as necessary. Refer to Repairing Connector Terminals .

Was a problem found?

--

Go to Step 17

Go to Step 15

8

  1. Check for poor terminal connections in the FTP sensor connector.
  2. If a problem is found, repair as necessary. Refer to Repairing Connector Terminals .

Was a problem found?

--

Go to Step 17

Go to Step 16

9

  1. Turn the ignition switch OFF.
  2. Disconnect the PCM.
  3. Connect a DMM between the 5V reference B circuit and engine ground.
  4. Turn the ignition switch ON.

Does the DMM display a voltage greater than the specified value?

0V

Go to Step 10

Go to Step 15

10

  1. Leave the ignition switch ON.
  2. Leave the DMM connected.
  3. Disconnect the FTP sensor connector.

Does the DMM display a voltage greater than the specified value?

0V

Go to Step 12

Go to Step 11

11

Locate and repair the short to voltage in the FTP sensor signal circuit. Refer to Wiring Repairs .

Is the action complete?

--

Go to Step 17

--

12

  1. Leave the ignition switch ON.
  2. Leave the DMM connected.
  3. Leave the FTP sensor disconnected.
  4. Disconnect the A/C pressure sensor connector.

Does the DMM display a voltage greater than the specified value?

0V

Go to Step 14

Go to Step 13

13

Locate and repair the short to voltage in the A/C pressure sensor signal circuit. Refer to Wiring Repairs .

Is the action complete?

--

Go to Step 17

--

14

Locate and repair the short to voltage in the 5V reference B circuit. Refer to Wiring Repairs .

Is the action complete?

--

Go to Step 17

--

15

Important: The replacement PCM must be reprogrammed.

Replace the PCM.

Refer to Powertrain Control Module Replacement/Programming .

Is the action complete?

--

Go to Step 17

--

16

Replace the FTP sensor. Refer to Fuel Tank Pressure Sensor Replacement .

Is the action complete?

--

Go to Step 17

--

17

  1. Review and record scan tool Fail Records data.
  2. Clear the DTCs.
  3. Operate the vehicle within the fail records conditions.
  4. Monitor the Specific DTC Info for DTC P0453.

Does the scan tool indicate that DTC P0453 has failed this ignition?

--

Go to Step 2

System OK