GM Service Manual Online
For 1990-2009 cars only
Makes
🢒
Buick
🢒
2000
🢒
Regal
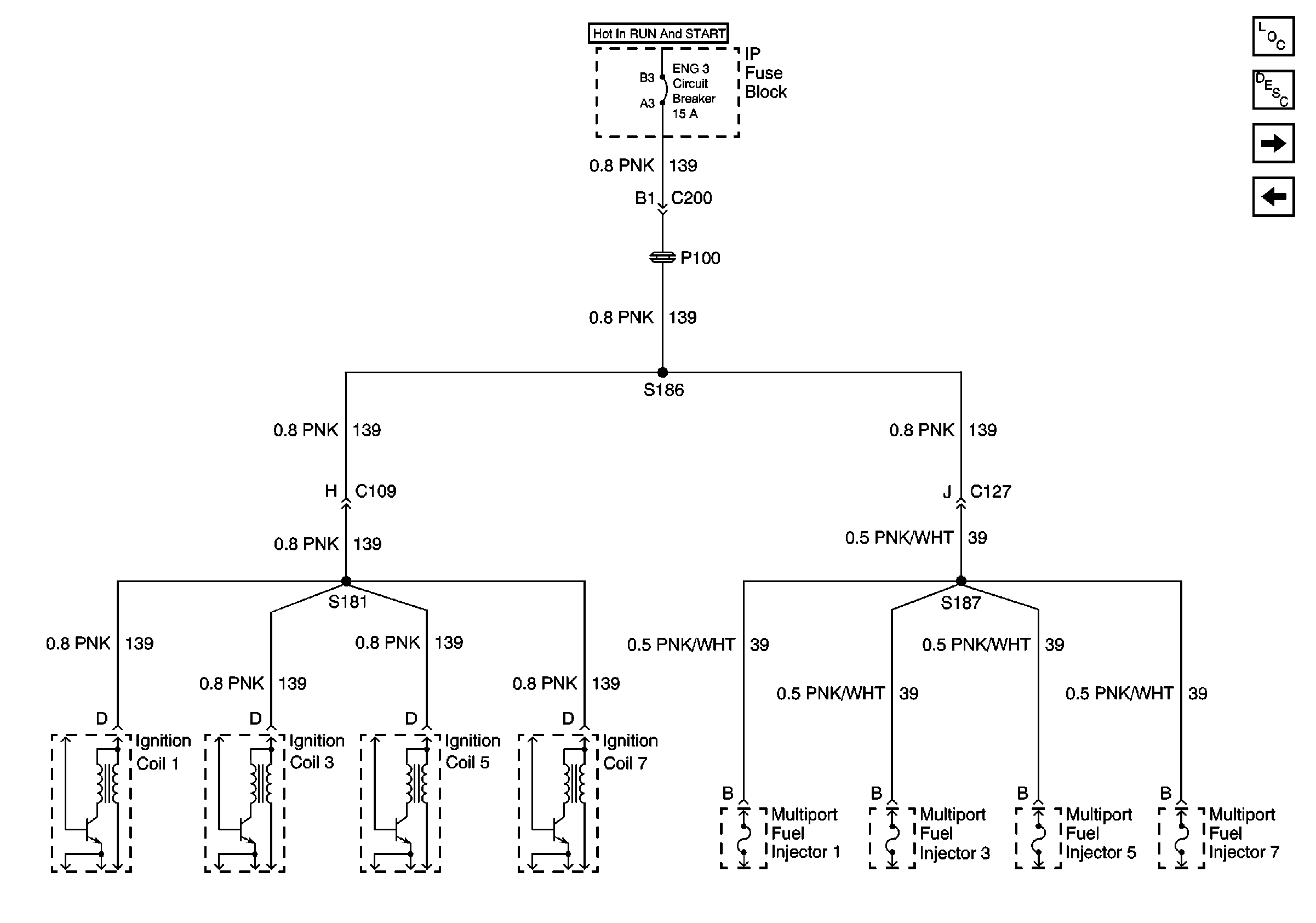
🢒 ENG 3 Circuit Breaker
ENG 3 Circuit Breaker
ENG 3 Circuit Breaker
Power and Grounding Components Power Distribution
Power and Grounding Circuit Description
IGN SW Circuit Breaker (1 of 4)
ENG 2 Circuit Breaker