GM Service Manual Online
For 1990-2009 cars only
Makes
🢒
Buick
🢒
2000
🢒
Regal
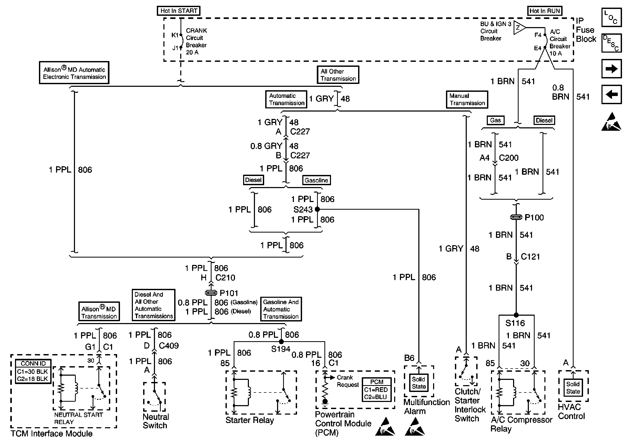
🢒 CRANK, A/C Circuit Breakers
CRANK, A/C Circuit Breakers
CRANK, A/C Circuit Breakers
Power and Grounding Components Power Distribution
Power and Grounding Circuit Description
BLOWER, HORN, CIG/AUX Circuit Breakers
B/U and IGN 3 Circuit Breaker (2 of 2)
Handling ESD Sensitive Parts Notice
B/U and IGN 3 Circuit Breaker (1 of 2)
Engine Controls Connector End Views
Handling ESD Sensitive Parts Notice
Handling ESD Sensitive Parts Notice
Powertrain Control Module Connector End Views