GM Service Manual Online
For 1990-2009 cars only
Makes
🢒
Buick
🢒
2000
🢒
Regal
🢒 G200 cont.
G200 cont.
G200 cont.
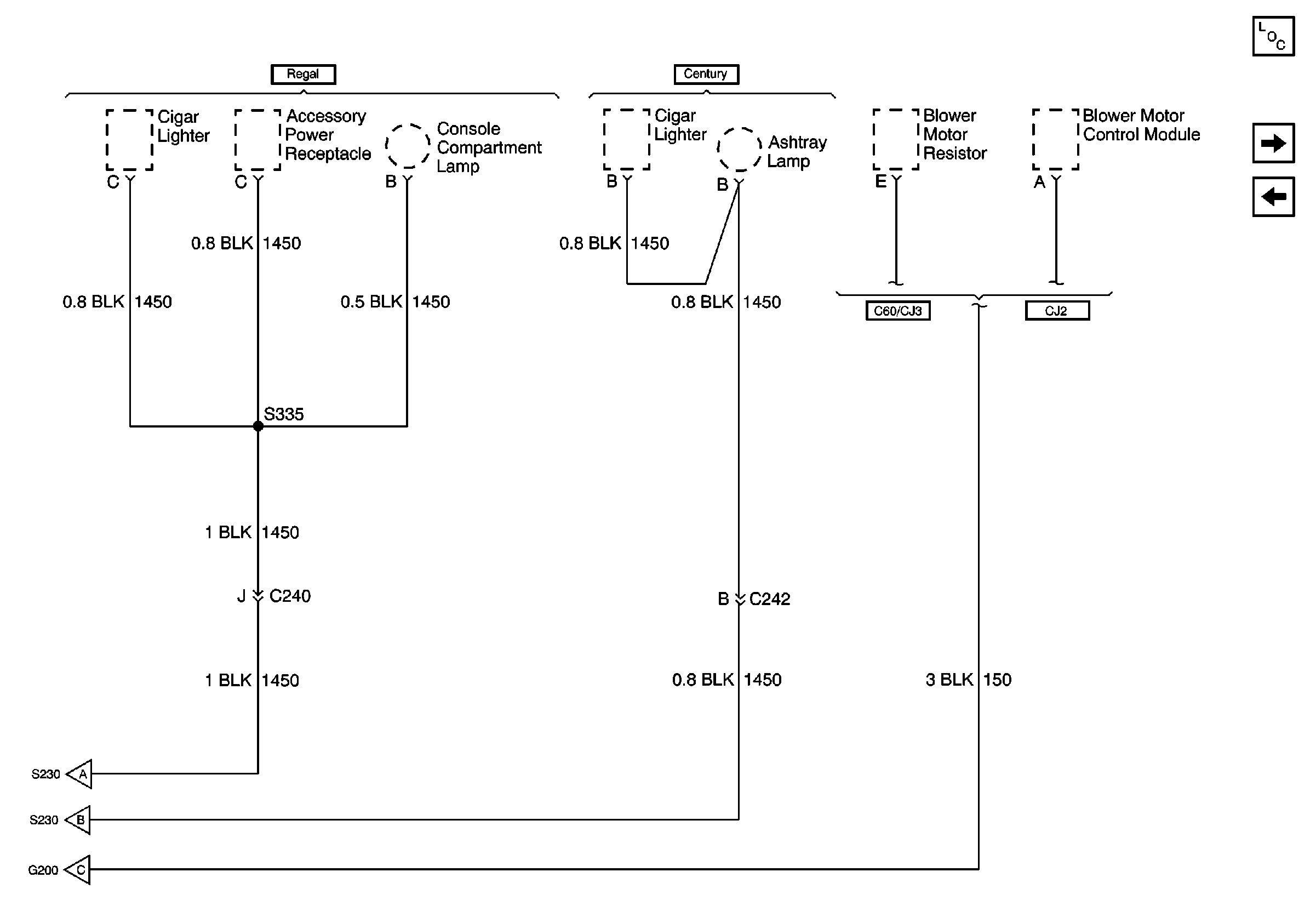
Power and Grounding Components
G201
G200
G200
G200
G200