GM Service Manual Online
For 1990-2009 cars only
Makes
🢒
Buick
🢒
2000
🢒
Regal
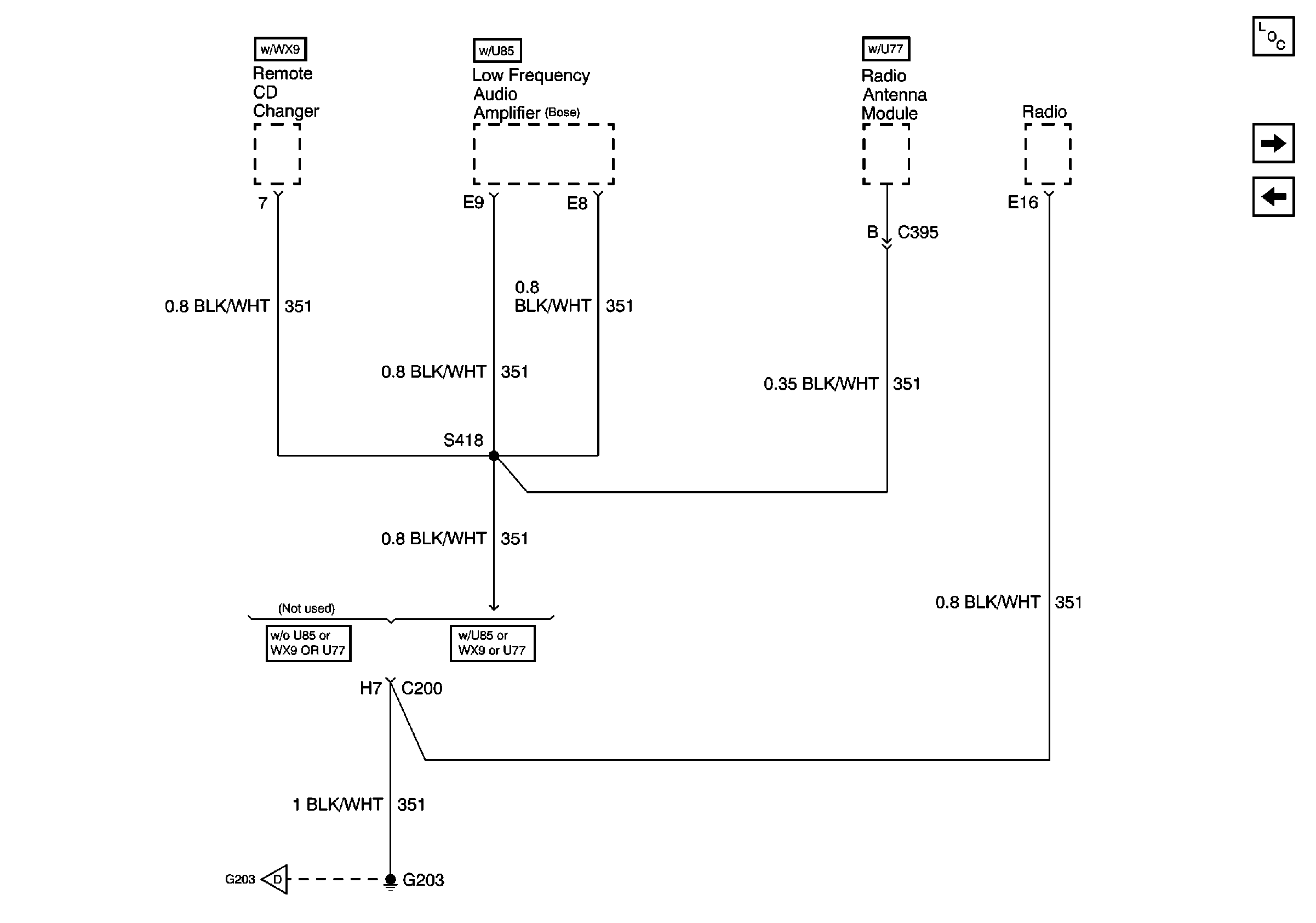
🢒 G203 cont.
G203 cont.
G203 cont.
Power and Grounding Components
G301
G203
G203