GM Service Manual Online
For 1990-2009 cars only
Makes
🢒
Buick
🢒
2000
🢒
Regal
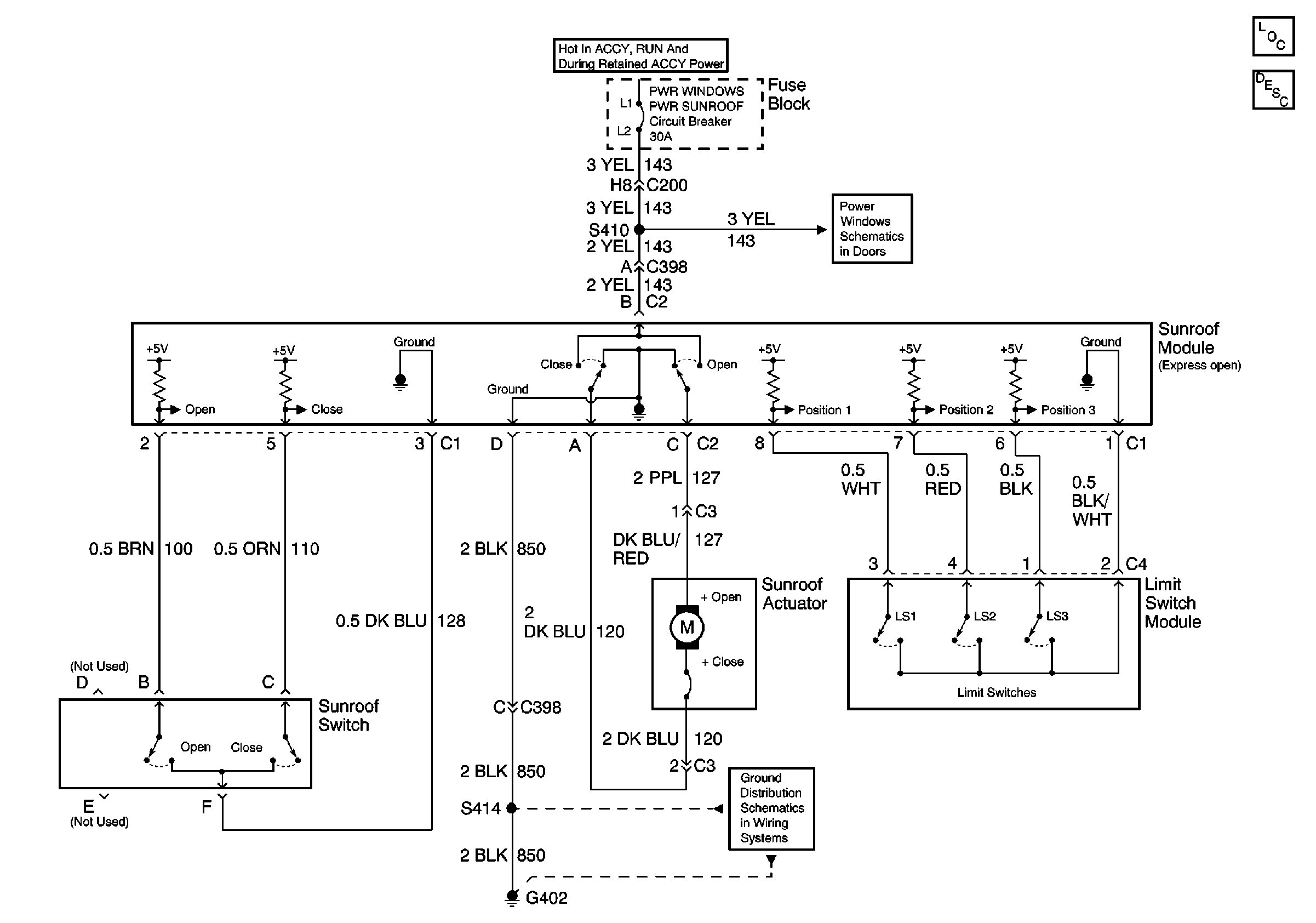
🢒 SunRoof Figure SIO
SunRoof Figure SIO
Power Roof Systems Components
Power Sunroof Circuit Description
Power Windows, Power Sunroof, Rear Defogger, and Power Seats Circuit Breakers
Power Windows, Power Sunroof, Rear Defogger, and Power Seats Circuit Breakers
G402