GM Service Manual Online
For 1990-2009 cars only
Makes
🢒
Buick
🢒
2000
🢒
Regal
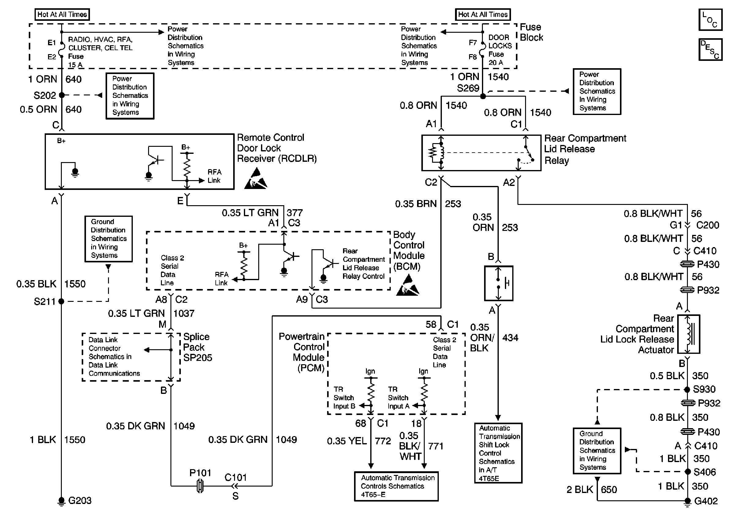
🢒 Release System Schematic
Release System Schematic
Body Rear End Components
Rear Compartment Lid Release Circuit Description