GM Service Manual Online
For 1990-2009 cars only

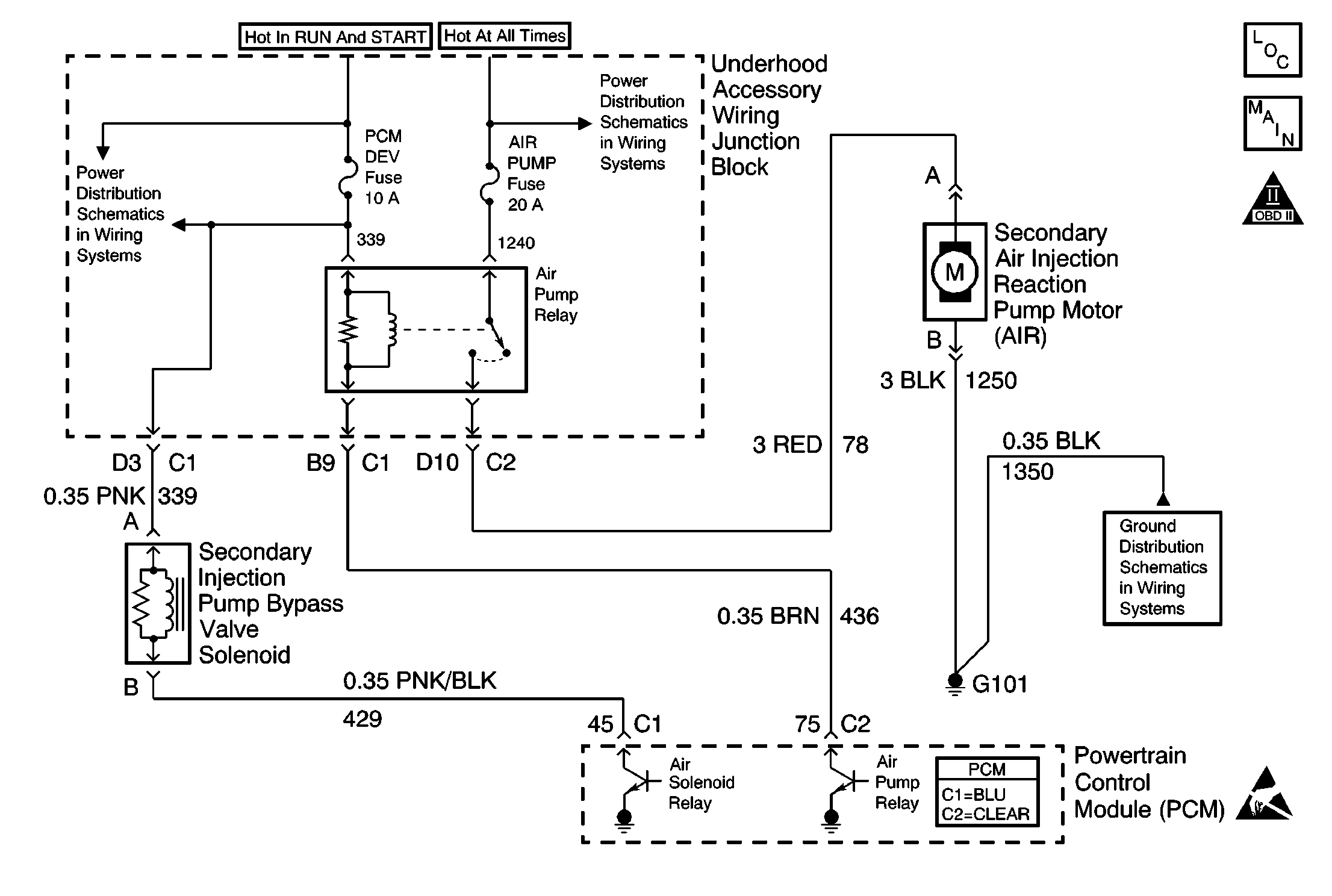
Object Number: 614823  Size: MF
Engine Controls Components
Cruise Control Module, Secondary AIR Reaction Pump Motor and VSS
OBD II Symbol Description Notice
Handling ESD Sensitive Parts Notice

Circuit Description

Ignition voltage is supplied directly to the AIR Pump relay. The powertrain control module (PCM) controls the relay by grounding the control circuit via an internal solid state device called a driver. The primary function of the driver is to supply the ground for the component being controlled. Each driver has a fault line which is monitored by the PCM. When the PCM is commanding a component ON, the voltage of the control circuit should be low, near 0 volts. When the PCM is commanding the control circuit to a component OFF, the voltage potential of the circuit should be high, near battery voltage. If the fault detection circuit senses a voltage other than what is expected, DTC P0418 will set.

The PCM will monitor the control circuit for the following conditions:

    • A short to ground
    • A short to voltage
    • An open circuit
    • An open relay coil
    • An internally shorted or excessively low resistance relay coil

When the PCM detects any of the above malfunctions, this DTC will set and the affected driver will be disabled.

Conditions for Running the DTC

    • The ignition voltage is between 9-18 volts.
    • The engine speed is more than 80 RPM.
    • The PCM driver transitions from ON to OFF or from OFF to ON.

Conditions for Setting the DTC

    • A short to ground, an open circuit, or a short to battery voltage is detected on the control circuit.
    • The condition is present for at least 30 seconds.

Action Taken When the DTC Sets

    • The PCM will illuminate the malfunction indicator lamp (MIL) during the second consecutive trip in which the diagnostic test has been run and failed.
    • The PCM will store conditions which were present when the DTC set as Freeze Frame/Failure Records data.

Conditions for Clearing the MIL/DTC

    • The PCM will turn OFF the malfunction indicator lamp (MIL) during the third consecutive trip in which the diagnostic has run and passed.
    • The history DTC will clear after 40 consecutive warm-up cycles have occurred without a malfunction.
    • The DTC can be cleared by using a scan tool.

Diagnostic Aids

Notice: Use the connector test adapter kit J 35616-A for any test that requires probing the following items:

   • The PCM harness connectors
   • The electrical center fuse/relay cavities
   • The component terminals
   • The component harness connector
Using this kit will prevent damage caused by the improper probing of connector terminals.

Notice: Do not operate the AIR pump for more than 60 seconds. Continuous operation of the AIR pump in excess of 60 seconds will damage the AIR pump.

Many situations may lead to an intermittent condition. Perform each inspection or test as directed.

Important: :  Remove any debris from the connector surfaces before servicing a component. Inspect the connector gaskets when diagnosing or replacing a component. Ensure that the gaskets are installed correctly. The gaskets prevent contaminate intrusion.

    • Loose terminal connection
       -  Use a corresponding mating terminal to test for proper tension. Refer to Testing for Intermittent Conditions and Poor Connections , and to Connector Repairs in Wiring Systems for diagnosis and repair.
       -  Inspect the harness connectors for backed out terminals, improper mating, broken locks, improperly formed or damaged terminals, and faulty terminal to wire connection. Refer to Testing for Intermittent Conditions and Poor Connections , and to Connector Repairs in Wiring Systems for diagnosis and repair.
    • Damaged harness--Inspect the wiring harness for damage. If the harness inspection does not reveal a problem, observe the display on the scan tool while moving connectors and wiring harnesses related to the sensor. A change in the scan tool display may indicate the location of the fault. Refer to Wiring Repairs in Wiring Systems for diagnosis and repair.
    •  Inspect the powertrain control module (PCM) and the engine grounds for clean and secure connections. Refer to Wiring Repairs in Wiring Systems for diagnosis and repair.

If the condition is determined to be intermittent, reviewing the Snapshot or Freeze Frame/Failure Records may be useful in determining when the DTC or condition was identified.

Test Description

The numbers below refer to the step numbers on the diagnostic table.

  1. The Powertrain On Board Diagnostic (OBD) System Check prompts you to complete some basic tests and inspections and store the Freeze Frame and Failure Records data on the scan tool.

  2. Listen for an audible click when the relay operates. Command both the ON and OFF states. Repeat the commands as necessary.

  3. This step tests for voltage at the coil feed side of the relay.

  4. This step verifies that the PCM is providing ground to the relay.

  5. This step tests if ground is constantly being applied to the relay.

  6. The PCM utilizes an Electrically Erasable Programmable Read Only Memory (EEPROM). When the PCM is replaced, the new PCM must be programmed.

DTC P0418 Secondary Air Injection (AIR) Pump Relay Control Circuit

Step

Action

Values

Yes

No

1

Did you perform the Powertrain On Board Diagnostic (OBD) System Check?

--

Go to Step 2

Go to Powertrain On Board Diagnostic (OBD) System Check

2

  1. Turn ON the ignition, with the engine OFF.
  2. With a scan tool, command the AIR Pump relay and solenoid ON and OFF.

Does the relay turn ON and OFF with each command?

--

Go to Diagnostic Aids

Go to Step 3

3

  1. Turn OFF the ignition.
  2. Disconnect the relay.
  3. Turn ON the ignition, with the engine OFF.
  4. Probe the coil feed circuit of the relay with a test lamp connected to a good ground.

Does the test lamp illuminate?

--

Go to Step 4

Go to Step 10

4

  1. Connect a test lamp between the control circuit of the relay and the coil feed circuit of the relay.
  2. With a scan tool, command the AIR Pump relay and solenoid ON and OFF .

Does the test lamp turn ON and OFF with each command?

--

Go to Step 8

Go to Step 5

5

Does the test lamp remain illuminated with each command?

--

Go to Step 7

Go to Step 6

6

  1. Test the control circuit of the relay for a short to voltage or an open.
  2. If a problem is found, repair as necessary. Refer to Wiring Repairs in Wiring Systems.

Did you find and correct the condition?

--

Go to Step 13

Go to Step 9

7

  1. Test the control circuit of the relay for a short to ground.
  2. If a problem is found, repair as necessary. Refer to Wiring Repairs in Wiring Systems.

Did you find and correct the condition?

--

Go to Step 13

Go to Step 9

8

  1. Inspect for poor connections at the relay.
  2. If a problem is found, repair as necessary. Refer to Testing for Intermittent Conditions and Poor Connections and Connector Repairs in Wiring Systems.

Did you find and correct the condition?

--

Go to Step 13

Go to Step 11

9

  1. Inspect for poor connections at the PCM.
  2. If a problem is found, repair as necessary. Refer to Testing for Intermittent Conditions and Poor Connections and Connector Repairs in Wiring Systems.

Did you find and correct the condition?

--

Go to Step 13

Go to Step 12

10

Repair the feed circuit of the relay. Refer to Wiring Repairs in Wiring Systems.

Is the action complete?

--

Go to Step 13

--

11

Replace the relay.

Is the action complete?

--

Go to Step 13

--

12

Important: The replacement PCM must be programmed.

Replace the PCM. Refer to Powertrain Control Module Replacement/Programming .

Is the action complete?

--

Go to Step 13

--

13

  1. Use a scan tool to clear the DTCs .
  2. Operate the vehicle within the Conditions for Running the DTC as specified in the supporting text.

Does the DTC reset?

--

Go to Step 2

System OK