GM Service Manual Online
For 1990-2009 cars only

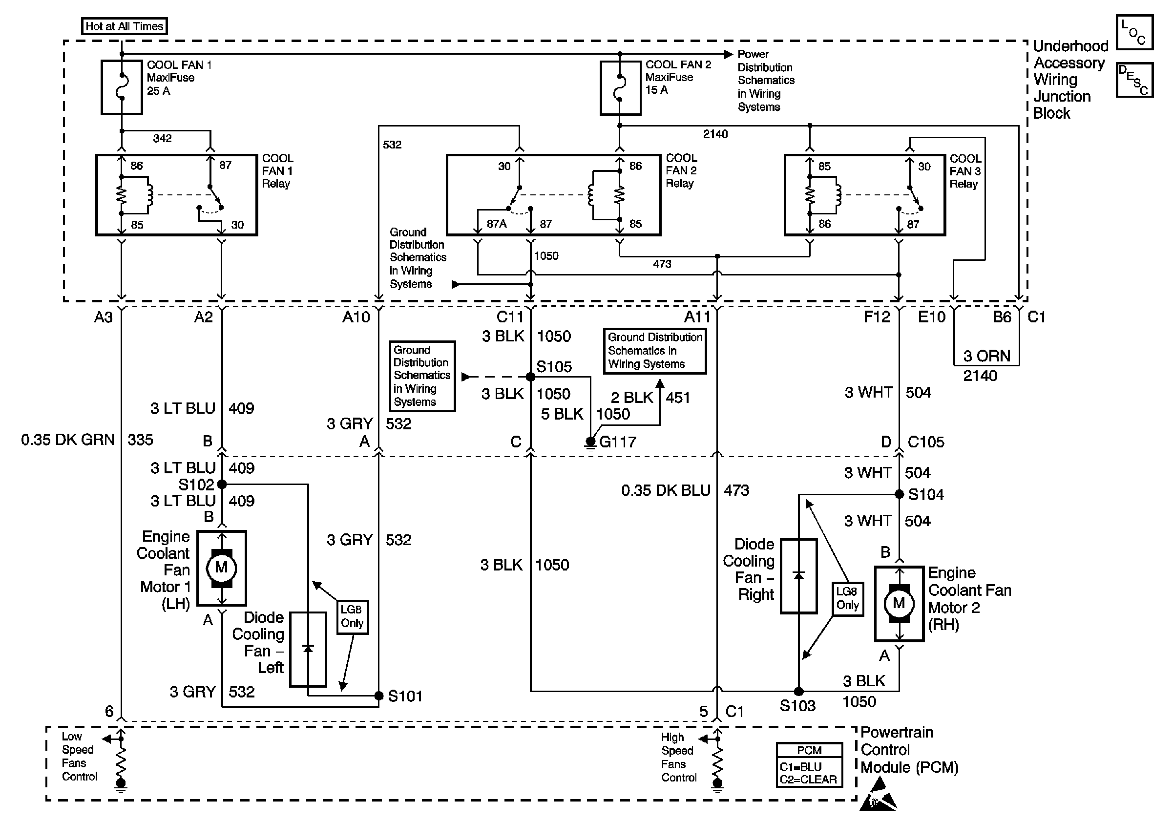
Refer to Engine Controls Schematic

Cooling Fans


Object Number: 589934  Size: FS
G113 and G117
G113 and G117
G113 and G117
UAWJB
Handling ESD Sensitive Parts Notice
Instrument Panel, Gages, and Console Component Views
Instrument Cluster Circuit Description
Automatic Transaxle TCC Input/Output
OBD II Symbol Description Notice
.

Circuit Description

Output driver modules (ODMs) are used by the powertrain control module (PCM) to turn ON many of the current-driven devices that are needed to control various engine and transaxle functions. Each ODM is capable of controlling up to 7 separate outputs by applying ground to the device which the PCM is commanding on. Unlike the quad driver modules (QDMs) used in prior model years, ODMs have the capability of diagnosing each output circuit individually. If an improper voltage level has been detected on ODM B output 2, which controls the Cool Fan 2 and Cool Fan 3 relays, DTC P0481 will set.

Conditions for Setting the DTC

    • The ignition is ON.
    •  An improper voltage level has been detected on ODM B output 2, the High Speed Fans Relay driver circuit.
    • The above conditions are present for at least 30 seconds.

Action Taken When the DTC Sets

    • The PCM will illuminate the malfunction indicator lamp (MIL) during the second consecutive trip in which the diagnostic test has been run and failed.
    • The PCM will store conditions which were present when the DTC set as Freeze Frame/Failure Records data.

Conditions for Clearing the MIL/DTC

    • The PCM will turn OFF the malfunction indicator lamp (MIL) during the third consecutive trip in which the diagnostic has run and passed.
    • The history DTC will clear after 40 consecutive warm-up cycles have occurred without a malfunction.
    • The DTC can be cleared by using a scan tool.

Diagnostic Aids

Inspect for the following conditions:

Many situations may lead to an intermittent condition. Perform each inspection or test as directed.

Important: :  Remove any debris from the connector surfaces before servicing a component. Inspect the connector gaskets when diagnosing or replacing a component. Ensure that the gaskets are installed correctly. The gaskets prevent contaminate intrusion.

    • Loose terminal connection
       -  Use a corresponding mating terminal to test for proper tension. Refer to Testing for Intermittent Conditions and Poor Connections , and to Connector Repairs in Wiring Systems for diagnosis and repair.
       -  Inspect the harness connectors for backed out terminals, improper mating, broken locks, improperly formed or damaged terminals, and faulty terminal to wire connection. Refer to Testing for Intermittent Conditions and Poor Connections , and to Connector Repairs in Wiring Systems for diagnosis and repair.
    • Damaged harness--Inspect the wiring harness for damage. If the harness inspection does not reveal a problem, observe the display on the scan tool while moving connectors and wiring harnesses related to the sensor. A change in the scan tool display may indicate the location of the fault. Refer to Wiring Repairs in Wiring Systems for diagnosis and repair.
    •  Inspect the powertrain control module (PCM) and the engine grounds for clean and secure connections. Refer to Wiring Repairs in Wiring Systems for diagnosis and repair.

If the condition is determined to be intermittent, reviewing the Snapshot or Freeze Frame/Failure Records may be useful in determining when the DTC or condition was identified.

Test Description

The numbers below refer to the step numbers on the diagnostic table.

  1. The Powertrain On Board Diagnostic (OBD) System Check prompts you to complete some basic tests and store the Failure Records data on the scan tool.

  2. Listen for an audible click when the relay operates. Command both the ON and OFF states. Repeat the commands as necessary.

  3. This step tests for voltage at the coil feed side of the relays.

  4. This step verifies that the PCM is providing ground to the relays.

  5. This step tests if ground is constantly being applied to the relays.

  6. The PCM utilizes an Electrically Erasable Programmable Read Only Memory (EEPROM). When the PCM is replaced, the new PCM must be programmed.

P0481 Fan 2 Relay Control Ckt

Step

Action

Values

Yes

No

1

Did you perform the Powertrain On Board Diagnostic (OBD) System Check?

--

Go to Step 2

Go to Powertrain On Board Diagnostic (OBD) System Check

2

Important: If you cannot determine if the relays are responding to the command, observe the fans. When the high speed relay is commanded ON, both fans should operate in low speed and after several seconds both fans should switch to high speed. If the fans are not operating properly continue with step 3 of this table.

  1. Turn ON the ignition, with the engine OFF.
  2. With a scan tool, command the high speed relay ON and OFF.

Do the high speed and the series/parallel relays turn ON after several seconds and OFF with each command?

--

Go to Diagnostic Aids

Go to Step 3

3

  1. Turn OFF the ignition.
  2. Disconnect the Fan 2 and Fan 3 relays.
  3. Turn ON the ignition, with the engine OFF.
  4. Probe the coil feed circuits of each relay using a test lamp.

Does the test lamp illuminate for both circuits?

--

Go to Step 4

Go to Step 10

4

  1. Connect a test lamp between the control circuits of each relay and the coil feeds circuit of each relay.
  2. With a scan tool, command the Fan relay 2 and 3 ON and OFF.

Does the test lamp turn ON after several seconds and OFF with each command for both relays?

--

Go to Step 8

Go to Step 5

5

Does the test lamp remain illuminated with each command when probing either feed circuit?

--

Go to Step 7

Go to Step 6

6

  1. Test the control circuits of each relay for a short to voltage or an open.
  2. If a problem is found repair as necessary. Refer to Wiring Repairs in Wiring Systems.

Did you find and correct the condition?

--

Go to Step 13

Go to Step 9

7

  1. Test the control circuits of each relay for a short to ground.
  2. If a problem is found repair as necessary. Refer to Wiring Repairs in Wiring Systems.

Did you find and correct the condition?

--

Go to Step 13

Go to Step 9

8

  1. Inspect for poor connections at the relays.
  2. If a problem is found repair as necessary. Refer to Testing for Intermittent Conditions and Poor Connections and Connector Repairs in Wiring Systems.

Did you find and correct the condition?

--

Go to Step 13

Go to Step 11

9

  1. Inspect for poor connections at the PCM.
  2. If a problem is found repair as necessary. Refer to Testing for Intermittent Conditions and Poor Connections and Connector Repairs in Wiring Systems.

Did you find and correct the condition?

--

Go to Step 13

Go to Step 12

10

Repair the feed circuit of the effected relay. Refer to Wiring Repairs in Wiring Systems.

Is the action complete?

--

Go to Step 13

--

11

Replace the effected relay.

Is the action complete?

--

Go to Step 13

--

12

Important: The replacement PCM must be programmed.

Replace the PCM. Refer to Powertrain Control Module Replacement/Programming .

Is the action complete?

--

Go to Step 13

--

13

  1. Use a scan tool to clear the DTCs.
  2. Operate the vehicle within the Conditions for Running the DTC as specified in the supporting text.

Does the DTC reset?

--

Go to Step 2

System OK