GM Service Manual Online
For 1990-2009 cars only
Figure 1:

Center of Instrument Panel


Object Number: 591937  Size: LF
(1)Radio
(2)Radio Connector
(3)Radio Antenna Connector
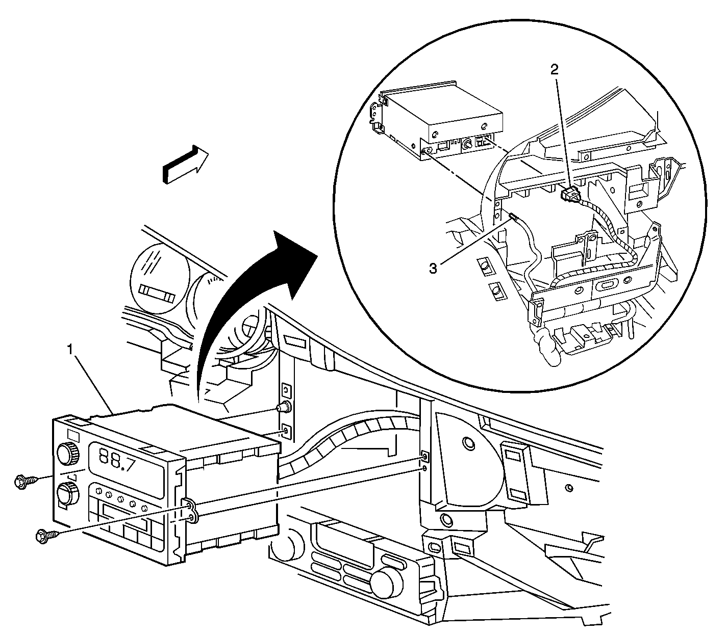
Figure 2:

IP Antenna Cable


Object Number: 581267  Size: LF
(1)Radio
(2)C290 (Inline Antenna Cable from IP to Main Body Harness)
Figure 3:

Steering Wheel Component View


Object Number: 389029  Size: LF
(1)Cruise Control Switch
(2)Turn Signal and Headlamp Dimmer and Windshield Wiper/Washer Switch (Lever)
(3)Inflatable Restriant Steering Wheel Module Coil
(4)Radio Control Switches Connector
(5)Inflatable Restraint Steering Wheel Module Coil Connector
(6)Inflatable Restraint Steering Wheel Module
(7)Horn Switch B+ Connector
(8)Horn Switch Ground Connector
(9)Radio Control Switch
Figure 4:

Front Windshield Antenna (RPO UV7)


Object Number: 581293  Size: LF
(1)Front Windshield Radio Antenna Ground Connections
(2)Front Windshield Radio Antenna Cable Connection
Figure 5:

Lower Leading Edge of Front Door (RPO UQ3)


Object Number: 591938  Size: LF
(1)Front Radio Speaker (Tweeter)
(2)Front Radio Speaker (Midrange)
(3)Front Radio Speaker
Figure 6:

Top Right Side of Rear Window (RPO U85)


Object Number: 591942  Size: LF
(1)Radio Antenna Module
(2)Rear Window Defogger/Antenna Module Grid Connection
(3)C399 - Inline Cable from Body to Antenna Amplifier
Figure 7:

Rear Compartment Antenna Cable


Object Number: 581298  Size: LF
(1)C390 (Inline Antenna Cable from Main Body to Rear Antenna/MAST)
Figure 8:

Lower Leading Edge of Front Door (RPO U85)


Object Number: 591940  Size: LF
(1)Front Radio Speaker - Tweeter - Connector
(2)Front Radio Speaker - Midrange - Connector
(3)Front Radio Speaker
Figure 9:

Rear Compartment Below Rear Deck (RPO U85)


Object Number: 388932  Size: LF
(1)Low Frequency Audio Amplifier Connector
(2)Low Frequency Audio Amplifier
Figure 10:

Bose® Speaker (w/ RPO U85 Only) -- LH Side of Rear Window Panel (RH Side Similar)


Object Number: 305360  Size: LF
(1)Radio Rear Bose® Speaker
(2)Rear Window Panel
(3)Body Wiring Harness
Figure 11:

Left Front Door


Object Number: 389002  Size: LF
(1)Radio Front Door Speaker
(2)Radio Front Door Speaker - Tweeter - Connector
(3)Door Courtesy Lamp
(4)Door Courtesy Lamp Connector