GM Service Manual Online
For 1990-2009 cars only
Makes
🢒
Buick
🢒
2001
🢒
Regal
🢒
HVAC
🢒
HVAC Systems - Manual
🢒 Body Control System Component Views
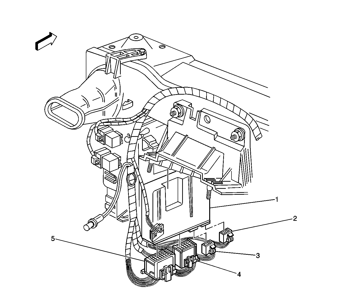
Below Left Side of Instrument Panel
(1)
Body Control Module (BCM)
(2)
Body Control Module (BCM) Connector, C4
(3)
Body Control Module (BCM) Connector, C2
(4)
Body Control Module (BCM) Connector, C3
(5)
Body Control Module (BCM) Connector, C1