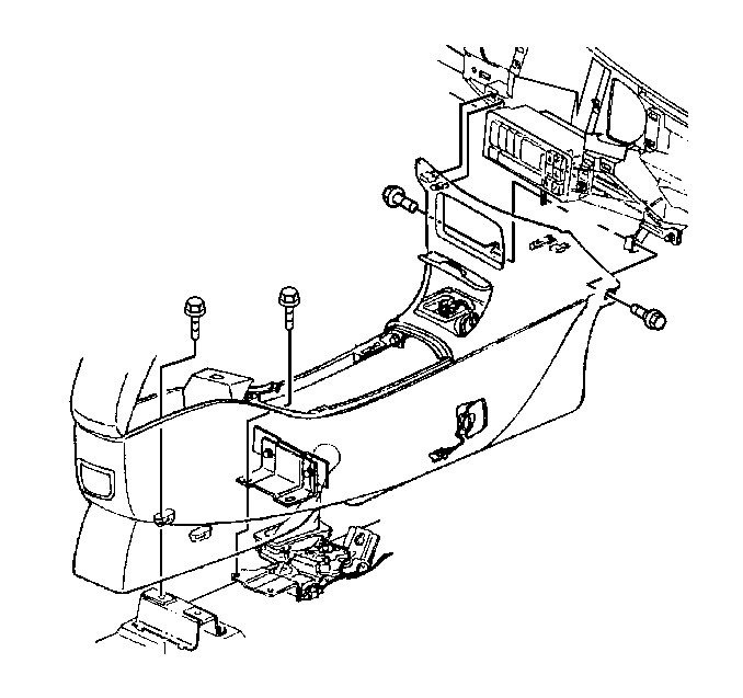
- Position the front floor console into the vehicle.
- Connect the electrical
connectors to the front floor console.
- Align the front floor console over the transaxle shifter and position
the front floor console retainers to the instrument panel.
- Push the front floor console
forward into the retainers in the instrument panel until fully seated.
Notice: Use the correct fastener in the correct location. Replacement fasteners
must be the correct part number for that application. Fasteners requiring
replacement or fasteners requiring the use of thread locking compound or sealant
are identified in the service procedure. Do not use paints, lubricants, or
corrosion inhibitors on fasteners or fastener joint surfaces unless specified.
These coatings affect fastener torque and joint clamping force and may damage
the fastener. Use the correct tightening sequence and specifications when
installing fasteners in order to avoid damage to parts and systems.
- Install the bolts
to the forward edge of the front floor console.
Tighten
Tighten the front floor console front side bolts to 5 N·m
(44 lb in).
- Install the bolts into
the front floor console mounting bracket at the rear of the transaxle shifter
lever.
Tighten
Tighten the front floor console bracket rear of transaxle shift lever
bolts to 5 N·m (44 lb in).
- Install the bolts to the storage area of the front floor console.
Tighten
Tighten the front floor console to storage compartment bolts to 5 N·m
(44 lb in).
- Install the rubber mat
to the storage compartment in the front floor console.
- Install the front floor console trim plate. Refer to
Console Front Trim Plate Replacement
.
- Install the front floor console power accessory port. Refer to
Floor Console Accessory Power Receptacle Replacement
.
- Install the front floor console cigrette lighter. Refer to
Console Ashtray/Lighter Replacement
.
- Reposition the transaxle shift lever to the PARK position.
- Release the parking brake.
- Connect the battery negative cable. Refer to
Battery Negative Cable Disconnection and Connection
.