GM Service Manual Online
For 1990-2009 cars only
Makes
🢒
Buick
🢒
2002
🢒
Regal
🢒
Body and Accessories
🢒
Retained Accessory Power
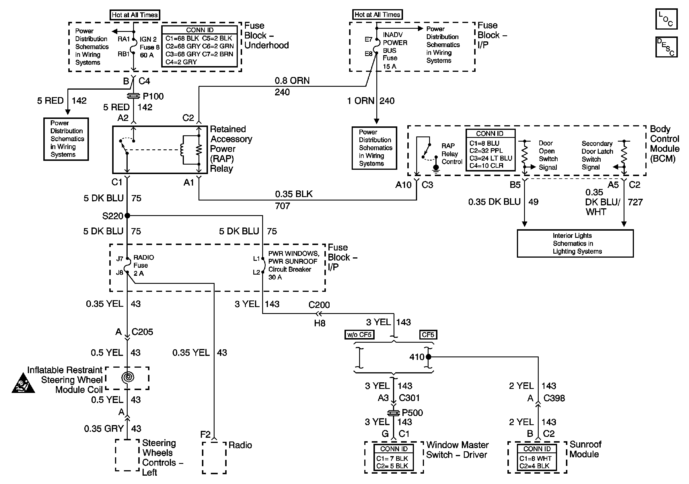
🢒 Retained Accessory Power (RAP) Schematics
Master Electrical Component List
Retained Accessory Power (RAP) Description and Operation
Fuse Block Underhood Power Bussing (Page 1 of 2)
Batt 1 Fuse
Power Distribution Schematics (IGN 2)
Batt 1 Fuse
Lamp Controls
SIR Caution