GM Service Manual Online
For 1990-2009 cars only
Makes
🢒
Buick
🢒
2002
🢒
Regal
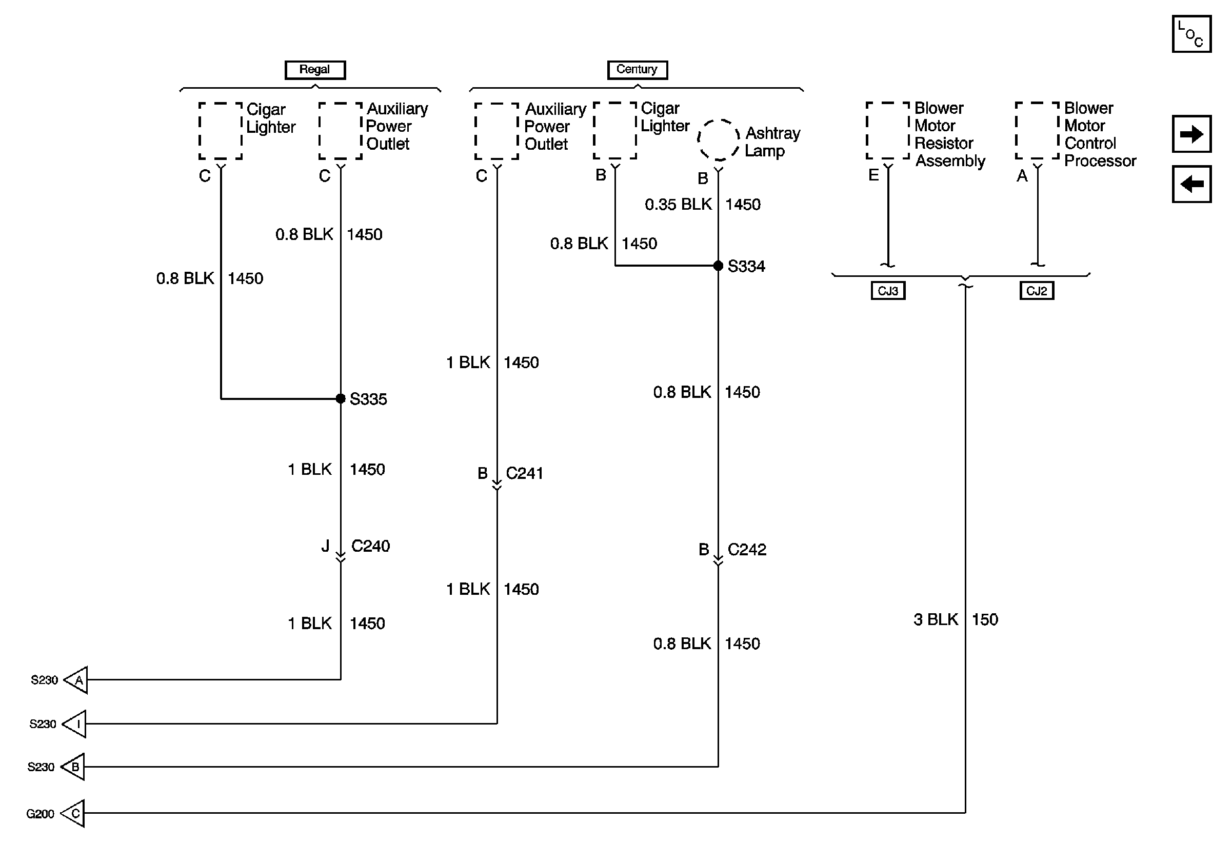
🢒 G200 (Page 2 of 2)
G200 (Page 2 of 2)
G200, Page 2 of 2
Master Electrical Component List
G201
G200 (Page 1 of 2)
G200 (Page 1 of 2)
G200 (Page 1 of 2)
G200 (Page 1 of 2)
G200 (Page 1 of 2)