GM Service Manual Online
For 1990-2009 cars only
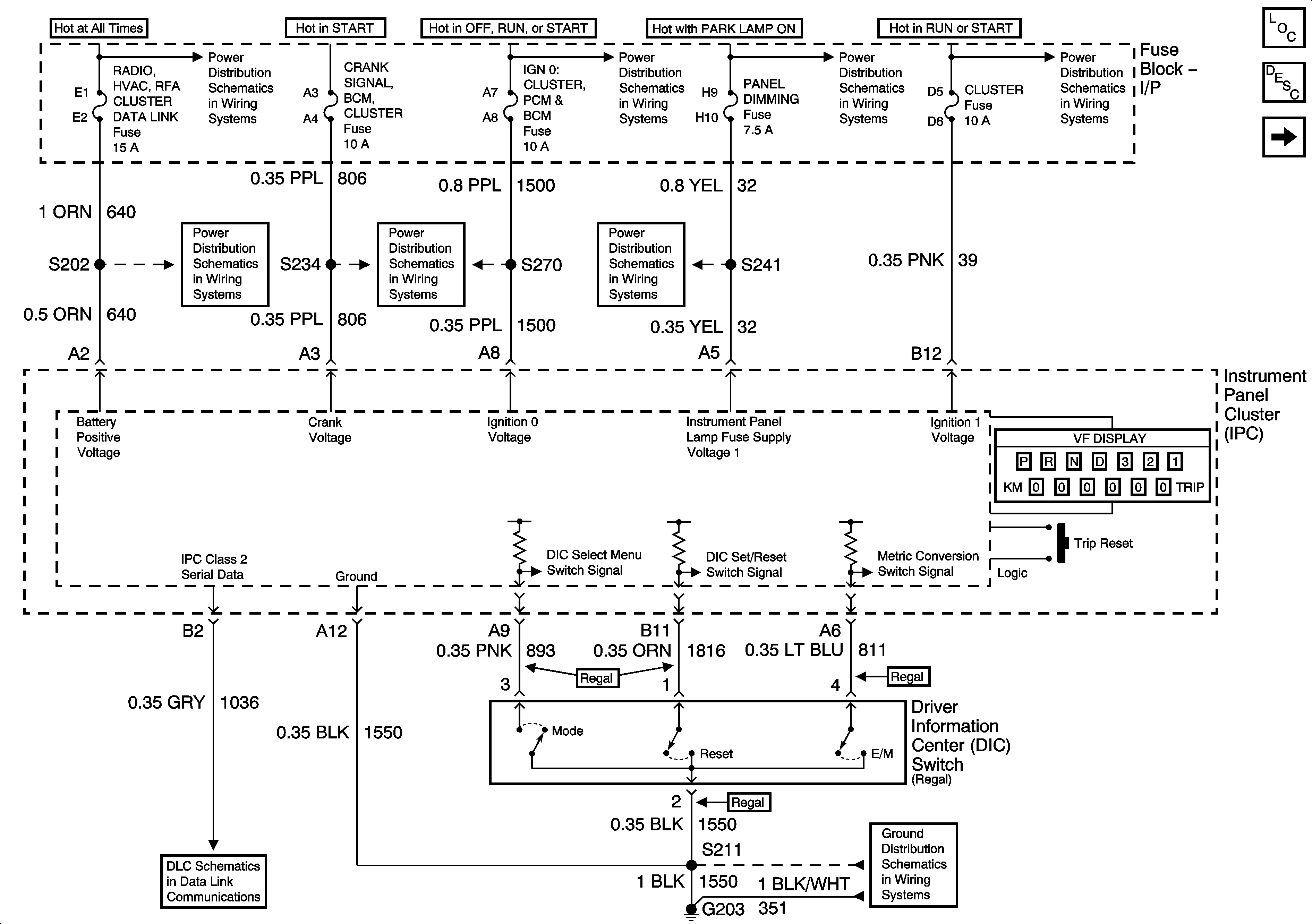
Figure 1:

Power, Ground, DIC Switch, and DLC


Object Number: 905336  Size: FS
Master Electrical Component List
Instrument Cluster Description and Operation
Gages
Fuse Block-Underhood Batt 1 Fuse, Fuse Block-I/P RADIO, HVAC, RFA CLUSTER, DATA LINK, BCM PWR, INADV POWER BUS, RADIO PREM SOUND, and CIGAR LTR Fuses
Fuse Block-Underhood IGN 1 Fuse
Fuse Block-I/P TAIL LAMPS, LIC LAMPS, and PANEL DIMMING Fuses
Fuse Block-Underhood IGN 1 Fuse
Fuse Block-Underhood Batt 1 Fuse, Fuse Block-I/P RADIO, HVAC, RFA CLUSTER, DATA LINK, BCM PWR, INADV POWER BUS, RADIO PREM SOUND, and CIGAR LTR Fuses
Fuse Block-I/P CRANK SIGNAL, BCM, CLUSTER, IGN 0:CLUSTER, PCM and BCM, and PARK LOCK Fuses
Fuse Block-I/P TAIL LAMPS, LIC LAMPS, and PANEL DIMMING Fuses
Data Link Connector (DLC) Schematics
G203, Page 1 of 2
Figure 2:

Gages


Object Number: 803974  Size: FS
Master Electrical Component List
Driver Information Center (DIC) Description and Operation
Indicators, Page 1 of 2
Power, Ground, DLC, and DIC Switch
EVAP Controls and FTP Sensor
Fuel Controls - EVAP and FTP
Data Link Connector (DLC) Schematics
Figure 3:

Indicators, Page 1 of 2


Object Number: 885208  Size: FS
Master Electrical Component List
Instrument Cluster Description and Operation
Indicators, Page 2 of 2
Gages
Front Park Lamps
I/P Dimmer Switch, HVAC, and IPC
Module Power, Ground, Serial Data and MIL
Power, Ground, MIL, and Serial Data
Wiper/Washer System Schematics
Brake Warning System Schematics
Headlamps
G201
Figure 4:

Indicators, Page 2 of 2


Object Number: 1196042  Size: FS
Master Electrical Component List
Indicator/Warning Message Description and Operation
Indicators, Page 1 of 2
Data Link Connector (DLC) Schematics
G100, G113, and G171
G100, G113, and G171