GM Service Manual Online
For 1990-2009 cars only
Figure 1:

Power, Ground, and DLC


Object Number: 879516  Size: FS
Master Electrical Component List
Radio/Audio System Description and Operation
Speakers - UQ3/UX7
Fuse Block-Underhood IGN 2 Fuse
Fuse Block-Underhood Batt 1 Fuse, Fuse Block-I/P RADIO, HVAC, RFA CLUSTER, DATA LINK, BCM PWR, INADV POWER BUS, RADIO PREM SOUND, and CIGAR LTR Fuses
Fuse Block-I/P TAIL LAMPS, LIC LAMPS, and PANEL DIMMING Fuses
Fuse Block-I/P WIPER, BCM ACC, POWER DROP, RADIO, and STRG WHL CONT Fuses
Fuse Block-I/P TAIL LAMPS, LIC LAMPS, and PANEL DIMMING Fuses
Fuse Block-Underhood Batt 1 Fuse, Fuse Block-I/P RADIO, HVAC, RFA CLUSTER, DATA LINK, BCM PWR, INADV POWER BUS, RADIO PREM SOUND, and CIGAR LTR Fuses
I/P Dimmer Switch, HVAC, and IPC
Data Link Connector (DLC) Schematics
G203, Page 2 of 2
Inputs and Outputs
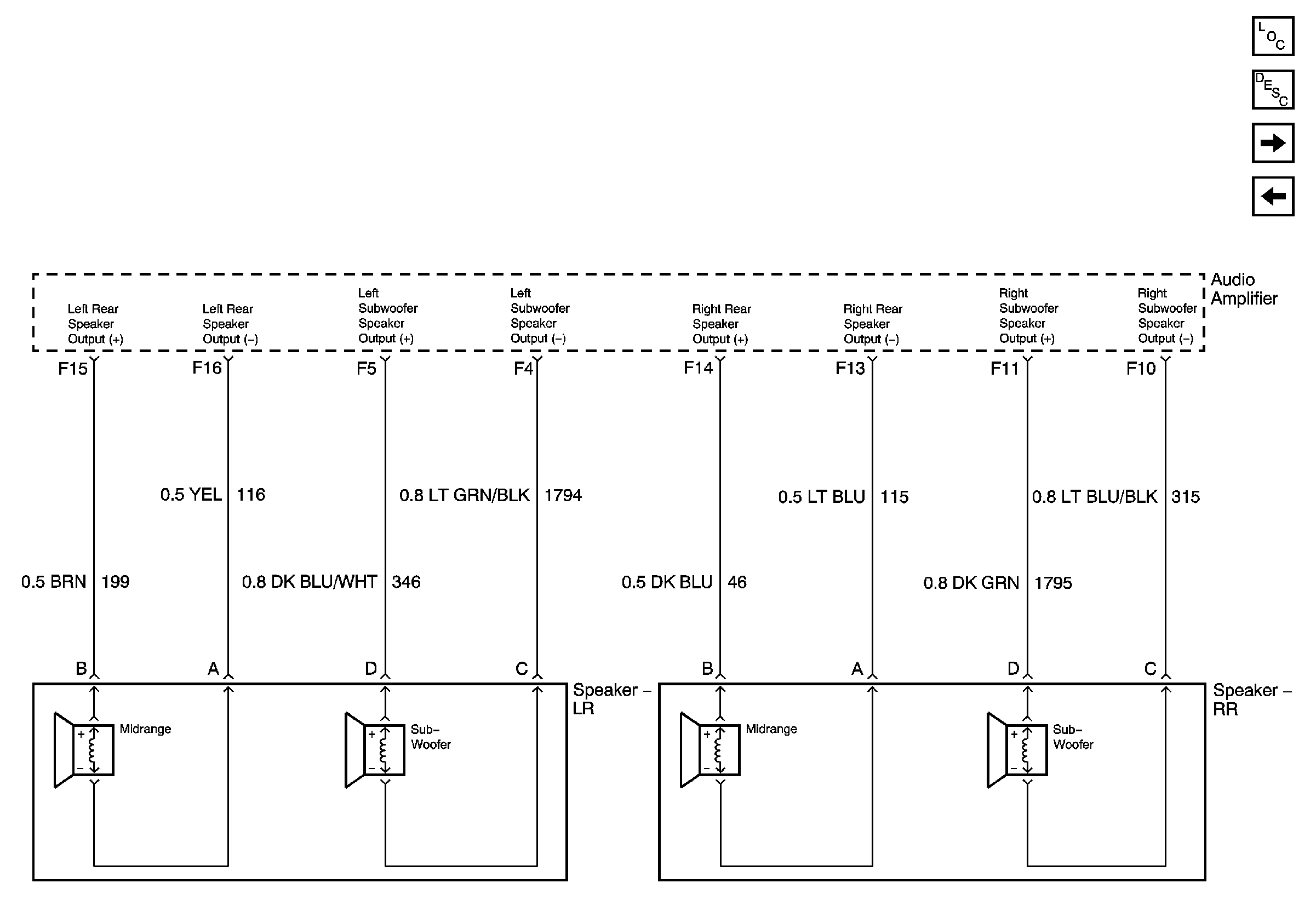
Figure 2:

Speakers (UQ3/UX7)


Object Number: 879519  Size: FS
Master Electrical Component List
Radio/Audio System Description and Operation
Premium Sound Audio Signals - U85
Power, Ground, and DLC
Figure 3:

Premium Sound Audio Signals (U85)


Object Number: 879524  Size: FS
Master Electrical Component List
Radio/Audio System Description and Operation
Rear Speakers - U85
Speakers - UQ3/UX7
Fuse Block-Underhood Batt 1 Fuse, Fuse Block-I/P RADIO, HVAC, RFA CLUSTER, DATA LINK, BCM PWR, INADV POWER BUS, RADIO PREM SOUND, and CIGAR LTR Fuses
Entertainment Schematic Icons
Entertainment Schematic Icons
Entertainment Schematic Icons
Entertainment Schematic Icons
Entertainment Schematic Icons
Entertainment Schematic Icons
Entertainment Schematic Icons
Entertainment Schematic Icons
G203, Page 2 of 2
Figure 4:

Rear Speakers (U85)


Object Number: 879526  Size: FS
Master Electrical Component List
Radio/Audio System Description and Operation
Front Speakers - U85
Premium Sound Audio Signals - U85
Figure 5:

Front Speakers (U85)


Object Number: 813757  Size: FS
Master Electrical Component List
Radio/Audio System Description and Operation
Antenna Module
Rear Speakers - U85
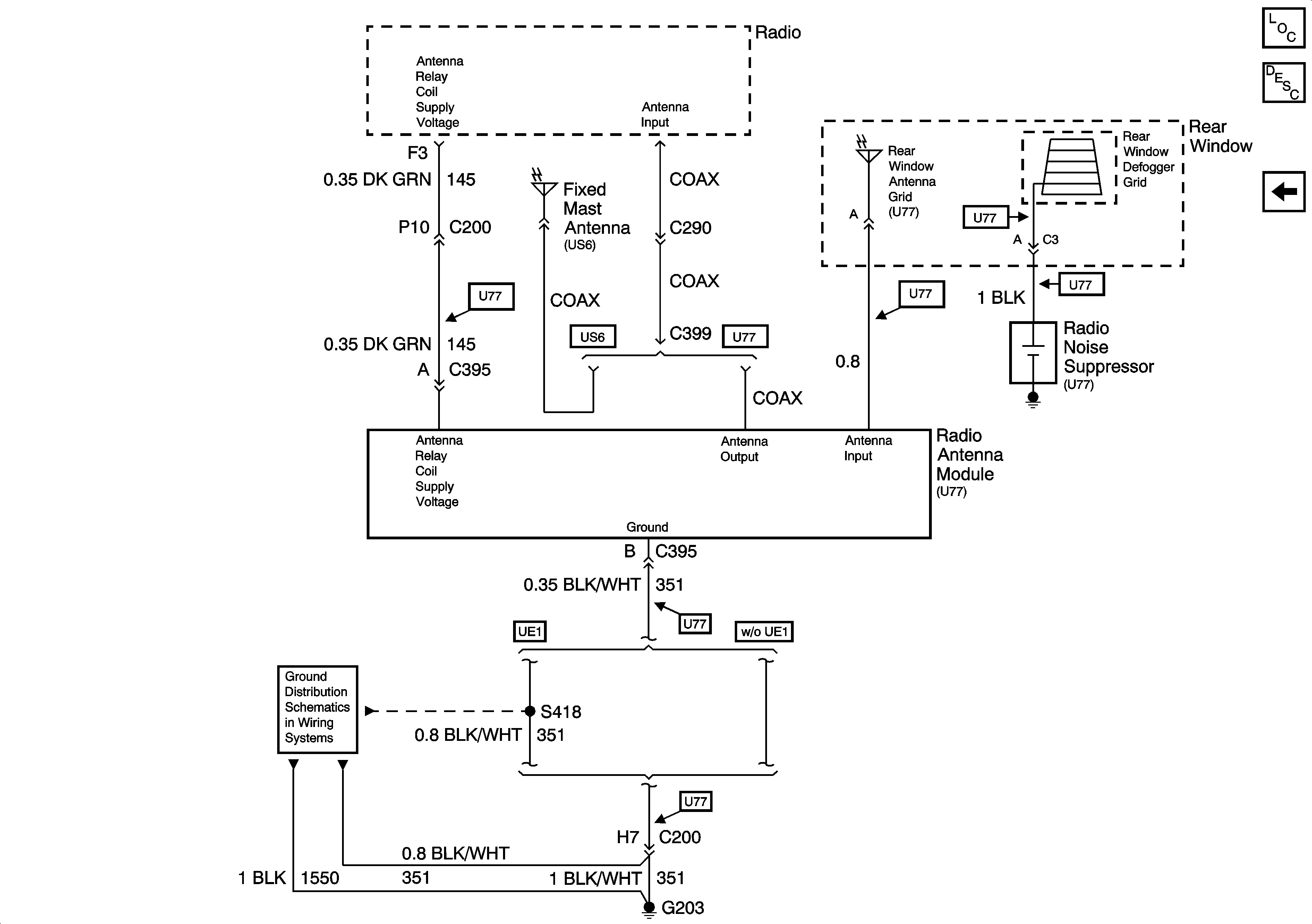
Figure 6:

Antenna Module


Object Number: 879528  Size: FS
Master Electrical Component List
Radio/Audio System Description and Operation
Front Speakers - U85
G203, Page 2 of 2